GM Service Manual Online
For 1990-2009 cars only
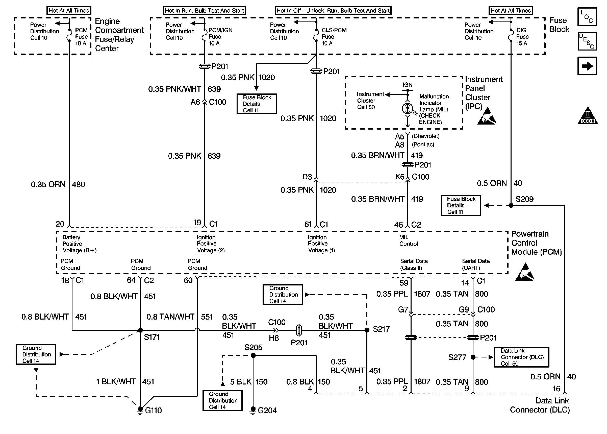
Figure 1:

Power, Ground, MIL, and DLC


Object Number: 32377  Size: FS
Engine Controls Components
Information Sensors
Ignition Controls
Handling ESD Sensitive Parts Notice
OBD II Symbol Description Notice
Handling ESD Sensitive Parts Notice
Figure 2:

Ignition Controls


Object Number: 32386  Size: FS
Engine Controls Components
Information Sensors
Fuel Controls
Power, Ground, MIL, and DLC
OBD II Symbol Description Notice
Handling ESD Sensitive Parts Notice
Figure 3:

Fuel Controls


Object Number: 32392  Size: FS
Engine Controls Components
Information Sensors
Engine Data Sensors
Ignition Controls
OBD II Symbol Description Notice
Handling ESD Sensitive Parts Notice
Figure 4:

Engine Data Sensors


Object Number: 32408  Size: FS
Engine Controls Components
Information Sensors
EVAP and EGR Controls
Fuel Controls
OBD II Symbol Description Notice
Handling ESD Sensitive Parts Notice
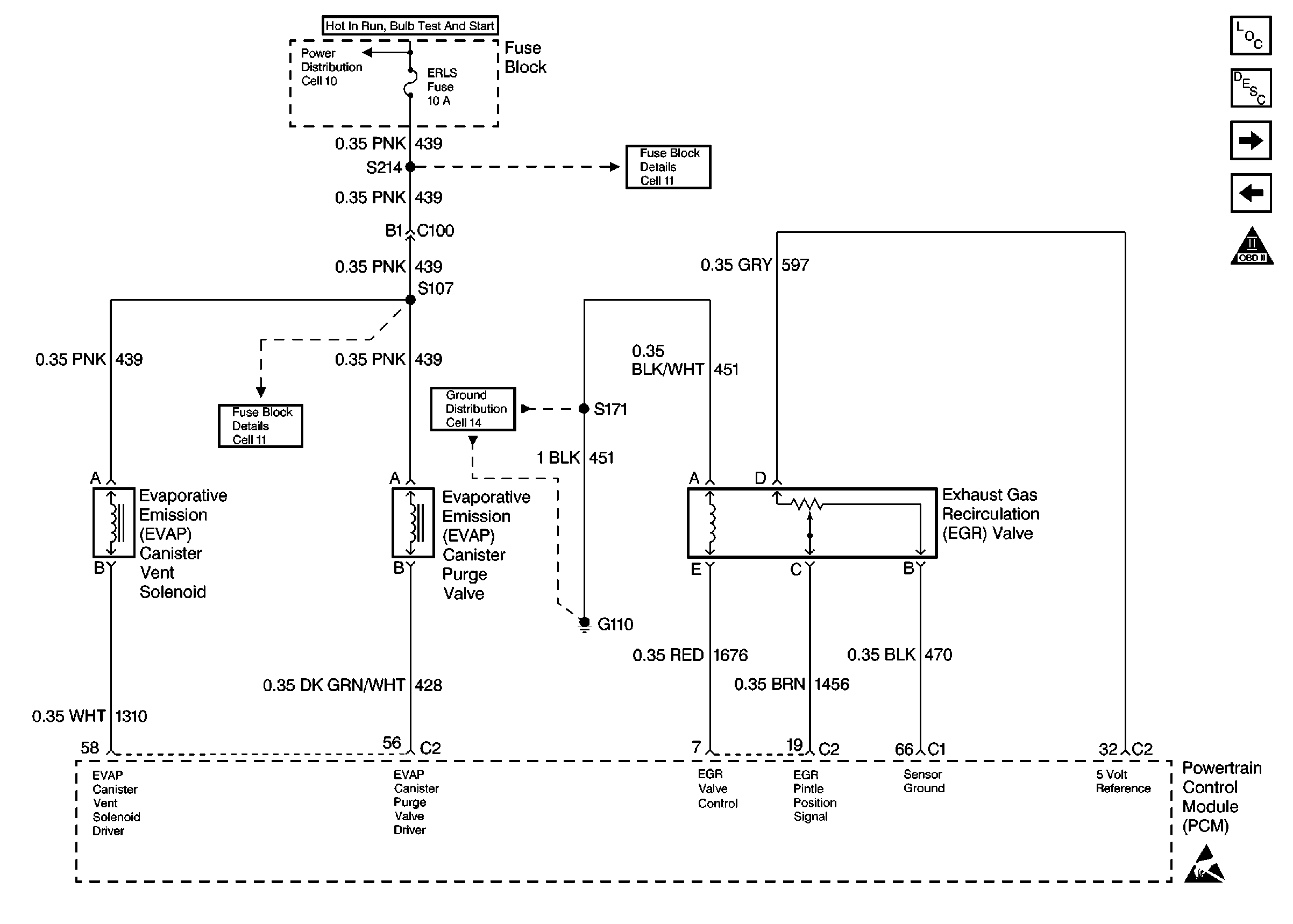
Figure 5:

EVAP and EGR Controls


Object Number: 32413  Size: FS
Engine Controls Components
Information Sensors
Oxygen Sensors
Engine Data Sensors
OBD II Symbol Description Notice
Handling ESD Sensitive Parts Notice
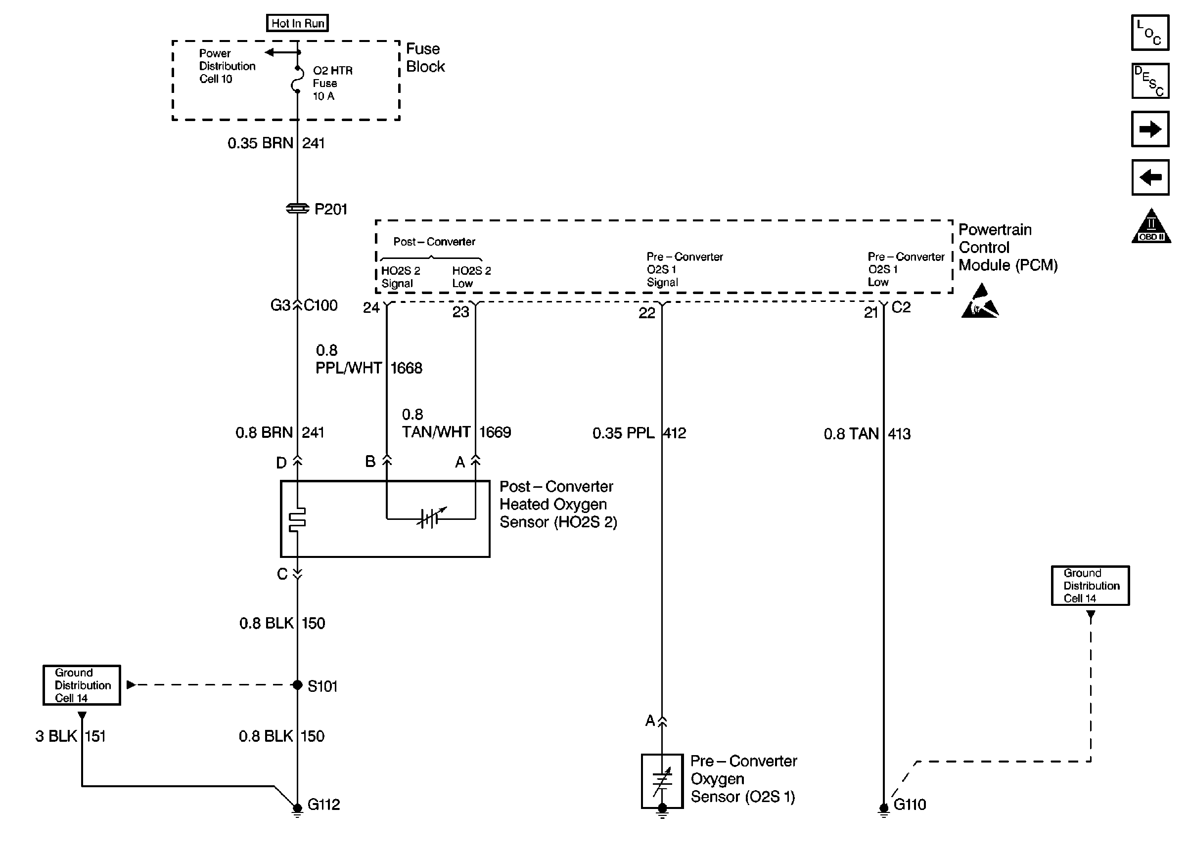
Figure 6:

Oxygen Sensors


Object Number: 32417  Size: FS
Engine Controls Components
Information Sensors
IAC Valve, Generator, TR, Oil, and Coolant Switches
EVAP and EGR Controls
OBD II Symbol Description Notice
Handling ESD Sensitive Parts Notice
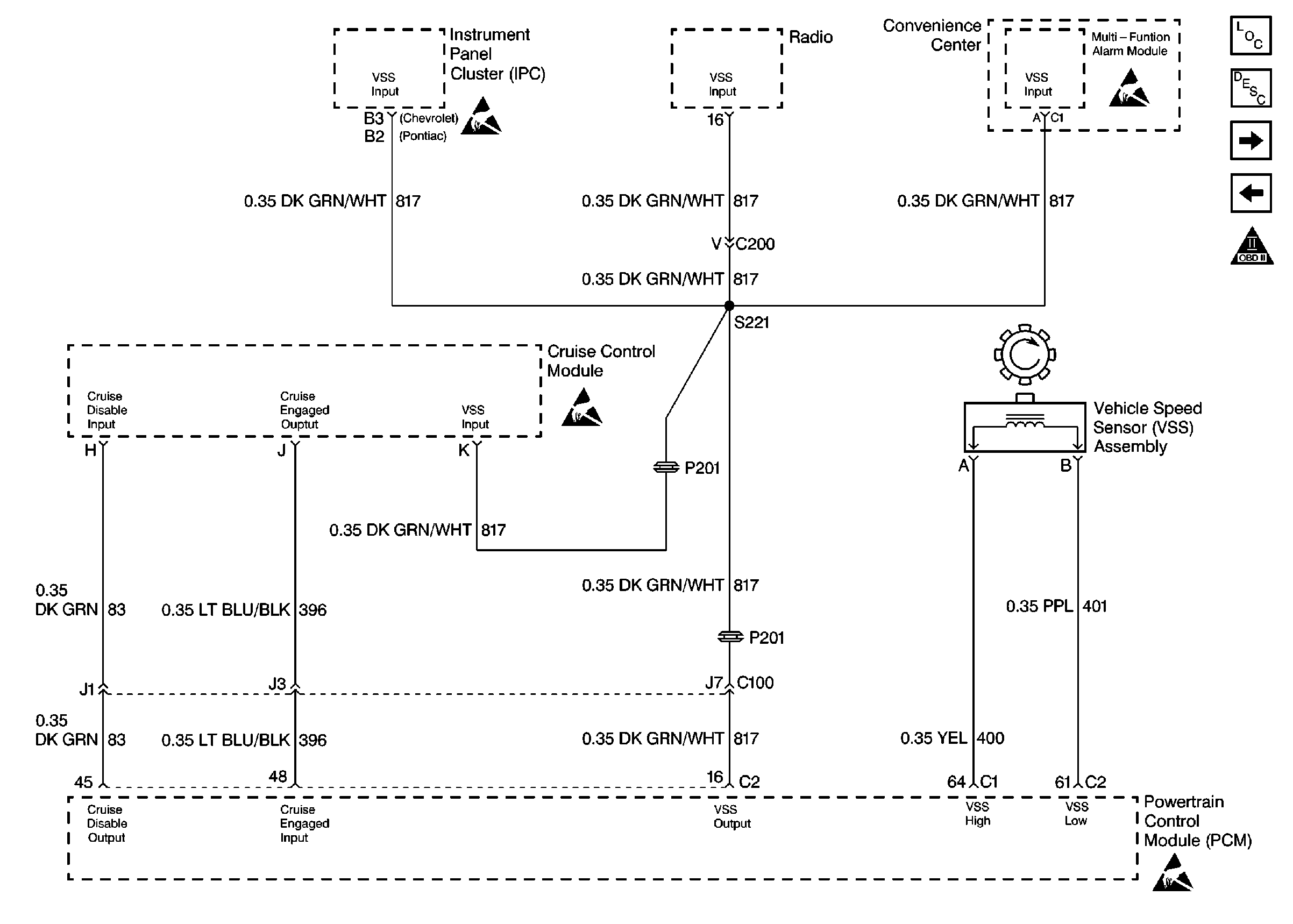
Figure 7:

IAC Valve, Generator, TR, Oil, and Coolant Switches


Object Number: 32434  Size: FS
Engine Controls Components
Information Sensors
VSS and Cruise Control
Oxygen Sensors
OBD II Symbol Description Notice
Handling ESD Sensitive Parts Notice
Figure 8:

VSS and Cruise Control


Object Number: 32437  Size: FS
Engine Controls Components
Information Sensors
Transaxle Controls (Solenoids)
IAC Valve, Generator, TR, Oil, and Coolant Switches
OBD II Symbol Description Notice
Handling ESD Sensitive Parts Notice
Handling ESD Sensitive Parts Notice
Handling ESD Sensitive Parts Notice
Handling ESD Sensitive Parts Notice
Figure 9:

Transaxle Controls (Solenoids)


Object Number: 32442  Size: FS
Engine Controls Components
Information Sensors
Transaxle Controls (Switches)
VSS and Cruise Control
OBD II Symbol Description Notice
Handling ESD Sensitive Parts Notice
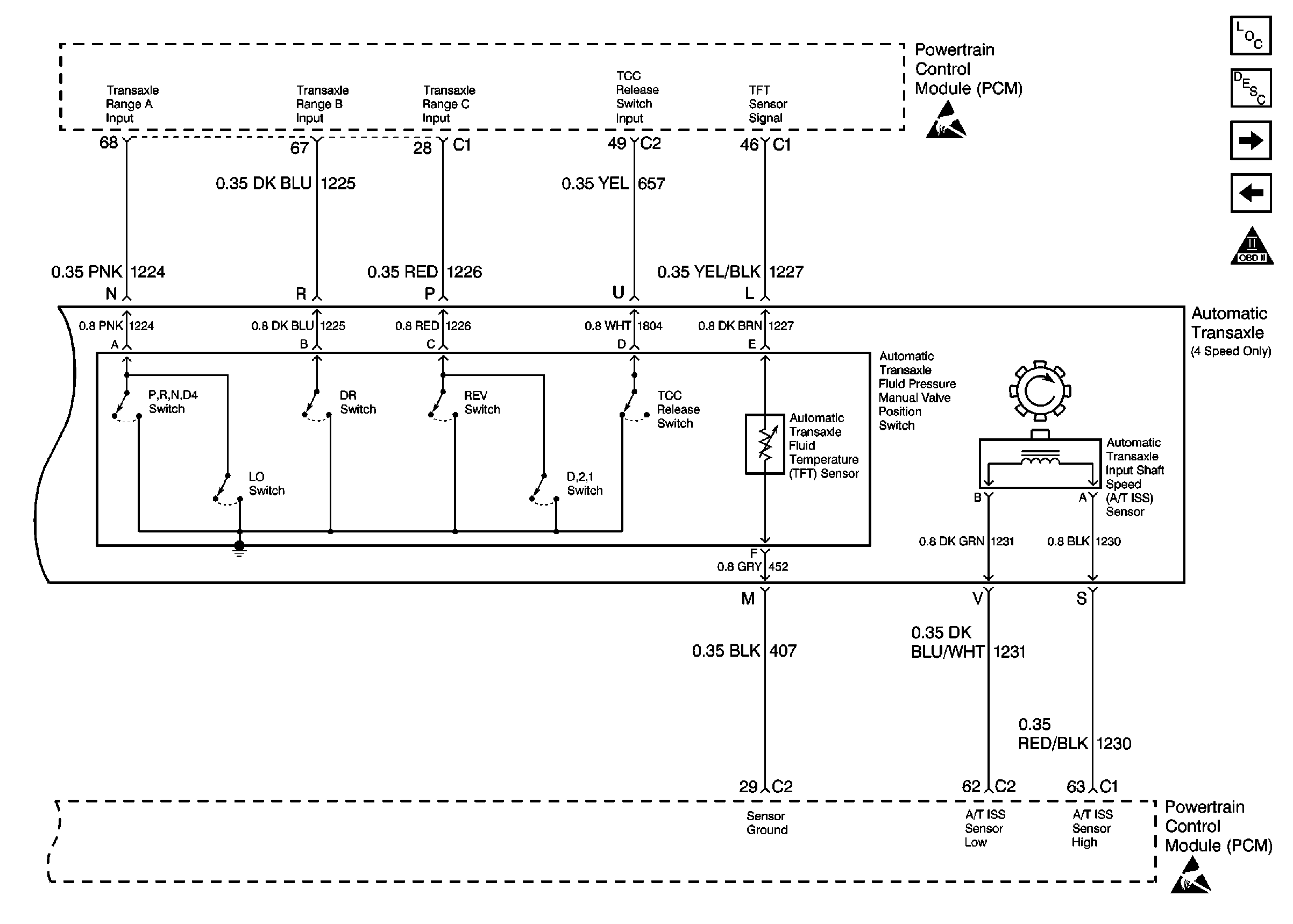
Figure 10:

Transaxle Controls (Switches)


Object Number: 32477  Size: FS
Engine Controls Components
Information Sensors
A/C Controls
Transaxle Controls (Solenoids)
OBD II Symbol Description Notice
Handling ESD Sensitive Parts Notice
Handling ESD Sensitive Parts Notice
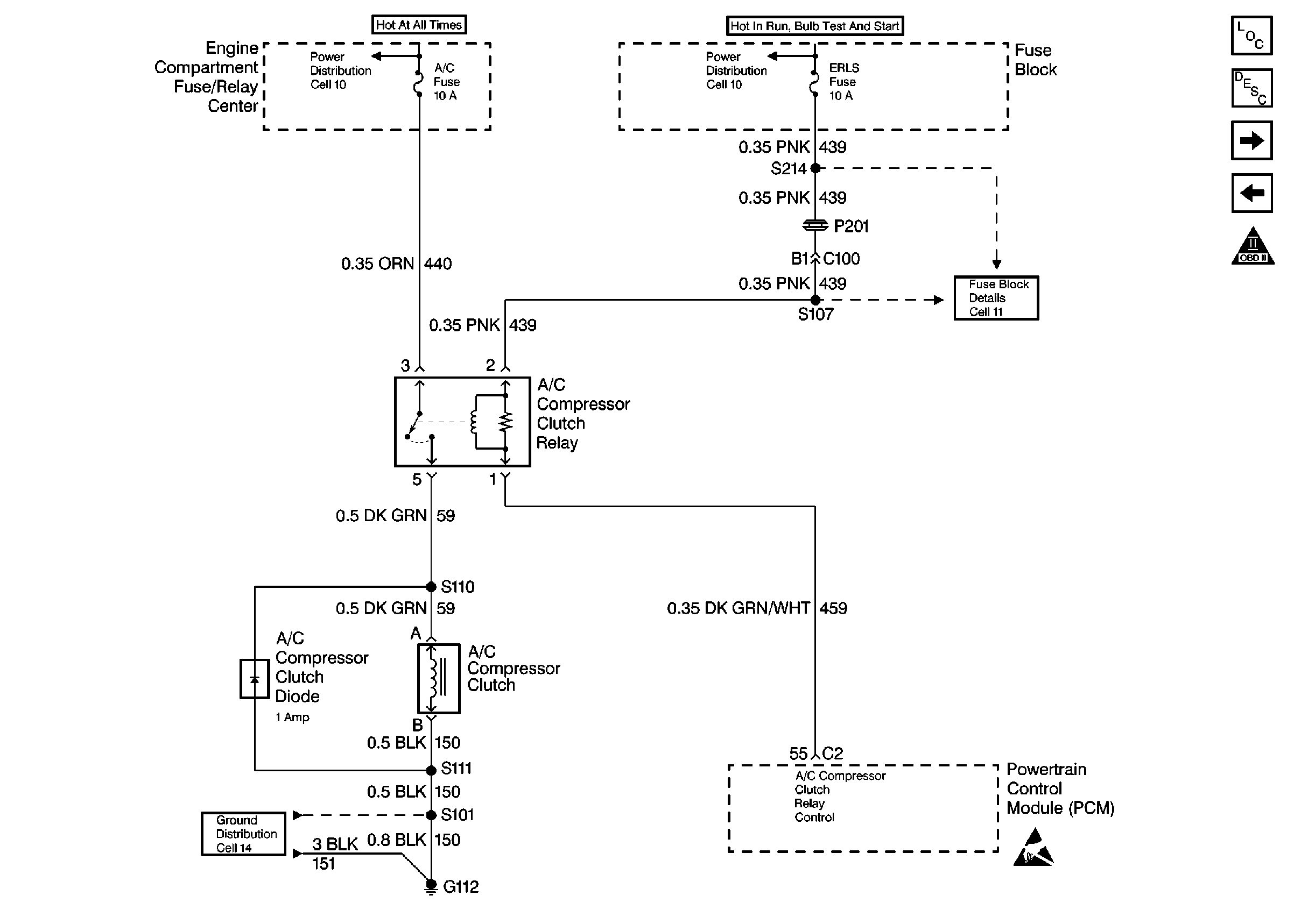
Figure 11:

A/C Controls


Object Number: 32497  Size: FS
Engine Controls Components
Information Sensors
Cooling Fan Controls
Transaxle Controls (Switches)
OBD II Symbol Description Notice
Handling ESD Sensitive Parts Notice
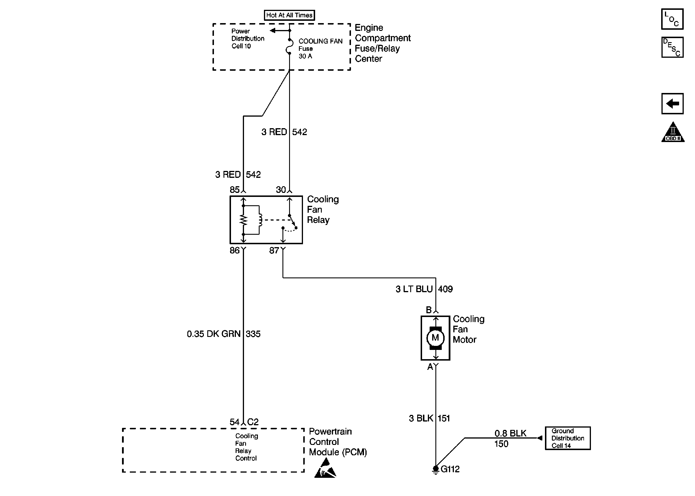
Figure 12:

Cooling Fan Controls


Object Number: 32518  Size: FS
Engine Controls Components
Information Sensors
A/C Controls
OBD II Symbol Description Notice
Handling ESD Sensitive Parts Notice