GM Service Manual Online
For 1990-2009 cars only
Figure 1:

Power, Ground, MIL, and DLC


Object Number: 184428  Size: FS
Engine Controls Components
Information Sensors/Switches Description
Ignition Controls
Handling Electrostatic Discharge Sensitive Parts Notice
OBDII Symbol Description Notice
Handling Electrostatic Discharge Sensitive Parts Notice
Figure 2:

Ignition Controls


Object Number: 184432  Size: FS
Engine Controls Components
Information Sensors/Switches Description
Fuel Controls
Power, Ground, MIL, and DLC
OBDII Symbol Description Notice
Handling Electrostatic Discharge Sensitive Parts Notice
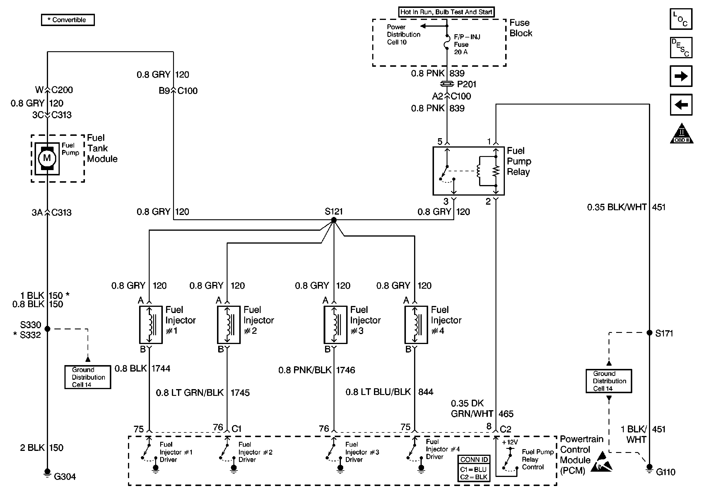
Figure 3:

Fuel Controls


Object Number: 184438  Size: FS
Engine Controls Components
Information Sensors/Switches Description
Engine Data Sensors
Cooling Fan Relay
OBDII Symbol Description Notice
Handling Electrostatic Discharge Sensitive Parts Notice
Figure 4:

Engine Data Sensors


Object Number: 184440  Size: FS
Engine Controls Components
Information Sensors/Switches Description
EVAP and EGR Controls
Fuel Controls
OBDII Symbol Description Notice
Handling Electrostatic Discharge Sensitive Parts Notice
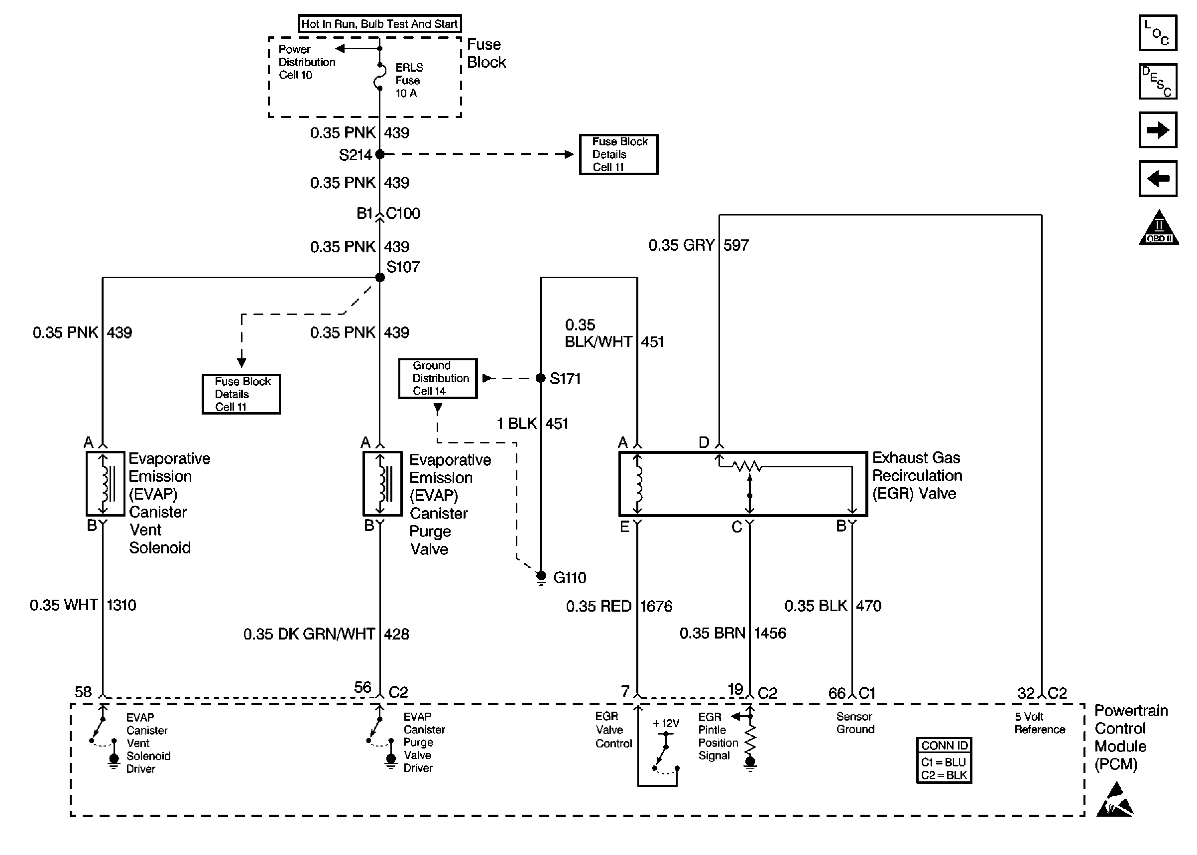
Figure 5:

EVAP and EGR Controls


Object Number: 184449  Size: FS
Engine Controls Components
Information Sensors/Switches Description
Oxygen Sensors
Engine Data Sensors
OBDII Symbol Description Notice
Handling Electrostatic Discharge Sensitive Parts Notice
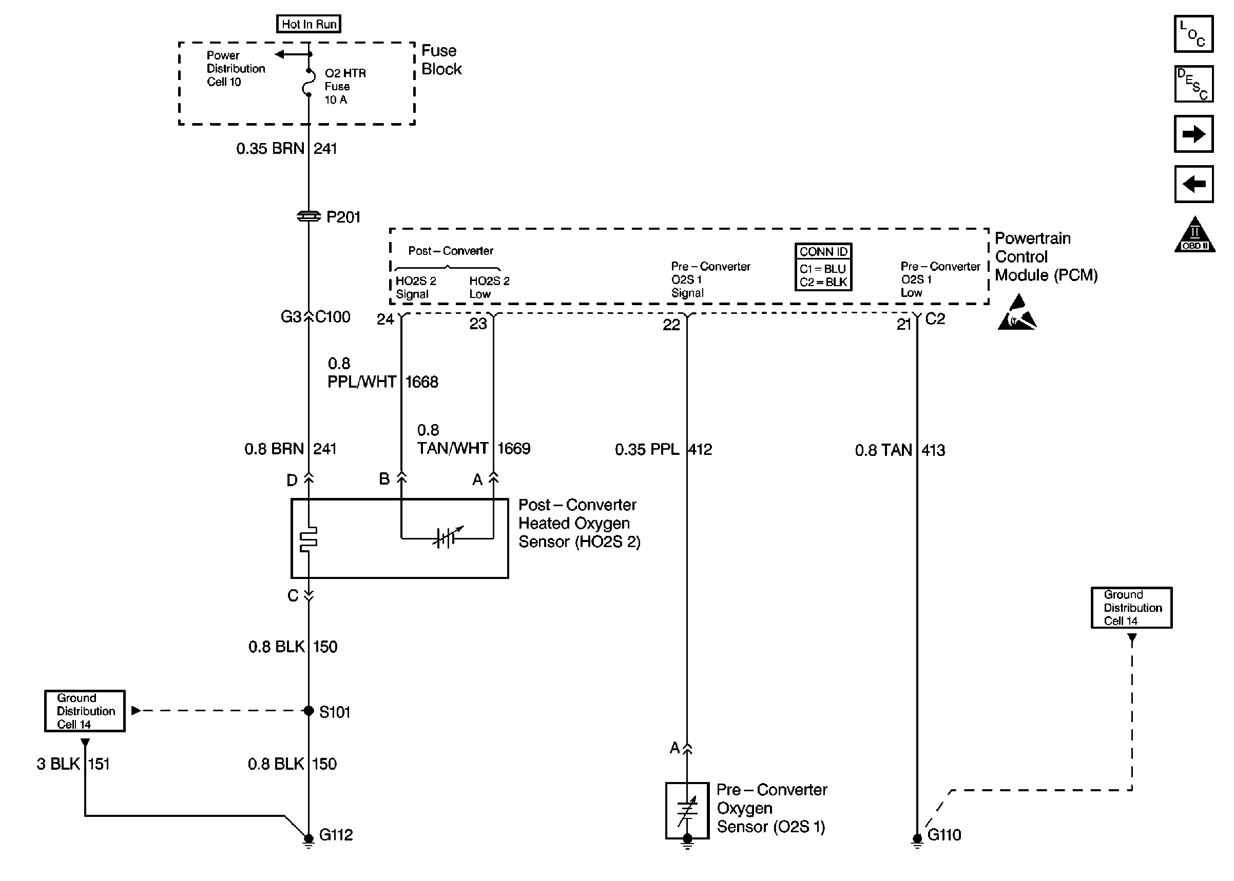
Figure 6:

Oxygen Sensors


Object Number: 184453  Size: FS
Engine Controls Components
Information Sensors/Switches Description
IAC Valve, Generator, TR, Oil, and Coolant Switches
EVAP and EGR Controls
OBDII Symbol Description Notice
Handling Electrostatic Discharge Sensitive Parts Notice
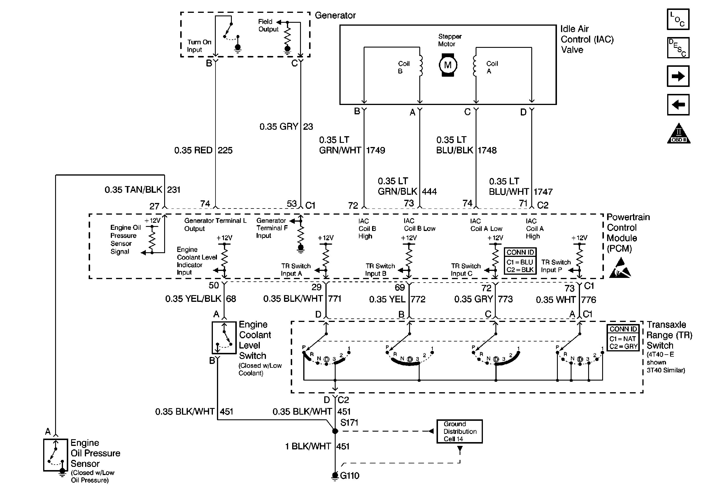
Figure 7:

IAC Valve, Generator, TR, Oil, and Coolant Switches


Object Number: 184456  Size: FS
Engine Controls Components
Information Sensors/Switches Description
VSS and Cruise Control
Oxygen Sensors
OBDII Symbol Description Notice
Handling Electrostatic Discharge Sensitive Parts Notice
Figure 8:

VSS and Cruise Control


Object Number: 184461  Size: FS
Engine Controls Components
Information Sensors/Switches Description
Transaxle Controls and Brake Switches
IAC Valve, Generator, TR, Oil, and Coolant Switches
OBDII Symbol Description Notice
Handling Electrostatic Discharge Sensitive Parts Notice
Handling Electrostatic Discharge Sensitive Parts Notice
Handling Electrostatic Discharge Sensitive Parts Notice
Handling Electrostatic Discharge Sensitive Parts Notice
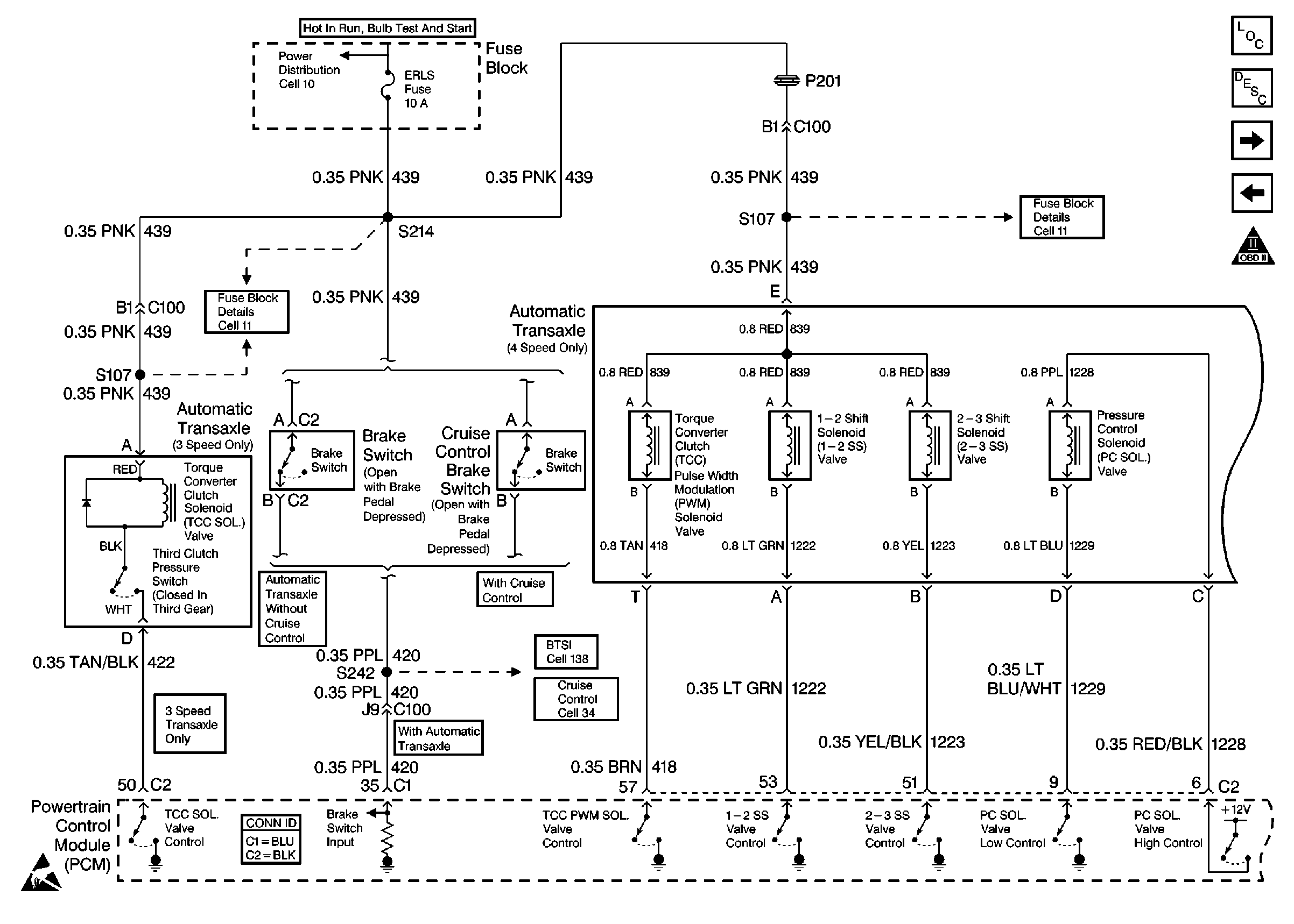
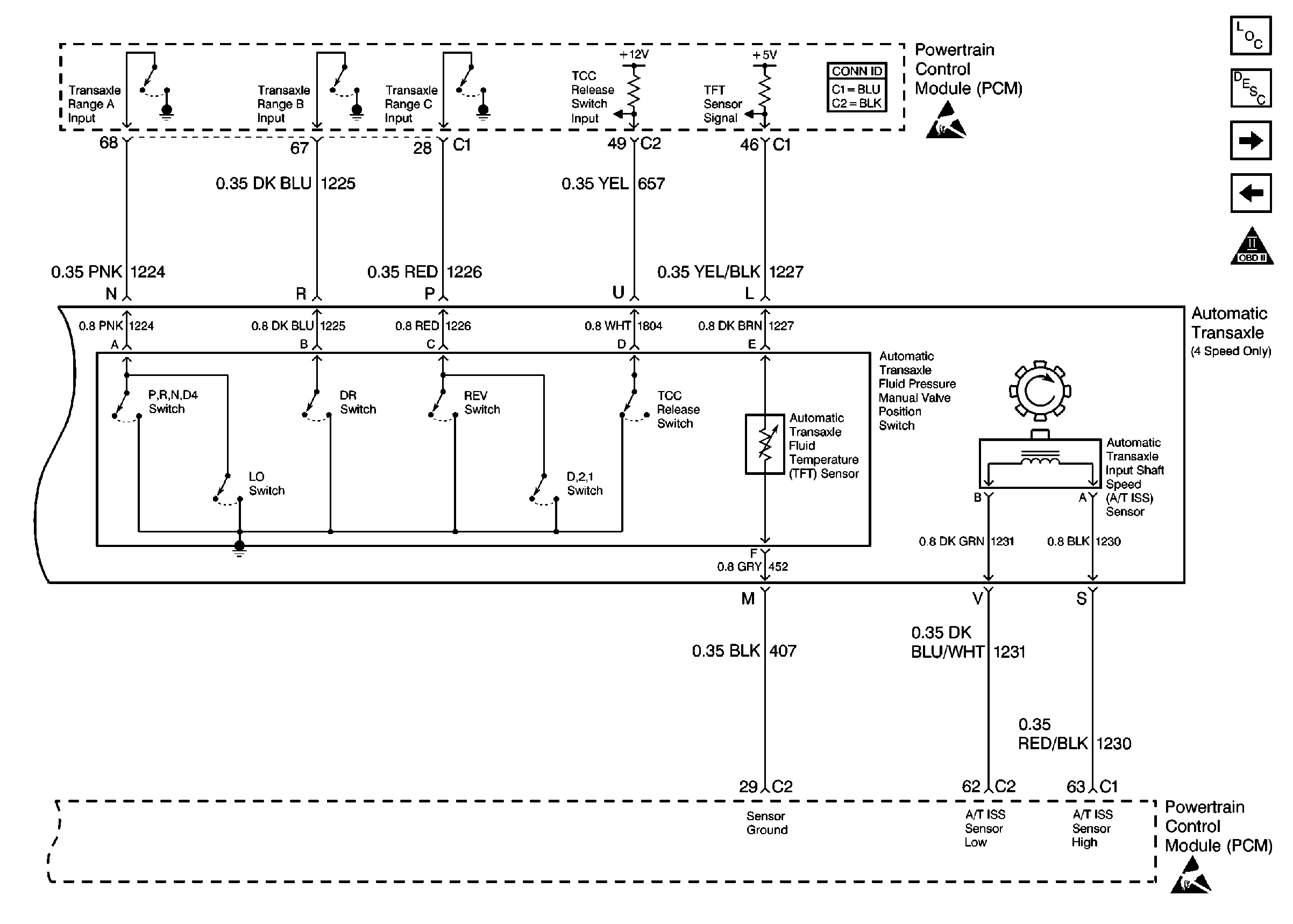
Figure 9:

Transaxle Controls and Brake Switches


Object Number: 184466  Size: FS
Engine Controls Components
Information Sensors/Switches Description
Transaxle Controls (Switches)
VSS and Cruise Control
OBDII Symbol Description Notice
Handling Electrostatic Discharge Sensitive Parts Notice
Figure 10:

Transaxle Controls (Switches)


Object Number: 184470  Size: FS
Engine Controls Components
Information Sensors/Switches Description
A/C Controls
Transaxle Controls and Brake Switches
OBDII Symbol Description Notice
Handling Electrostatic Discharge Sensitive Parts Notice
Handling Electrostatic Discharge Sensitive Parts Notice
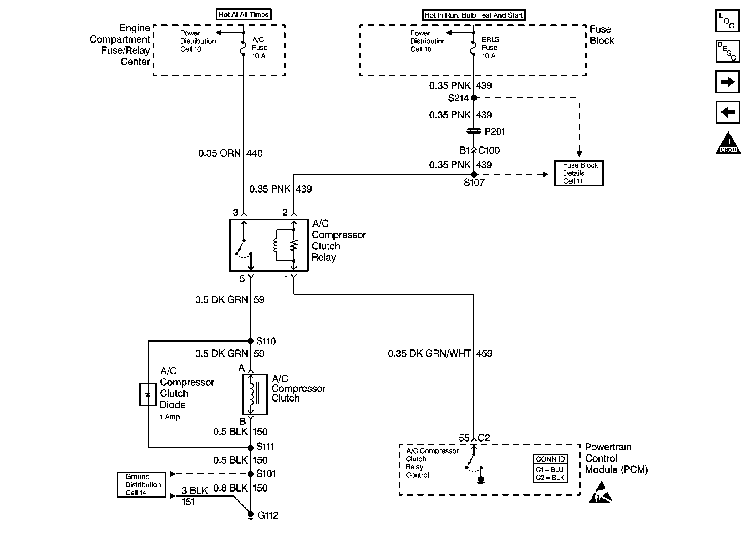
Figure 11:

A/C Controls


Object Number: 184473  Size: FS
Engine Controls Components
Information Sensors/Switches Description
Cooling Fan Controls
Transaxle Controls (Switches)
OBDII Symbol Description Notice
Handling Electrostatic Discharge Sensitive Parts Notice
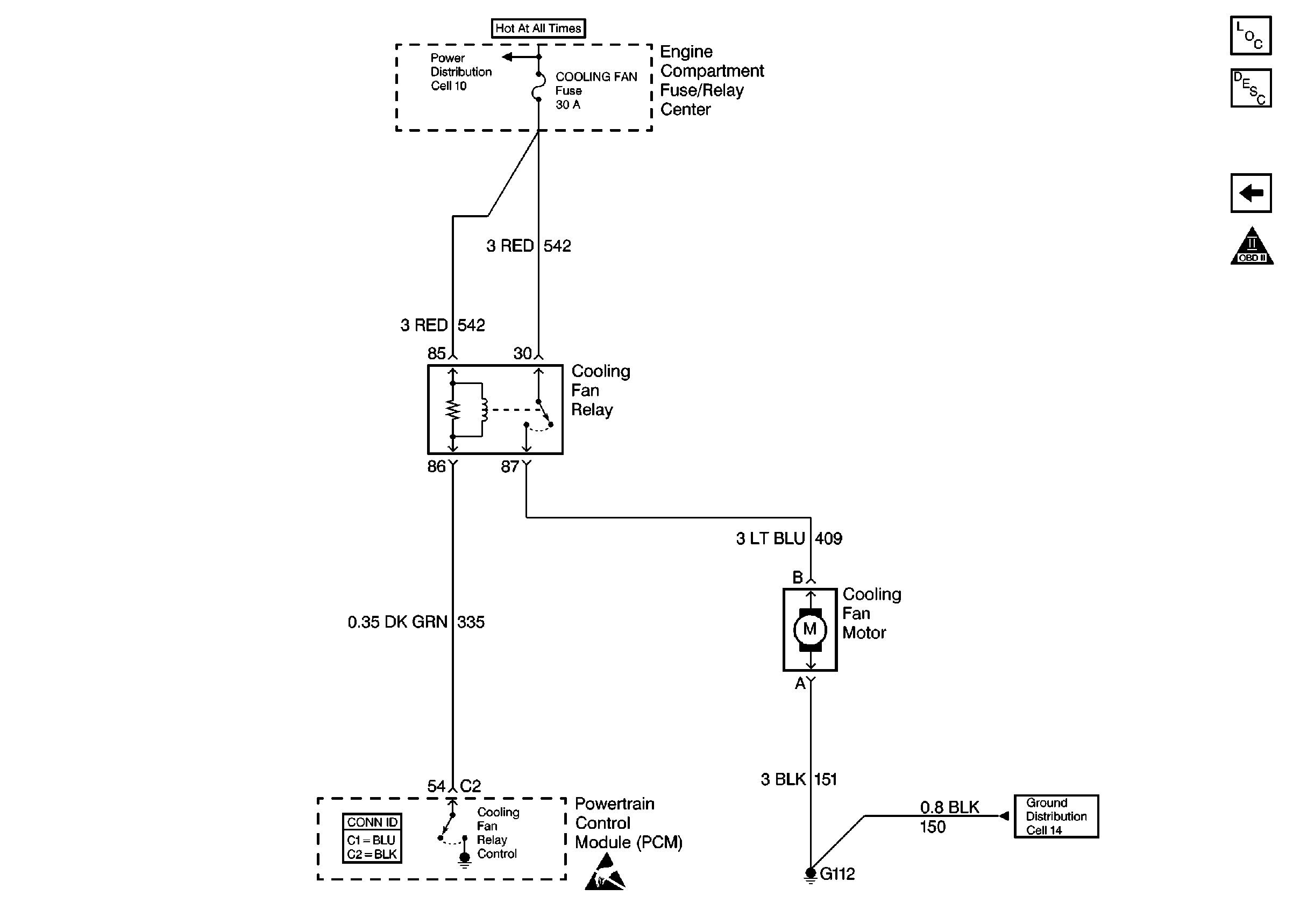
Figure 12:

Cooling Fan Controls


Object Number: 184477  Size: FS
Engine Controls Components
Information Sensors/Switches Description
A/C Controls
OBDII Symbol Description Notice
Handling Electrostatic Discharge Sensitive Parts Notice