GM Service Manual Online
For 1990-2009 cars only
Makes
🢒
Pontiac
🢒
1998
🢒
Sunfire
🢒
Body and Accessories
🢒
Lighting Systems
🢒 Headlights/Daytime Running Lights (DRL) Schematics
Figure
1:
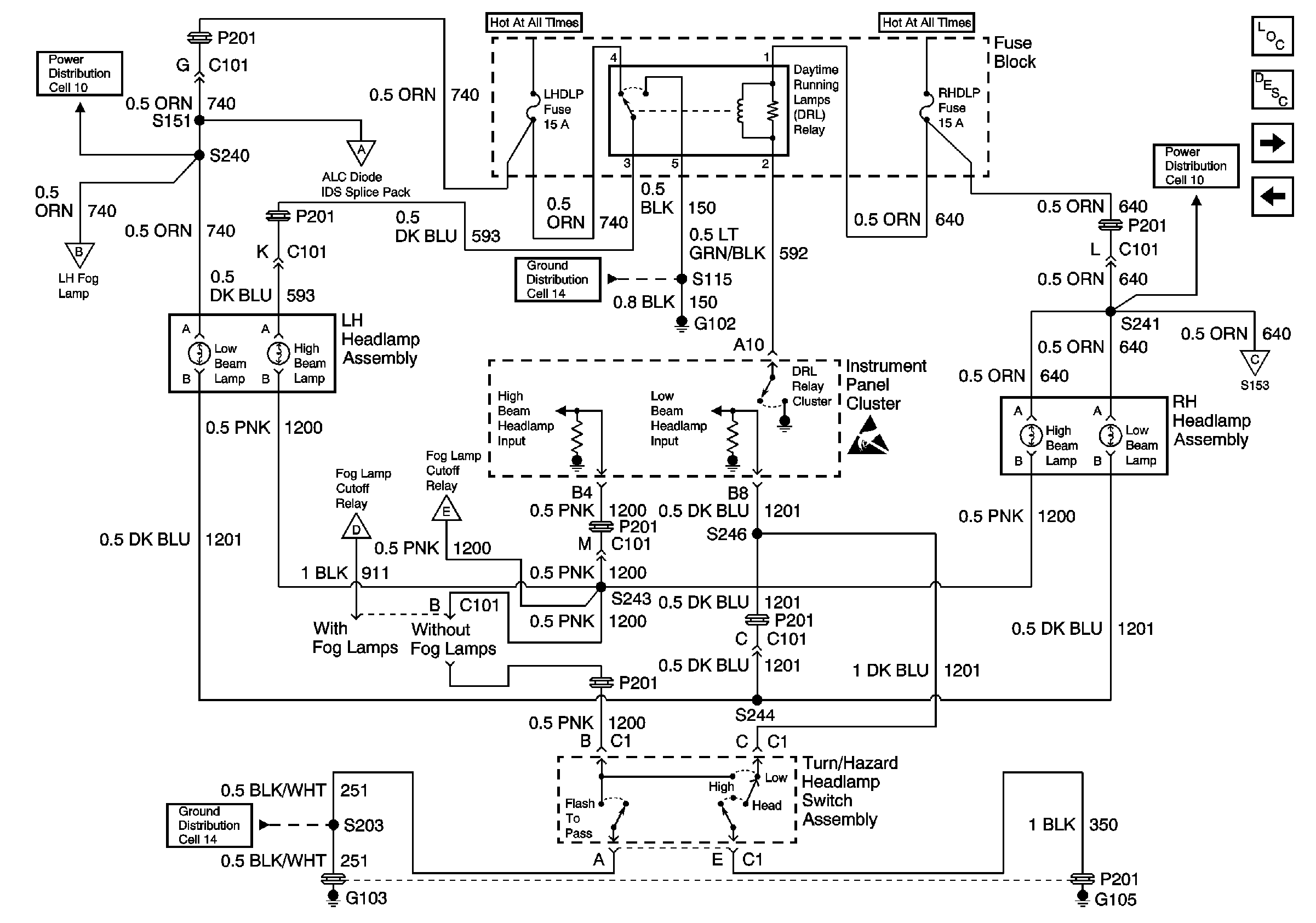
Cell 102: Daytime Running Lamps Pontiac
Lighting Systems Components
Headlights/Daytime Running Lights (DRL) Circuit Description
Cell 102: Daytime Running Lamps Chevrolet
Ground Distribution Schematics
Handling ESD Sensitive Parts Notice
Ground Distribution Schematics
Figure
2:
Cell 102: Daytime Running Lamps Chevrolet
Lighting Systems Components
Headlights/Daytime Running Lights (DRL) Circuit Description
Cell 102: Daytime Running Lamps Chevrolet With Fog Lamps
Cell 102: Daytime Running Lamps Pontiac
Handling ESD Sensitive Parts Notice
Ground Distribution Schematics
Power Distribution Schematics
Ground Distribution Schematics
Power Distribution Schematics
Cell 102: Daytime Running Lamps Chevrolet With Fog Lamps
Cell 102: Daytime Running Lamps Chevrolet With Fog Lamps
Cell 102: Daytime Running Lamps Chevrolet With Fog Lamps
Cell 102: Daytime Running Lamps Chevrolet With Fog Lamps
Cell 102: Daytime Running Lamps Chevrolet With Fog Lamps
Figure
3:
Cell 102: Daytime Running Lamps Chevrolet With Fog Lamps
Lighting Systems Components
Headlights/Daytime Running Lights (DRL) Circuit Description
Cell 102: Daytime Running Lamps Chevrolet
Ground Distribution Schematics
Exterior Lights Schematics
Cell 102: Daytime Running Lamps Chevrolet
Cell 102: Daytime Running Lamps Chevrolet
Cell 102: Daytime Running Lamps Chevrolet
Cell 102: Daytime Running Lamps Chevrolet
Cell 102: Daytime Running Lamps Chevrolet