GM Service Manual Online
For 1990-2009 cars only
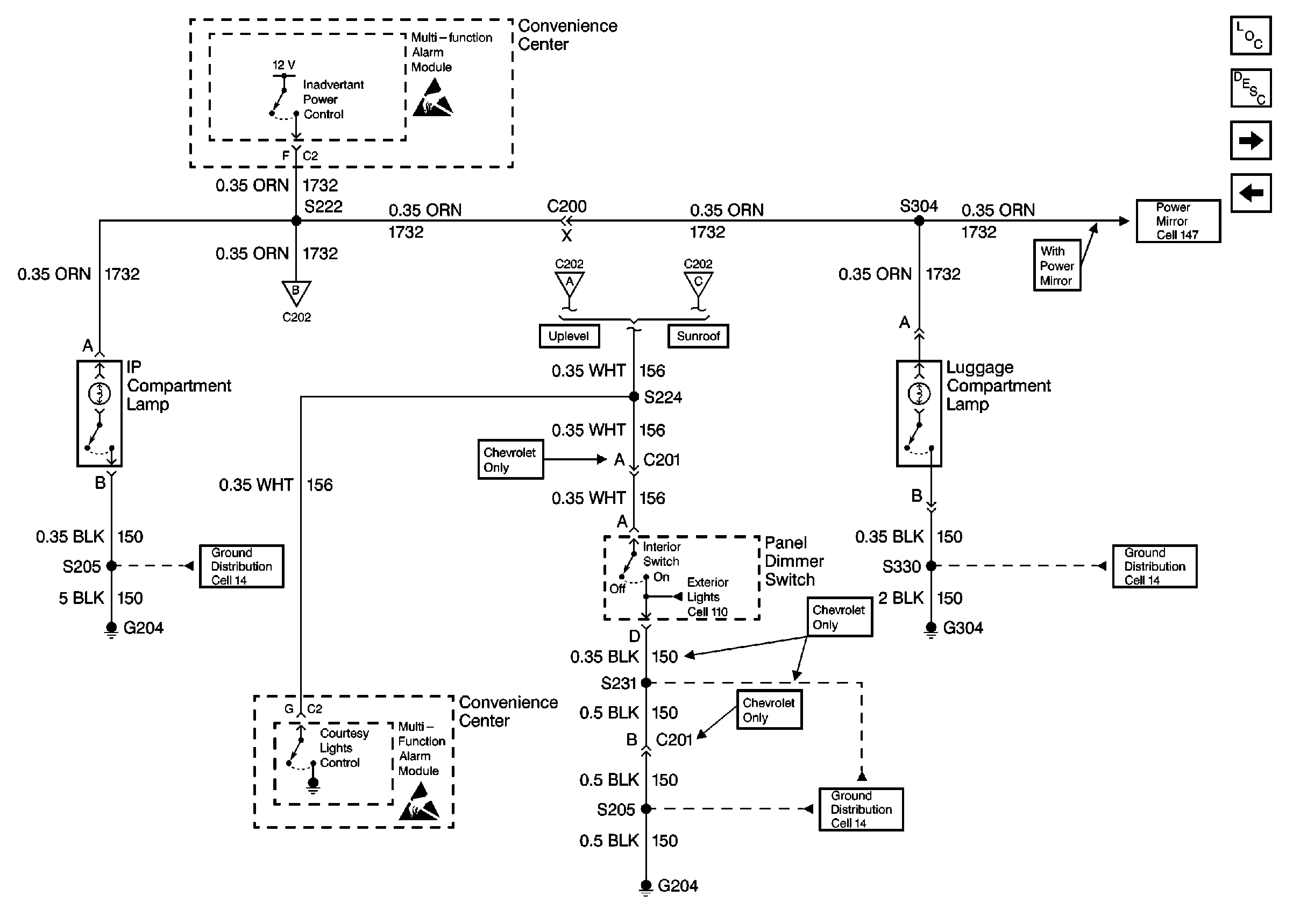
Figure 1:

Cell 114: Illuminated Entry


Object Number: 453891  Size: FS
Lighting Systems Components
Interior Lights Circuit Description
Cell 114: IP Compartment, Headliner and Luggage Compartment Lamps
Handling ESD Sensitive Parts Notice
Keyless Entry Schematics
Ground Distribution Schematics
Keyless Entry Schematics
Ground Distribution Schematics
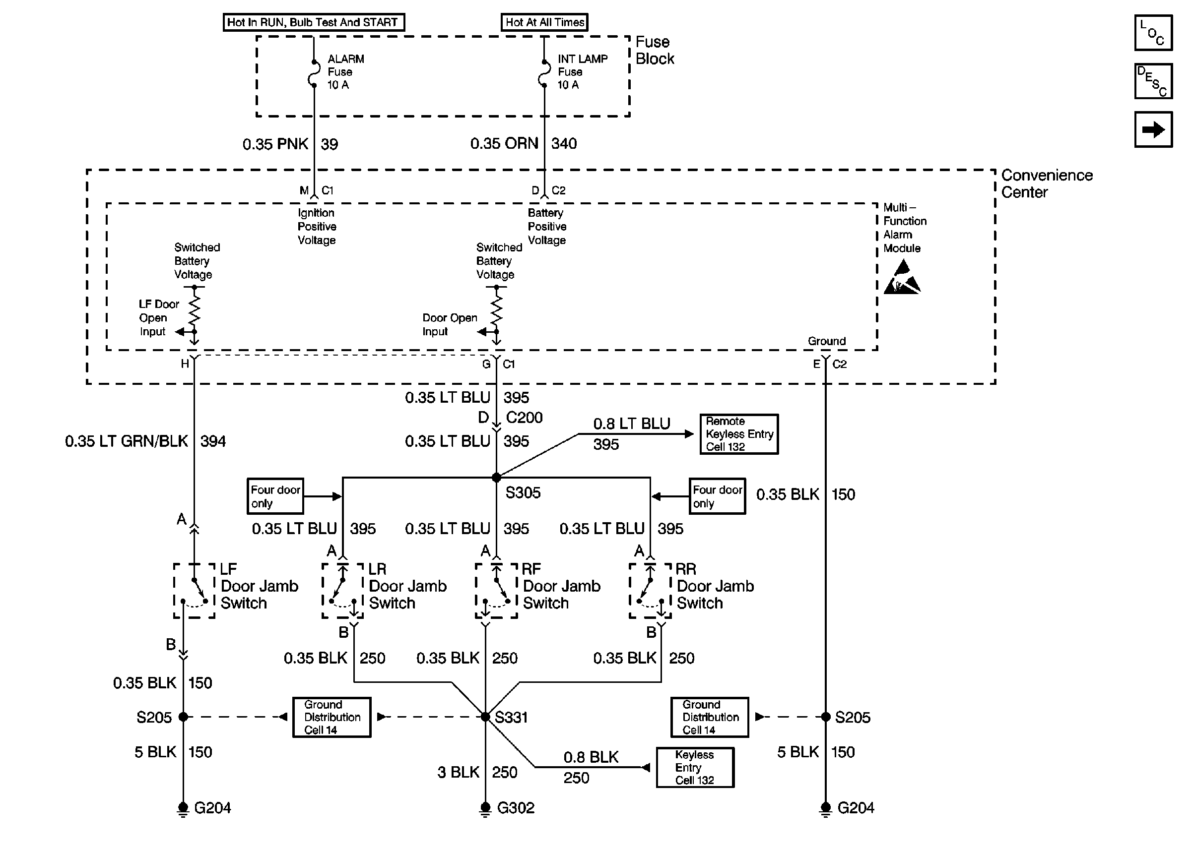
Figure 2:

Cell 114: IP Compartment, Headliner and Luggage Compartment Lamps


Object Number: 453913  Size: FS
Handling ESD Sensitive Parts Notice
Lighting Systems Components
Interior Lights Circuit Description
Cell 114: Interior Lights
Cell 114: Illuminated Entry
Outside Rearview Mirror Schematics
Ground Distribution Schematics
Ground Distribution Schematics
Handling ESD Sensitive Parts Notice
Ground Distribution Schematics
Cell 114: Interior Lights
Cell 114: Interior Lights
Cell 114: Interior Lights
Figure 3:

Cell 114: Interior Lights


Object Number: 453917  Size: FS
Lighting Systems Components
Interior Lights Circuit Description
Cell 114: IP Compartment, Headliner and Luggage Compartment Lamps
Cell 114: IP Compartment, Headliner and Luggage Compartment Lamps
Cell 114: IP Compartment, Headliner and Luggage Compartment Lamps
Cell 114: IP Compartment, Headliner and Luggage Compartment Lamps
Ground Distribution Schematics
Ground Distribution Schematics