GM Service Manual Online
For 1990-2009 cars only
Makes
🢒
Pontiac
🢒
1998
🢒
Sunfire
🢒
Body and Accessories
🢒
Instrument Panel, Gauges, and Console
🢒 ABS/ETS Schematics
Figure
1:
(Cell 44: Motor Pack and Speed Sensors
ABS Components
ABS/ETS System Description
(Cell 44: Relay and Solenoids)
Handling Electrostatic Discharge Sensitive Parts Notice
Figure
2:
(Cell 44: Relay and Solenoids)
ABS Components
ABS/ETS System Description
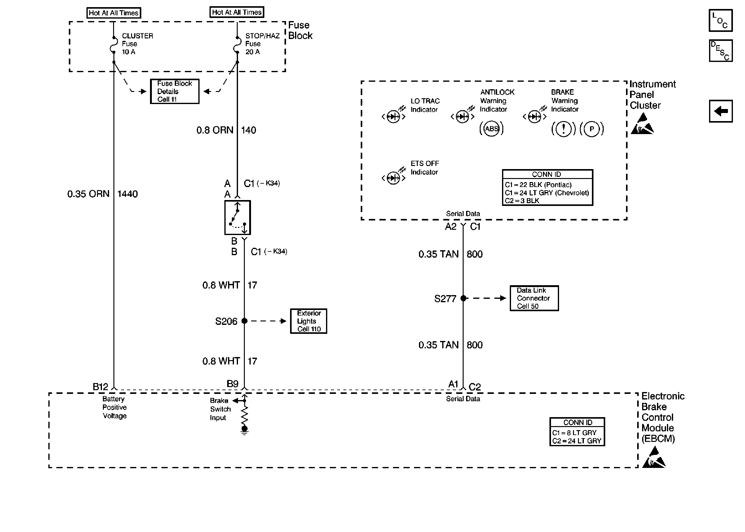
(Cell 44: IPC, EBCM and Brake Switch)
(Cell 44: Motor Pack and Speed Sensors
Handling Electrostatic Discharge Sensitive Parts Notice
Figure
3:
(Cell 44: IPC, EBCM and Brake Switch)
ABS Components
ABS/ETS System Description
(Cell 44: Relay and Solenoids)
Handling Electrostatic Discharge Sensitive Parts Notice
Handling Electrostatic Discharge Sensitive Parts Notice