GM Service Manual Online
For 1990-2009 cars only

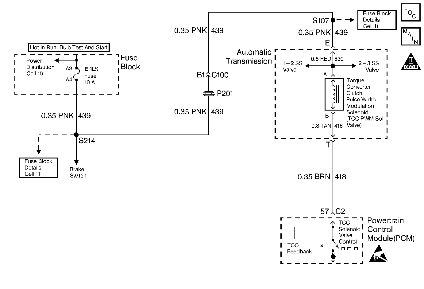
Object Number: 204516  Size: MF
Automatic Transmission Components
Automatic Transmission Controls Schematics
OBD II Symbol Description Notice
Handling ESD Sensitive Parts Notice

Circuit Description

The Torque Converter Clutch Pulse Width Modulation Solenoid Valve (TCC PWM Sol. Valve) is a normally closed solenoid used to control the apply and release of the converter clutch. The Powertrain Control Module (PCM) operates the solenoid with a negative duty cycle. When vehicle operating conditions are appropriate to apply the TCC, the PCM immediately increases the duty cycle to approximately 42%. The PCM then ramps the duty cycle to approximately 90% to achieve full TCC apply pressure. When the solenoid is commanded OFF, the PCM senses high voltage. When the solenoid is commanded ON, the PCM senses low voltage.

When the PCM detects a continuous open, short to ground or short to power in the TCC PWM Sol. Valve circuit, then DTC P1860 sets. DTC P1860 is a type A DTC .

Conditions for Setting the DTC

    • The system voltage is 9-16 volts.
    • The engine has been running for more than 5 seconds, and is not in fuel cut off.
    • The TCC PWM Sol. Valve duty cycle is less than 10% or greater than 90%.
    • The PCM detects an open, short to ground or a short to power on the TCC PWM Sol. Valve circuit within 5 seconds.

Action Taken When the DTC Sets

    • The PCM illuminates the Malfunction Indicator Lamp (MIL).
    • The PCM inhibits TCC engagement.
    • The PCM freezes shift adapts from being updated.
    • DTC P1860 is stored in PCM history.

Conditions for Clearing the MIL/DTC

    • The PCM turns OFF the MIL after three consecutive trips without a failure reported.
    • A scan tool can clear the DTC from the PCM history. The PCM clears the DTC from the PCM history if the vehicle completes 40 warm-up cycles without a failure reported.
    • The PCM cancels the DTC default actions when the fault no longer exists and the ignition is OFF long enough in order to power down the PCM.

Diagnostic Aids

    • Inspect the wiring at the PCM, the transmission 20-way connector, the TCC PWM Sol. Valve 2-way connector and all other circuit connecting points for the following conditions:
       - A bent terminal
       - A backed out terminal
       - A damaged terminal
       - Poor terminal tension
       - A chafed wire
       - A broken wire inside the insulation
       - Moisture intrusion
       - Corrosion
    • Ensure that the transmission fluid is at the proper level.
    • When diagnosing for an intermittent short or open condition, massage the wiring harness while watching the test equipment for a change.

Test Description

The numbers below refer to the step numbers on the diagnostic table.

  1. DTCs P0753 and P0758 set if the power circuit is open.

  2. This step tests the PCM and the wiring to the transmission 20-way connector.

  3. This step tests circuit 418 for a short to battery power.

  4. This step tests the circuit for correct resistance.

DTC P1860 TCC PWM Solenoid Circuit -- Electrical

Step

Action

Value(s)

Yes

No

1

Was the Powertrain On-Board Diagnostic (OBD) System Check performed?

--

Go to Step 2

Go to Powertrain On Board Diagnostic (OBD) System Check

2

  1. Install the Scan Tool .
  2. With the engine OFF, turn the ignition switch to the RUN position.
  3. Important: Before clearing the DTCs, use the scan tool in order to record the Failure Records for reference. Using the Clear Info function will erase the stored Failure Records from the PCM.

  4. Record the DTC Failure Records, then clear the DTCs.

Are DTCs P0753 and P0758 also set?

--

Go to Step 3

Go to Step 8

3

  1. Remove the ERLS fuse.
  2. Inspect the fuse for an open.

Did you find the condition?

--

Go to Step 4

Go to Step 6

4

Inspect circuit 439 for a short to ground.

Refer to General Electrical Diagnosis .

Did you find and correct the condition?

--

Go to Step 24

Go to Step 5

5

Inspect circuit 839 for a short to ground.

Refer to General Electrical Diagnosis .

Did you find and correct the condition?

--

Go to Step 21

--

6

Inspect circuit 439 for an open.

Refer to General Electrical Diagnosis .

Did you find and correct the condition?

--

Go to Step 24

Go to Step 7

7

Inspect circuit 839 for an open.

Refer to General Electrical Diagnosis .

Did you find and correct the condition?

--

Go to Step 21

--

8

  1. Turn the ignition OFF.
  2. Disconnect the transmission 20-way connector (additional DTCs will set).
  3. Install the J 39775 Jumper Harness to the engine side of the 20-way connector.
  4. Using the J 35616-A Connector Test Adapter Kit, connect a test lamp from terminal E to terminal T.
  5. With the engine OFF, turn the ignition switch to the RUN position.

Is the test lamp On?

--

Go to Step 9

Go to Step 11

9

  1. Turn the ignition OFF.
  2. Disconnect the C2 (Black) PCM connector (additional DTCs will set).
  3. Turn the ignition switch to the RUN position.

Is the test lamp On?

--

Go to Step 10

Go to Step 23

10

Inspect circuit 418 for a short to ground.

Refer to General Electrical Diagnosis .

Did you find and correct the condition?

--

Go to Step 24

--

11

Using the scan tool, cycle the TCC PWM Sol. Valve ON and OFF three times.

Does the test lamp cycle On and Off as commanded?

--

Go to Step 16

Go to Step 12

12

Is the test lamp always Off?

--

Go to Step 13

--

13

Inspect circuit 418 for an open.

Refer to General Electrical Diagnosis .

Did you find and correct the condition?

--

Go to Step 24

Go to Step 14

14

Connect a test lamp from terminal T to a good ground.

Is the test lamp On?

--

Go to Step 15

Go to Step 23

15

Inspect circuit 418 for a short to battery power.

Refer to General Electrical Diagnosis .

Did you find and correct the condition?

--

Go to Step 24

--

16

  1. Turn the ignition OFF.
  2. Disconnect the J 39775 Jumper Harness from the engine side of the 20-way connector.
  3. Connect the J 39775 Jumper Harness to the transmission side of the 20-way connector.
  4. Using the J 35616-A Connector Test Adapter Kit, connect the J 39200 Digital Multimeter (DMM) from terminal E to terminal T and measure the resistance.

Is the resistance within the specified range?

10-15 ohms

Go to Step 19

Go to Step 17

17

Is the resistance greater than the specified value?

250 ohms

Go to Step 18

Go to Step 19

18

  1. Inspect circuit 418 for an open.
  2. Inspect circuit 418 for a poor connection at the connector.
  3. Inspect circuit 839 for an open.
  4. Inspect circuit 839 for a poor connection at the connector.

Refer to General Electrical Diagnosis .

Did you find the condition?

--

Go to Step 21

Go to Step 22

19

Measure the resistance from terminal T to a good ground.

Is the resistance less than the specified value?

1000 ohms

Go to Step 20

Go to Step 22

20

Inspect circuit 418 for a short to ground.

Refer to General Electrical Diagnosis .

Did you find and correct the condition?

--

Go to Step 21

--

21

Replace the automatic transmission wiring harness.

Refer to the Transmission Unit Repair Manual, 4T40-E Section.

Is the replacement complete?

--

Go to Step 24

--

22

Replace the TCC PWM Sol. Valve.

Refer to the Transmission Unit Repair Manual, 4T40-E Section.

Is the replacement complete?

--

Go to Step 24

--

23

Replace the PCM.

Refer to PCM Replacement/Programming .

Is the replacement complete?

--

Go to Step 24

--

24

In order to verify your repair, perform the following procedure:

  1. Select DTC.
  2. Select Clear Info.
  3. Operate the vehicle under the following conditions:
  4. • Road test the vehicle with the gear select lever in D4.
    • Increase vehicle speed until the TCC is applied.
    • Ensure that the TCC duty cycle is 10-90% for more than 5 seconds.
  5. Select Specific DTC. Enter DTC P1860.

Has the test run and passed?

--

System OK

Begin the diagnosis again. Go to Step 1