GM Service Manual Online
For 1990-2009 cars only

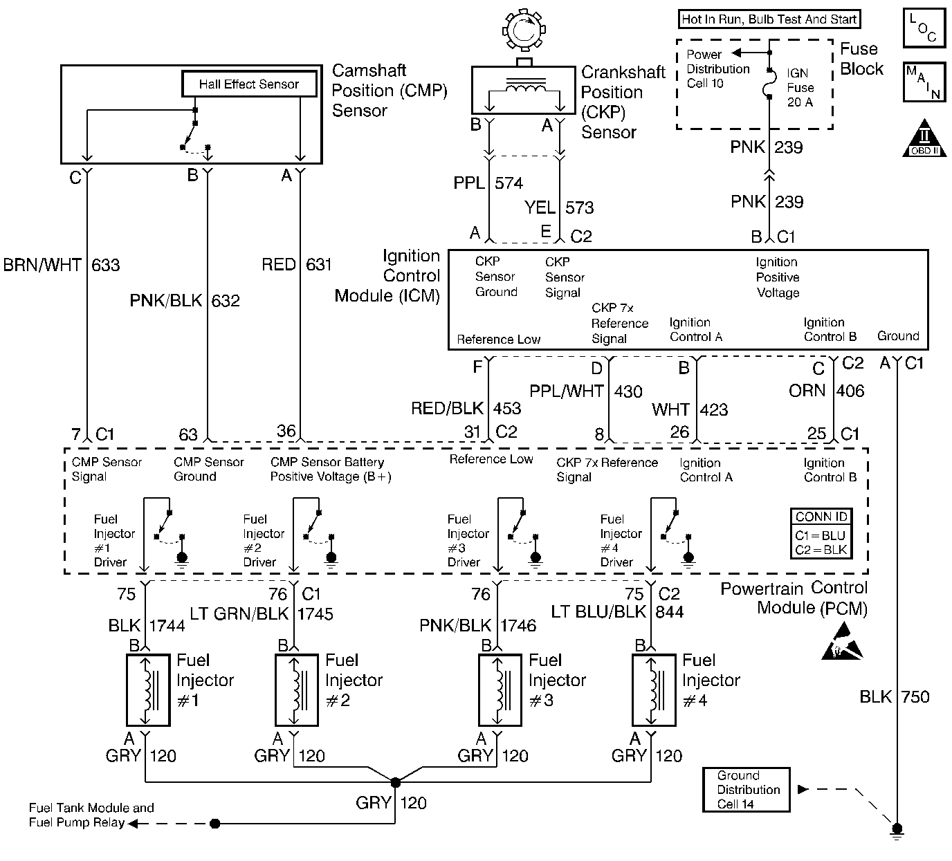
Object Number: 408538  Size: LF
Engine Controls Components
Ignition Controls
OBD II Symbol Description Notice
Powertrain Control Module Connector End Views
Handling ESD Sensitive Parts Notice

Circuit Description

This engine is equipped with a distributorless ignition system called the electronic ignition (EI) system. The primary circuit of the EI system consists of 2 separate ignition coils, an electronic ignition control module (ICM) and a crankshaft position (CKP) sensor as well as the related connecting wires and the ignition control (IC) portion of the Powertrain Control Module (PCM). Each secondary circuit consists of the secondary winding of the coil, spark plug wires, and the spark plugs.

Important: The camshaft position (CMP) sensor is only used for a misfire detection and is not part of the ignition system.

Diagnostic Aids

    • A small amount of resistance in the battery positive voltage circuit to the PCM may cause a no start with a functioning MIL. Check the battery positive voltage circuit for excessive resistance or corrosion.
    • Check the Throttle Position (TP) sensor for binding or sticking or for being intermittently shorted or open.
    • If the THEFT SYSTEM telltale is flashing on the Instrument Panel Cluster (IPC), the theft deterrent system has been activated, refer to the DTC P1629 Theft Deterrent Fuel Enable Signal Not Received for further diagnosis.
    • Check for water or foreign material in the fuel system.
    • Check for a basic engine problem (low compression).
    • Verify that only resistor spark plugs are used.
    • A scan tool can be used to energize the fuel pump ON to check fuel pump operation and for ignition voltage at the fuel injector harness.

Test Description

Number(s) below refer to the step number(s) on the Diagnostic Table.

  1. The Powertrain OBD System Check prompts the technician to complete some basic checks and store the freeze frame and failure records data on the scan tool if applicable. This creates an electronic copy of the data taken when the malfunction occurred. The information is then stored in the scan tool for later reference.

  2. Diagnosis of the DTCs that may be set could lead to the cause of the Cranks But Will Not Run condition.

  3. The PCM grounds will only cause a problem if all the grounds are not making a good connection. If a PCM ground problem is suspected, the most probable place to check is where all the grounds meet at the engine block.

  4. Locate and repair any shorts that may have caused the fuse to open before replacing the fuse.

  5. A TP sensor that reads too high may cause an incorrect fueling condition.

  6. An engine that has not been started should display ECT and IAT temperatures that are relatively close to each other. During the warmer weather, the IAT readings maybe slightly higher than the ECT readings.

  7. If the scan tool loses serial data only while cranking the engine, then the ignition switch is not sending voltage to the PCM while in the crank position.

  8. This step looks for a normal barometer reading and a change in MAP sensor values while cranking the engine. This step verifies the MAP sensor can detect the change in the manifold pressure that occurs while cranking the engine. Compare any questionable barometer readings with readings from another vehicle.

  9. While cranking the engine, the CKP Activity (7X reference) should increment to 255, then rollover to 0.

  10. By testing for spark on all 4 plug wire leads using a spark tester J 26792 , each ignition coil(s) ability to produced at least 25,000 volts is verified.

  11. The CKP sensor core is a magnet, therefore it should be magnetized.

  12. The CKP sensor should output a voltage near 1100-1300 mV as the crankshaft turns. It is possible to trigger the ICM with a voltage as low as 200 mV. If no voltage is produced, a poor CKP sensor electrical connection or malfunctioning CKP sensor is indicated.

  13. The test light connected to B+ simulates a reference signal to the PCM. An fuel injector test light can be installed and will blink for every other touch of the test light if the CKP Activity (7X reference) circuit, the PCM and the fuel injector driver are all functioning properly.

  14. Notice: Do not leave the jumper wire connected to the PCM IC circuit connector for longer than 5 seconds at a time. Failure to do so may damage the ignition coil and/or the Ignition Control Module.

    This step checks the ignition control circuits and the ICM.

  15. The replacement PCM must be reprogrammed and the crankshaft position system variation procedure must be performed. Refer to the latest Techline procedures for PCM reprogramming and to the CKP System Variation Learn Procedure for the CKP System Variation Learn Procedure.

  16. Battery voltage should be available at the fuel injector ignition feed circuit whenever the fuel pump power feed circuit is switched ON and when the PCM is receiving ignition pulses, during engine cranking or when the engine is running. The ignition switch must be turned OFF for at least 10 seconds to assure that the PCM powers down and will then switch the fuel pump back ON for 2-3 seconds when the ignition switch is turned back ON.

  17. The fuel pump is turned ON by the PCM for 2-3 seconds after the ignition switch is first turned ON. This step checks to see if the fuel pump and fuel pump relay are operating correctly and if the fuel pressure is within the proper range. Refer to the Fuel System Diagnosis for the fuel pressure gage installation procedure.

Table A-3 - Engine Cranks But Will Not Run 2.2L SFI (VIN 4)

Step

Action

Value(s)

Yes

No

1

Was the Powertrain On-Board Diagnostic (OBD) System Check performed?

--

Go to Step 2

Go to Powertrain On Board Diagnostic (OBD) System Check

2

Are DTCs P0601, P0602, P1621, or P1629 set?

--

Go to the applicable DTC tables

Go to Step 3

3

Inspect the PCM ground connection at the engine block.

Is the ground connection OK?

--

Go to Step 4

Go to Step 5

4

Inspect the F/P-INJ, or IGN fuses.

Are the fuses OK?

--

Go to Step 6

Go to Step 7

5

Repair PCM ground connection. Refer to Wiring Repairs .

Is the action complete?

--

Go to Step 43

--

6

  1. Check the fuel level.
  2. Add fuel if necessary.

Was it necessary to add fuel?

--

Go to Step 43

Go to Step 8

7

  1. Check for a short in the applicable circuit.
  2. Repair as necessary. Refer to Wiring Repairs .
  3. Replace the open fuse.

Is the action complete?

--

Go to Step 43

--

8

  1. Install a scan tool.
  2. Turn the ignition switch ON, leaving the engine OFF.
  3. With the throttle closed.

Does the TP sensor read less than the specified value?

1.0V

Go to Step 9

Go to DTC P0123 Throttle Position (TP) Sensor Circuit High Voltage

9

Is the Engine Coolant Temperature (ECT) relatively close to the Intake Air Temperature (IAT)?

--

Go to Step 10

Go to DTC P0118 Engine Coolant Temperature (ECT) Sensor Circuit High Voltage

10

  1. Check to see if the Manifold Absolute Pressure (MAP) sensor reading is over the specified value.
  2. Crank the engine while watching the MAP sensor readings.

Was serial data lost while cranking the engine?

4.0V

Go to Step 13

Go to Step 11

11

  1. Check if the Manifold Absolute Pressure (MAP) sensor reading is over the specified value.
  2. Crank the engine while watching the MAP sensor reading.

Does the MAP sensor read over the specified value and then change while cranking the engine?

4.0V

Go to Step 12

Go to Manifold Absolute Pressure Sensor Output Diagnosis

12

Check to see if the CKP Activity Counter increments while cranking the engine with the scan tool.

Does the CKP Activity Counter increment while cranking the engine?

--

Go to Step 14

Go to Step 24

13

Repair voltage loss to the PCM from the ignition switch.

Is the action complete?

--

Go to Step 43

--

14

  1. Turn OFF the ignition switch.
  2. Disconnect the ICM 2 wire electrical connector
  3. Check the ICM ground circuit for the following conditions:
  4. • Open circuit
    • Short to voltage
  5. Repair as necessary. Refer to Wiring Repairs .

Was a repair necessary?

--

Go to Step 43

Go to Step 15

15

  1. Reconnect the ICM 2 wire electrical connector.
  2. Install the J 26792 spark tester on cylinder #1.
  3. Leave the other three ignition wires connected.
  4. Crank the engine and check for spark.
  5. Repeat procedure on cylinder #2, #3, and #4.

Is spark observed on all of the wires?

--

Go to Step 39

Go to Step 27

16

  1. Disconnect the ICM 6 pin harness electrical connector.
  2. Connect the DMM between the harness electrical connector cavities A and E.
  3. Measure the combined sensor and harness resistance.

Is the resistance reading within the specified value?

700-1,300ohms

Go to Step 18

Go to Step 17

17

  1. Remove the CKP sensor from the engine.
  2. Connect the DMM across the CKP sensor terminals.
  3. Measure the CKP sensor resistance.
  4. Verify that the CKP sensor is magnetic.
  5. Check the terminals for damage.

Is the CKP sensor magnetic with undamaged terminals and the resistance with the specified value?

700-1,300ohms

Go to Step 20

Go to Step 21

18

  1. Connect the DMM between the harness electrical connector cavities A and E.
  2. Crank the engine and note the voltage (AC scale).

Is the voltage reading greater than the specified value?

200 mV

Go to Step 19

Go to Step 23

19

  1. Check the CKP sensor signal circuit for a short to voltage.
  2. Repair as necessary. Refer to Wiring Repairs .

Was a repair necessary?

--

Go to Step 43

Go to Step 20

20

  1. Check the CKP sensor signal circuit for a short to ground.
  2. Repair as necessary. Refer to Wiring Repairs .

Was a repair necessary?

--

Go to Step 43

Go to Step 21

21

  1. Connect a test light to the cavity D of the ICM harness electrical connector
  2. Take the other end of the test light and touch battery ground then touch B+.

Does the CKP Activity Counter increment as the test light touches B+?

--

Go to Step 31

Go to Step 25

22

Repair the open or a short in the CKP sensor electrical harness. Refer to Wiring Repairs .

Is the action complete?

--

Go to Step 43

--

23

Replace the CKP sensor. Refer to Crankshaft Position Sensor Replacement .

Is the action complete?

--

Go to Step 43

--

24

  1. Turn the ignition switch OFF.
  2. Disconnect the ICM 2 pin electrical connector.
  3. Turn ON the Ignition switch.
  4. Connect a test light to ground.
  5. Probe the ignition feed circuit with the test light.

Does test light illuminate?

--

Go to Step 16

Go to Step 26

25

  1. Check the CKP Activity (7X Reference) circuit for open or a short.
  2. Repair as necessary.

Was repair necessary?

--

Go to Step 43

Go to Step 33

26

Repair the malfunctioning ICM ignition feed circuit.

Is the action complete?

--

Go to Step 43

--

27

  1. Turn the ignition switch OFF.
  2. Disconnect the PCM electrical connectors.
  3. Connect the J 26792 spark tester to the spark plug wire that did not show spark.
  4. Turn the ignition switch ON.
  5. Notice: Do not leave the jumper wire connected to the PCM IC circuit connector for longer than 5 seconds at a time. Failure to do so may damage the ignition coil and/or the Ignition Control Module.

  6. Connect a test light to B+ and momentarily touch the affected IC circuit with the test light. A spark should jump across the spark tester.

Does a spark jump across the spark tester?

--

Go to Step 33

Go to Step 34

28

Measure the resistance of the spark plug wire that the spark plug tester did not spark with a DMM.

Is the resistance of the spark plug wire less than the specified value?

30,000 ohms

Go to Step 29

Go to Step 37

29

  1. Remove the ignition coil from the cylinder that did not show spark.
  2. Using a DMM measure the secondary coil resistance.

Is the secondary coil resistance within the specified value?

5-8K ohms

Go to Step 30

Go to Step 38

30

  1. Connect a test light to the ignition coil terminals on the ICM.
  2. Reconnect the ICM electrical connector.
  3. Reconnect the PCM electrical connector.
  4. Observe the test light while cranking the engine.

Did the test light flash when the engine was cranking?

--

Go to Step 38

Go to Step 31

31

  1. Check the ICM electrical connector for a poor connection.
  2. Repair the connection as necessary. Refer to Wiring Repairs .

Was a repair necessary?

--

Go to Step 43

Go to Step 32

32

Replace the ICM. Refer to Ignition Control Module Replacement .

Is the action complete?

--

Go to Step 43

--

33

Inspect the PCM electrical connector and connections.

Are the connections OK?

--

Go to Step 36

Go to Step 35

34

  1. Check the affected cylinders ignition control circuit for an open or short .
  2. Repair as necessary.

Was a repair necessary?

--

Go to Step 43

Go to Step 28

35

Repair the connector or connections.

Is the action complete?

--

Go to Step 43

--

36

Replace the PCM. Refer to Powertrain Control Module (PCM) Replacement .

Is the action complete?

--

Go to Step 43

--

37

Replace the spark plug wire. Refer to Spark Plug Wire Harness Replacement in Engine Electrical.

Is the action complete?

--

Go to Step 43

--

38

Replace the malfunctioinng ignition coil. Refer to Ignition Control Module Replacement .

Is the action complete?

--

Go to Step 43

--

39

  1. Disconnect all the fuel injector electrical connectors and install a J 34730-2A fuel injector tester on the fuel injector connector #1.
  2. Repeat the above procedure on injector #2, #3, and #4.
  3. Crank the engine and note the light.

Does the test light blink on all cylinders?

--

Go to Step 40

Go to Step 42

40

Install a fuel pressure gauge and note pressure after ignition is ON for 2 seconds.

Is the fuel pressure between the specified values?

284-325 kPa (41-47 psi)

Go to Step 41

Go to Fuel Pump Electrical Circuit Diagnosis

41

  1. Check for fouled spark plugs. Refer to Spark Plug Visual Diagnosis .
  2. Replace if necessary. Refer to Spark Plug Replacement .

Was spark plug replacement necessary?

--

Go to Step 43

Go to Diagnostic Aids

42

Repair the open in the fuel pump and injector ignition feed circuit. Refer to Fuel Pump Electrical Circuit Diagnosis .

Is the action complete?

--

Go to Step 43

--

43

  1. Clear the DTCs with a scan tool.
  2. Attempt to start the engine.

Does the engine start and continue to run?

--

Go to Step 44

Go to Step 2

44

  1. Allow the engine to idle until normal operating temperature is reached.
  2. Check if any DTCs are set.

Are any DTCs displayed?

--

Go to Applicable DTC Table

System OK