GM Service Manual Online
For 1990-2009 cars only

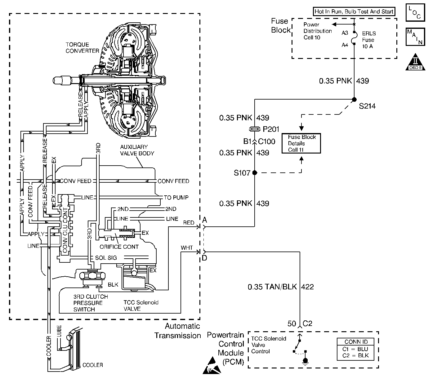
Object Number: 369577  Size: LF
Automatic Transmission Components
Automatic Transmission Controls Schematics
OBD II Symbol Description Notice
Handling ESD Sensitive Parts Notice

Circuit Description

The torque converter clutch solenoid valve (TCC solenoid valve) receives power from the fuse panel on circuit 439. The normally-open 3rd clutch pressure switch interrupts the ground path from the TCC solenoid valve. The powertrain control module (PCM) activates the TCC solenoid valve by grounding the circuit through an internal switch in the PCM. Although the PCM commands the TCC solenoid valve On, the converter clutch does not apply until the 3rd clutch oil (3rd clutch engaged) closes the pressure switch, completing the circuit. Activating the TCC solenoid valve blocks exhaust fluid. This moves the converter clutch control valve to the applied position, and provides fluid pressure to engage the torque converter clutch.

When the PCM detects low TCC slip and the torque converter clutch is commanded off, then DTC P0742 sets. DTC P0742 is a type B DTC.

Conditions for Running the DTC

    • No TP sensor DTC P0122 or P0123.
    • No Vehicle Speed Sensor DTCs P0502 or P0503.
    • The PCM has commanded the TCC off.
    • The engine speed is 1,500-4,000 RPM.
    • Engine torque is greater than 13 N·m (10 lb ft)
    • MAP is 10-105 Kpa.
    • The last gear change has been more than 6 seconds.
    • The speed ratio is 0.9-1.375.
    • The throttle angle is greater than 8%.
    • The slip speed is -20 to +20 RPM for 10 seconds.
    • The vehicle speed is 56-120 km/h (35-75 mph).

Conditions for Setting the DTC

DTC P0742 sets during the second consecutive trip in which the following condition occurs:

All of the above conditions are met two consecutive times (stuck on counter equals 2.)

Action Taken When the DTC Sets

    • The PCM illuminates the malfunction indicator lamp (MIL).
    • DTC P0742 stores in PCM history.

Conditions for Clearing the MIL/DTC

    • The PCM turns off the MIL during the third consecutive trip in which the diagnostic test runs and passes.
    • A scan tool clears the DTC from PCM history.
    • The PCM clears the DTC from PCM history if the vehicle completes 40 consecutive warm-up cycles without an emission related diagnostic fault occurring.

Diagnostic Aids

    • If the vehicle stalls repeatedly, the TCC is mechanically stuck on.
    • Inspect the wiring at the PCM, the automatic transmission connector and all other circuit connecting points for the following conditions:
       - A backed out terminal
       - A damaged terminal
       - Reduced terminal tension
       - A chafed wire
       - A broken wire inside the insulation
       - Moisture intrusion
       - Corrosion

Test Description

The numbers below refer to the step numbers on the diagnostic table.

  1. This step determines whether the stuck on condition is due to an electrical failure, or a mechanical failure.

  2. This step tests for a short to ground on circuit 422 between the transmission wiring harness and the PCM.

DTC P0742

Step

Action

Value(s)

Yes

No

1

Was the Powertrain On-Board Diagnostic (OBD) System Check performed?

--

Go to Step 2

Go to Powertrain On Board Diagnostic (OBD) System Check

2

  1. Install the Scan Tool .
  2. With the engine OFF, turn the ignition switch to the RUN position.
  3. Important: Before clearing the DTCs, use the scan tool in order to record the DTC Freeze Frame and Failure Records. Using the Clear Info function erases the Freeze Frame and Failure Records from the PCM.

  4. Record the DTC Freeze Frame and Failure Records.
  5. Clear the DTC.
  6. Turn the ignition switch to the OFF position.
  7. Disconnect the automatic transmission 4-way connector.
  8. Drive the vehicle in D3 with accessories off at a steady throttle angle above 8% to obtain 64 km/h (40 mph) or more.
  9. Important: Record the TCC slip speed when the transmission is in third gear, with the TCC enabled or engaged.

  10. Use the scan tool snapshot mode in order to record the TCC slip speed.

Is the TCC slip speed outside the range shown?

-20 to +20 RPM

Go to Step 3

Go to Step 10

3

  1. Turn the ignition OFF.
  2. Using the J 35616-A connector test adapter kit, install a test lamp between terminal A and terminal D of the engine side of the automatic transmission 4-way connector.
  3. Turn the ignition switch to the RUN position.

Is the test lamp on?

--

Go to Step 4

Go to Step 6

4

Inspect circuit 422 between the automatic transmission harness 4-way connector and the PCM for a short to ground.

Was the condition found?

--

Go to Step 8

Go to Step 5

5

Replace the PCM.

Refer to PCM Replacement/Programming in Engine Controls.

Is the replacement complete?

--

Go to Step 14

--

6

  1. Remove the transmission side cover.
  2. Refer to Unit Repair.

  3. Disconnect the black wire from the 3rd clutch pressure switch.
  4. Using the J 35616-A , connect the J 39200 digital multimeter (DMM) from terminal A of the automatic transmission 4-way connector to the TCC solenoid valve black wire lead.
  5. Select Ohms on the DMM, in order to measure circuit resistance.

Is the resistance within the specified range?

19-31ohms

Go to Step 11

Go to Step 7

7

Inspect the wiring between the TCC solenoid valve and the 3rd clutch pressure switch for a short to ground.

Was the condition found?

--

Go to Step 8

Go to Step 9

8

Repair the wiring as necessary.

Refer to Wiring Repairs in Wiring Systems.

Is the repair complete?

--

Go to Step 14

--

9

Replace the TCC solenoid valve.

Refer to TCC Solenoid and Switches Replacement.

Is the replacement complete?

--

Go to Step 14

--

10

TCC release oil circuit blocked.

Inspect for the following conditions:

    • Plugged or restricted oil cooler lines.
    • Plugged oil cooler. Refer to Automatic Transmission Oil Cooler Flushing and Flow Check Procedures.

Was the condition found?

--

Go to Step 14

Go to Step 11

11

The TCC solenoid valve may be stuck closed (not exhausting).

  1. Inspect the valve for the following conditions:
  2. • Sediment
    • Mechanical failure
  3. Replace the valve if the condition is found.

Refer to Torque Converter Clutch Solenoid and Wiring Harness Disassemble in the 3T40 Section of the Transmission Unit Repair Manual.

Was the repair made?

--

Go to Step 14

Go to Step 12

12

The converter clutch control valve may be stuck on.

  1. Inspect the valve for the following conditions:
  2. • Sediment
    • Binding
    • Mechanical failure
  3. Repair the valve if the condition is found.

Refer to Unit Repair.

Was the repair made?

--

Go to Step 14

Go to Step 13

13

Inspect the torque converter clutch. If the TCC is mechanically applied (stuck on), replace the torque converter.

Refer to Unit Repair.

Is the repair complete?

--

Go to Step 14

--

14

Perform the following procedure in order to verify the repair:

  1. Select DTC.
  2. Select Clear Info.
  3. Operate the vehicle under the following conditions:
  4. • Drive the vehicle in D3 with the throttle position constant at 30%.
    • The TCC slip speed must be greater than 120 RPM for 5 seconds.
  5. Select Specific DTC.
  6. Enter DTC P0742.

Has the test run and passed?

--

System OK

Go to Step 1