GM Service Manual Online
For 1990-2009 cars only
Makes
🢒
Pontiac
🢒
1999
🢒
Sunfire
🢒
Body and Accessories
🢒
Entertainment
🢒 Radio/Audio System Schematics
Figure
1:
Cell 150: Radio
Entertainment Components
Radio/Audio System Circuit Description
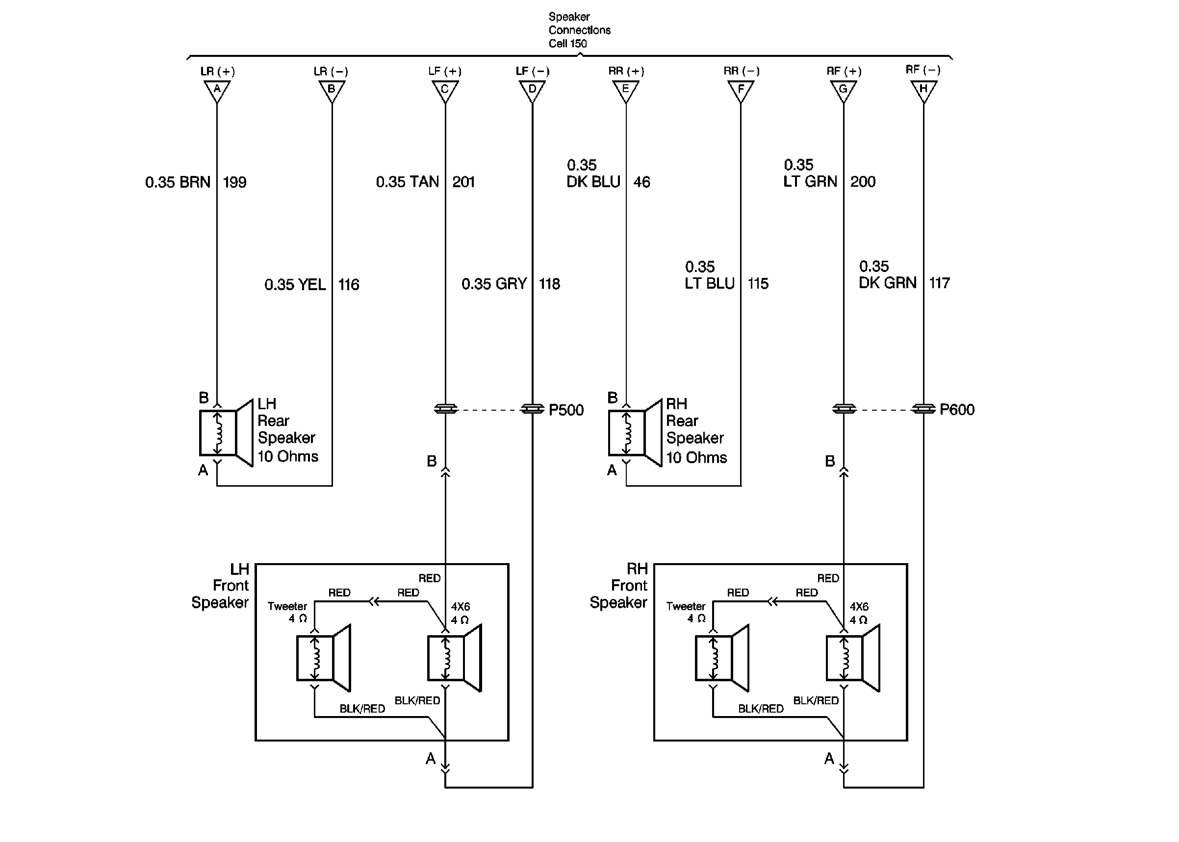
Cell 150: Front and Rear Speakers
Figure
2:
Cell 150: Front and Rear Speakers
Entertainment Components
Radio/Audio System Circuit Description
Cell 150: Radio