GM Service Manual Online
For 1990-2009 cars only

Removal Procedure

    Caution: Unless directed otherwise, the ignition and start switch must be in the OFF or LOCK position, and all electrical loads must be OFF before servicing any electrical component. Disconnect the negative battery cable to prevent an electrical spark should a tool or equipment come in contact with an exposed electrical terminal. Failure to follow these precautions may result in personal injury and/or damage to the vehicle or its components.

  1. Remove the battery ground negative cable.
  2. Remove the instrument panel compartment.
  3. Remove the instrument panel access hole cover from the instrument panel.
  4. Remove the electrical connectors.

  5. Object Number: 294250  Size: MH
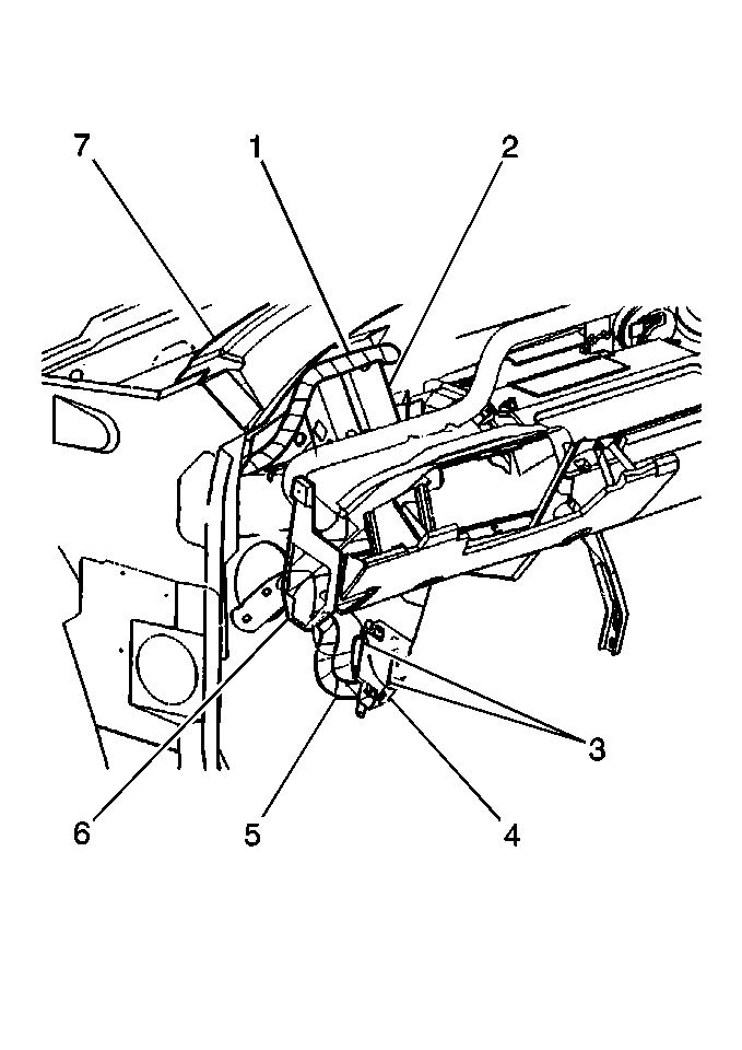
  6. Remove the fuse block from the tie bar (6).

  7. Object Number: 294256  Size: SH
  8. Remove the fuse block (5) from the instrument panel.

Installation Procedure


    Object Number: 294256  Size: SH
  1. Install the fuse block (5) to the instrument panel.

  2. Object Number: 294250  Size: MH
  3. Install the fuse block to the tie bar (2).
  4. Install the electrical connectors.
  5. Install the right instrument panel access hole cover to the instrument panel.
  6. Caution: Unless directed otherwise, the ignition and start switch must be in the OFF or LOCK position, and all electrical loads must be OFF before servicing any electrical component. Disconnect the negative battery cable to prevent an electrical spark should a tool or equipment come in contact with an exposed electrical terminal. Failure to follow these precautions may result in personal injury and/or damage to the vehicle or its components.

  7. Install the battery ground negative cable.