GM Service Manual Online
For 1990-2009 cars only
Makes
🢒
Pontiac
🢒
1999
🢒
Sunfire
🢒
Body and Accessories
🢒
Body Front End
🢒 Starting and Charging Schematics
Figure
1:
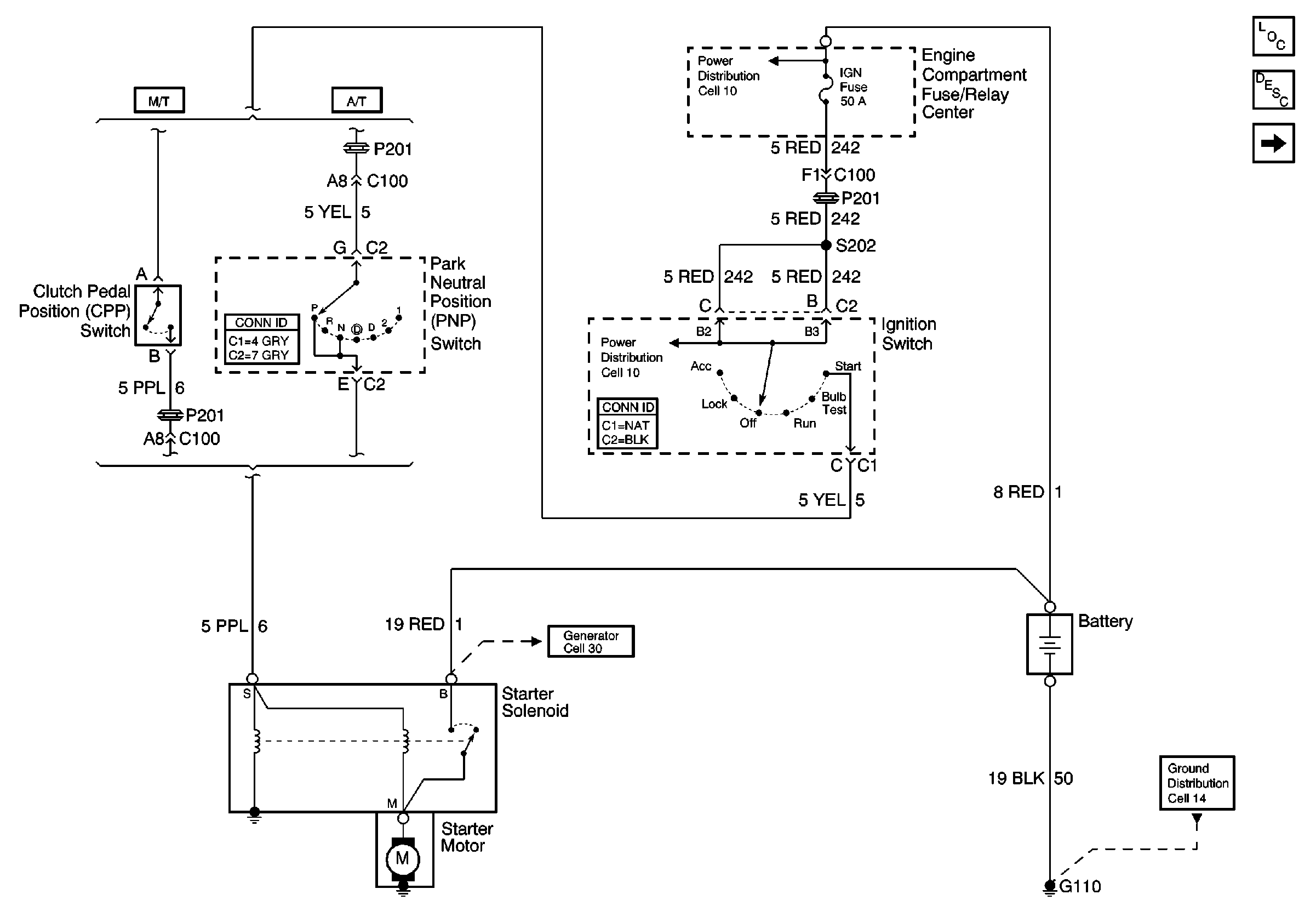
Starting System
Engine Electrical Components
Starting System Circuit Description
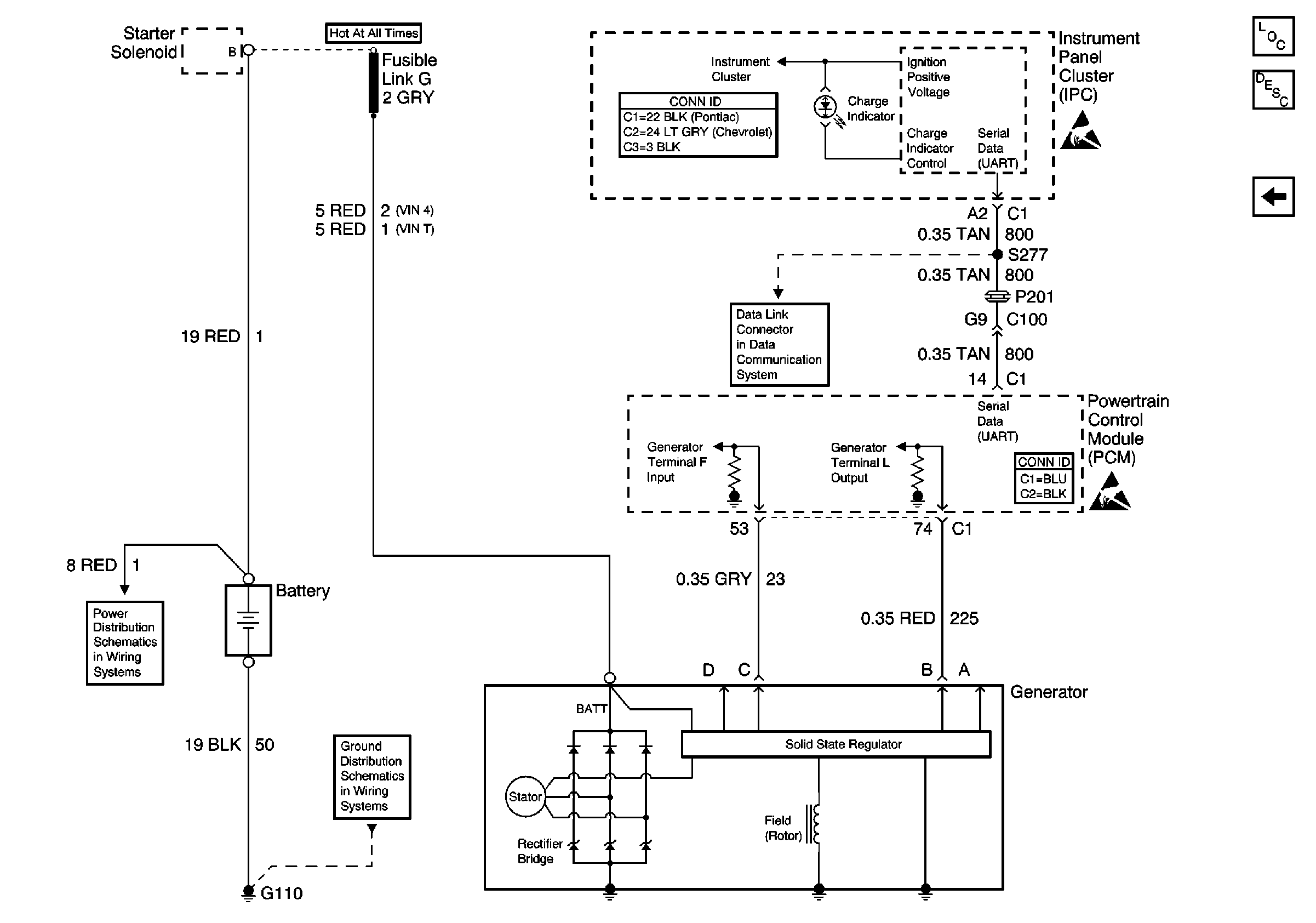
Charging System
Figure
2:
Charging System
Engine Electrical Components
Charging System Circuit Description
Starting System
Handling Electrostatic Discharge Sensitive Parts Notice
Handling Electrostatic Discharge Sensitive Parts Notice