GM Service Manual Online
For 1990-2009 cars only

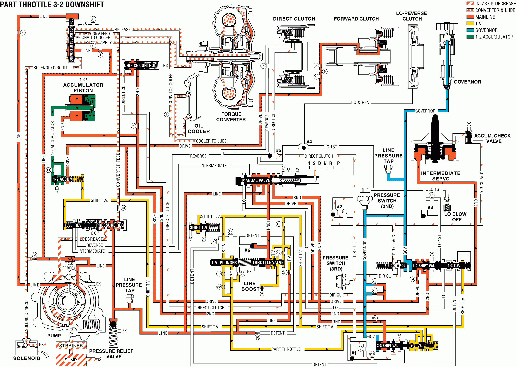
A part throttle 3-2 downshift can be accomplished below approximately 80 km/h (50 mph). Depress the accumulator pedal as far as necessary in order to move the throttle valve (TV) plunger. This movement allows the shift TV oil to enter the part throttle passage. This oil, called Part Throttle (PT) oil, is then routed to the 2-3 TV valve.

Part Throttle oil and the 2-3 spring force will close the 2-3 shift valve against governor oil. This shuts off RND oil to the direct clutch passage. As the direct clutch oil exhausts:

    • The third clutch pressure switch opens releasing the torque converter clutch
    • The direct clutch exhaust checkball seats
    • The oil flows through the two orifices
    • The oil exhausts at the 2-3 shift valve

At the same time, the direct clutch accumulator oil from the intermediate servo also exhausts through the same route as the directed clutch oil. As the direct clutch is released, second oil acts on the servo piston and applies the band for a smooth band apply .

Part Throttle, 3-2 Downshift


Object Number: 261575  Size: FS
Case Cover - Valve Body Side
Case Cover - Valve Body Side
Case Cover - Valve Body Side
Case Cover - Valve Body Side
Case Cover - Valve Body Side
Valve Body Passages - Case Cover Side