GM Service Manual Online
For 1990-2009 cars only
Makes
🢒
Pontiac
🢒
1999
🢒
Sunfire
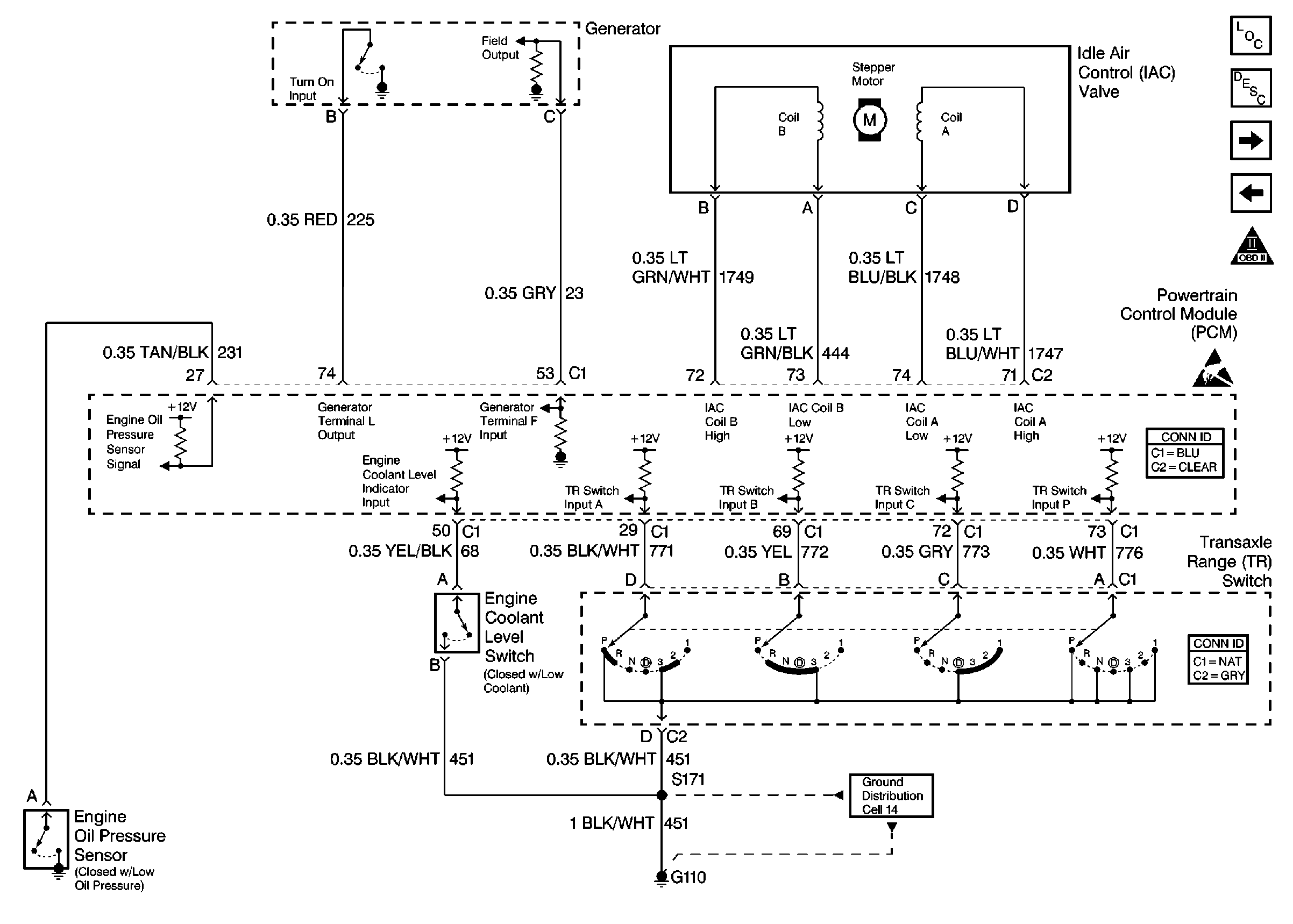
🢒 IAC Valve, Generator, TR and Coolant Switches
IAC Valve, Generator, TR and Coolant Switches
IAC Valve, Generator, TR and Coolant Switches
Engine Controls Components
Information Sensors/Switches Description
VSS and Cruise Control
Oxygen Sensors
OBDII Symbol Description Notice
Handling Electrostatic Discharge Sensitive Parts Notice