GM Service Manual Online
For 1990-2009 cars only
Makes
🢒
Pontiac
🢒
2000
🢒
Sunfire
🢒
HVAC
🢒
HVAC Systems - Manual
🢒 HVAC Compressor Control Schematics
Figure
1:
Heater-A/C and Rear Defogger Control Assembly
HVAC Components
HVAC Compressor Controls Circuit Description
A/C Compressor Clutch Relay
Handling ESD Sensitive Parts Notice
Handling ESD Sensitive Parts Notice
Power Distribution Schematics
Ground Distribution Schematics
HVAC Blower Control Schematics
Data Link Connector Schematics
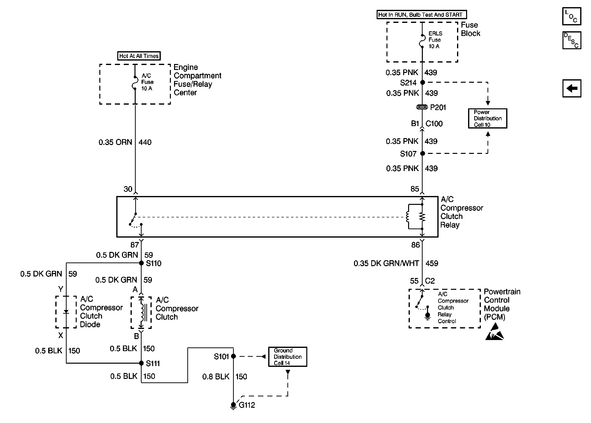
Figure
2:
A/C Compressor Clutch Relay
Heater-A/C and Rear Defogger Control Assembly
HVAC Components
HVAC Compressor Controls Circuit Description
Handling ESD Sensitive Parts Notice
Ground Distribution Schematics
Power Distribution Schematics