GM Service Manual Online
For 1990-2009 cars only

Removal Procedure

  1. Remove the console trim plate. Refer to Console Trim Plate Replacement in Instrument Panel, Gauges and Console.

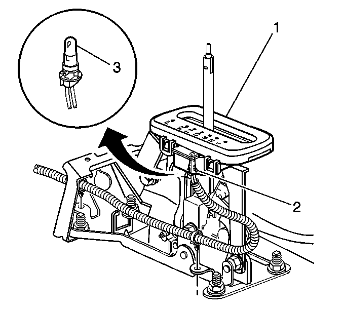
  2. Object Number: 591280  Size: SH
  3. Remove the gear shift handle.
  4. Remove the console. Refer to Console Replacement in Instrument Panel, Gauges and Console.
  5. Disconnect the transmission console socket (2) by twisting counter clockwise.
  6. Pull the bulb (3) from the socket to remove.

Installation Procedure


    Object Number: 591280  Size: SH
  1. Install the transmission console lamp (3) and socket (2).
  2. Install the console. Refer to Console Replacement in Instrument Panel, Gauges and Console.
  3. Install the gear shift handle.
  4. Install the console trim plate. Refer to Console Trim Plate Replacement in Instrument Panel, Gauges and Console.