GM Service Manual Online
For 1990-2009 cars only
Makes
🢒
Pontiac
🢒
2000
🢒
Sunfire
🢒
Body and Accessories
🢒
Instrument Panel, Gauges, and Console
🢒 Audible Warnings Schematics
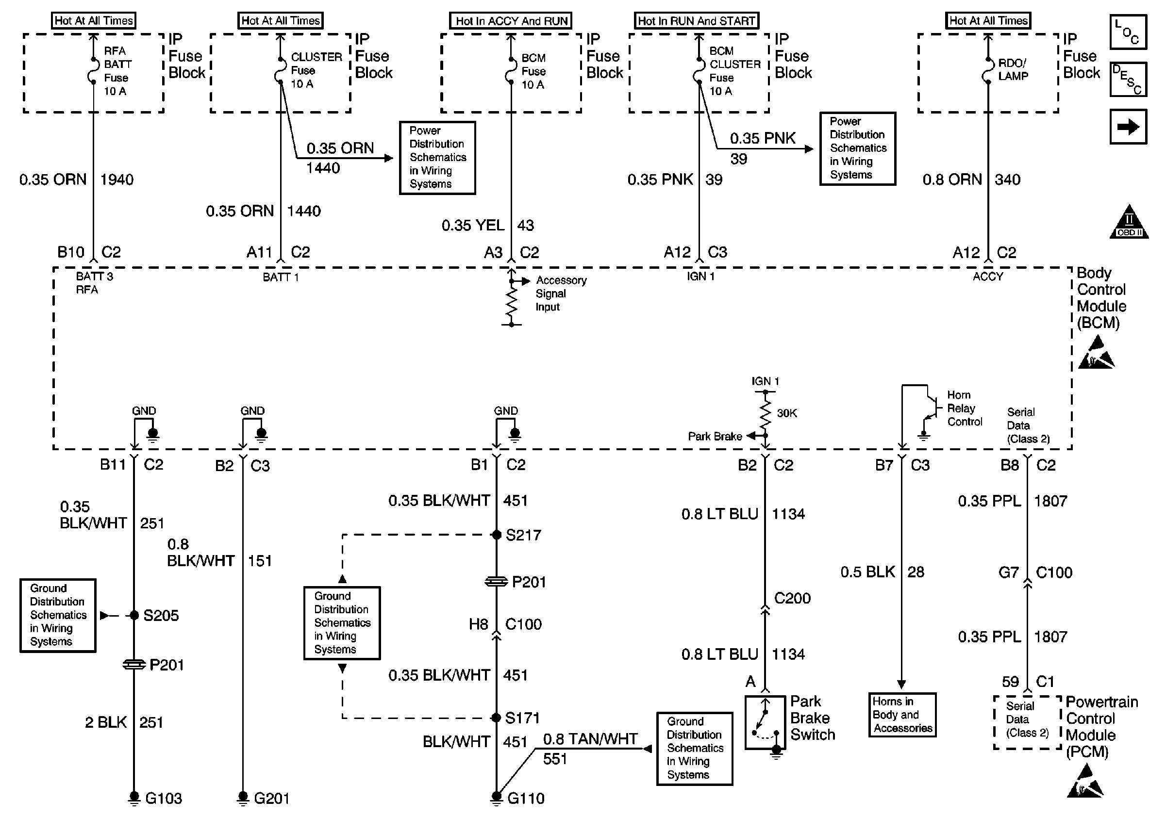
Figure
1:
PWR, GND, BCM, PCM, and Park Brake Indicator Sw
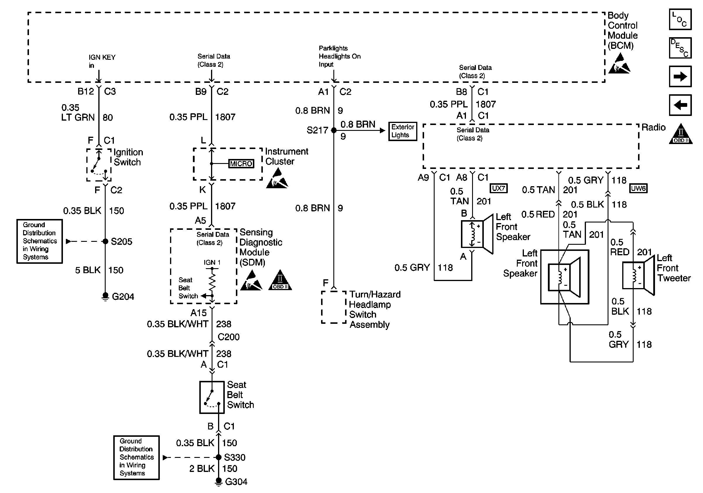
Figure
2:
BCM, PCM, Ign Key Alarm Sw, Seat Belt Sw, and Radio Chime
Figure
3:
BCM, Radio Chime w/ Monsoon Speakers