GM Service Manual Online
For 1990-2009 cars only
Makes
🢒
Pontiac
🢒
2000
🢒
Sunfire
🢒
Body and Accessories
🢒
Theft Deterrent
🢒 Theft Deterrent System Schematics
Figure
1:
Theft Deterrent Passlock⢠Lock Cylinder
Theft Deterrent System Components
Vehicle Theft Deterrent (VTD) Description
TURN-B/U, IGN, PCM IGN, and BCM/CLSTR Fuses
TURN-B/U, IGN, PCM IGN, and BCM/CLSTR Fuses
Figure
2:
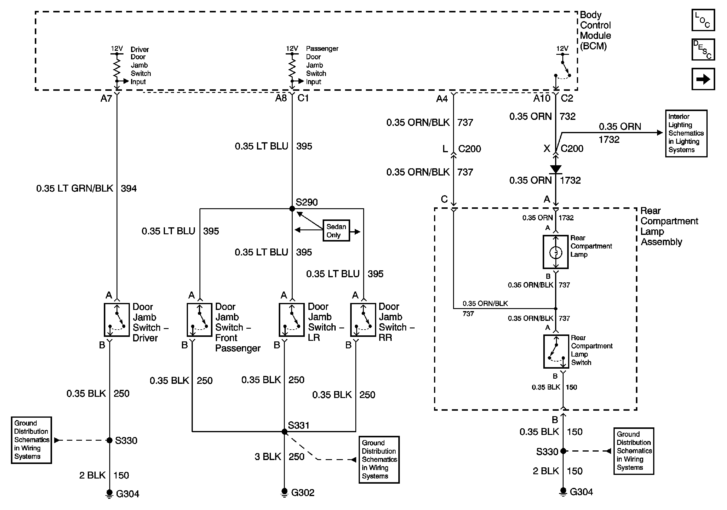
Content Theft Deterrent: Door Jamb Switches and Rear Compartment Lamp Switch
Content Theft Deterrent: DRL, Security Indicator, and Horn
Theft Deterrent System Components
Content Theft Deterrent (CTD) Circuit Description
Body Control Module, Rear Compartment Lamp and Instrument Panel CompartmEnt Lamp/Switch
G304 (2 of 2)
G302
G304 (2 of 2)
Figure
3:
Content Theft Deterrent: DRL, Security Indicator, and Horn
Content Theft Deterrent: Door Jamb Switches and Rear Compartment Lamp Switch
Theft Deterrent System Components
Content Theft Deterrent (CTD) Circuit Description
LT HDLP, CIG, HORN, CLUSTER, EXT LAMP, and FOG LP Fuses
Headlamps, Headlamp Switch and Body Control Module
G102