GM Service Manual Online
For 1990-2009 cars only
Makes
🢒
Pontiac
🢒
2000
🢒
Sunfire
🢒
Body and Accessories
🢒
Cruise Control
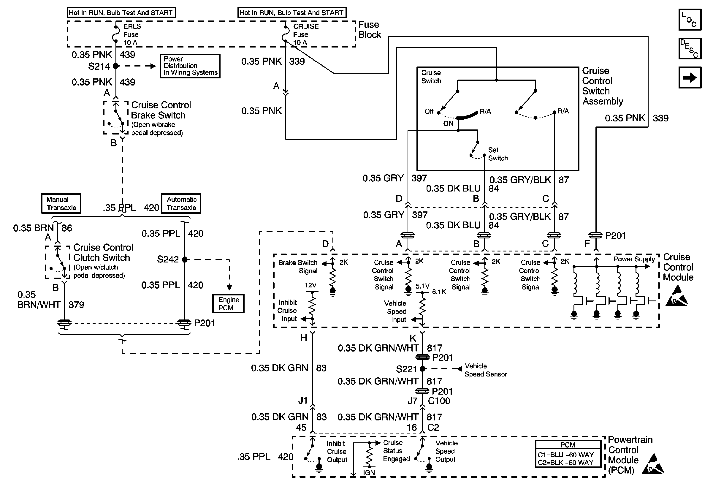
🢒 Cruise Control Schematics
Figure
1:
Cruise Control Module,Switch Assembly and PCM
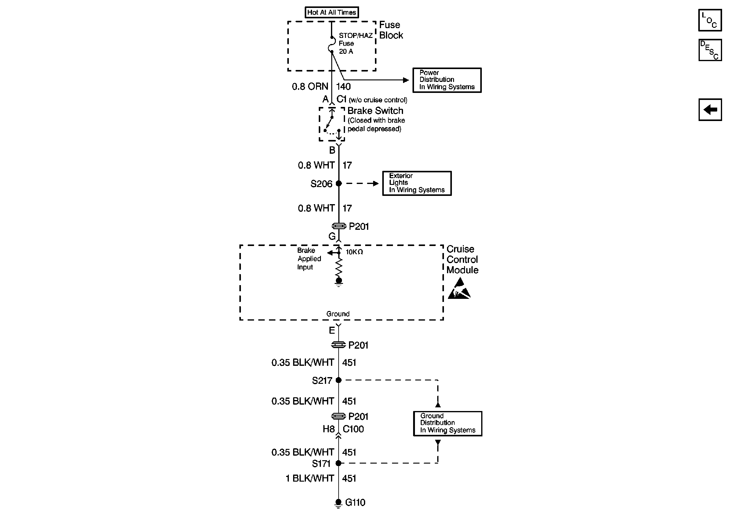
Figure
2:
Cruise Control Module