GM Service Manual Online
For 1990-2009 cars only
Makes
🢒
Pontiac
🢒
2000
🢒
Sunfire
🢒
Body and Accessories
🢒
Retained Accessory Power
🢒 Interior Lights Schematics
Figure
1:
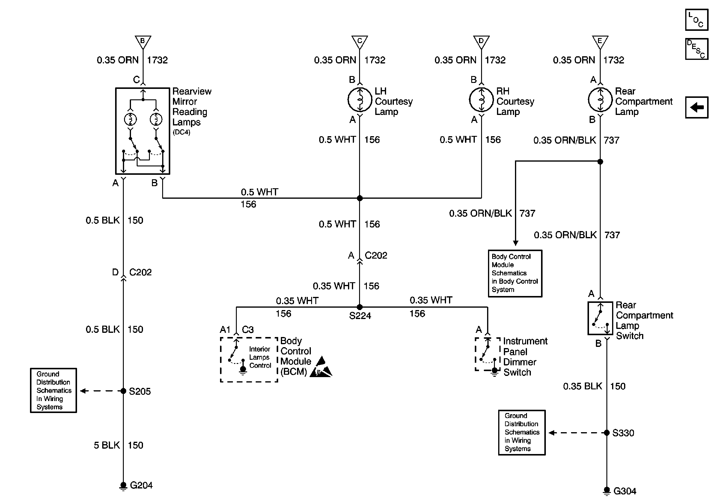
Body Control Module, Rear Compartment Lamp and Instrument Panel Compartment Lamp/Switch
Power Distribution Schematics
Power Distribution Schematics
Interior Lights Circuit Description
Coupe
Coupe
Convertible
Convertible
Convertible
Convertible
Ground Distribution Schematics
Body Control System Schematics
Lighting Systems Components
Figure
2:
Coupe
Body Control Module, Rear Compartment Lamp and Instrument Panel CompartmEnt Lamp/Switch
Ground Distribution Schematics
Ground Distribution Schematics
Interior Lights Circuit Description
Convertible
Body Control Module, Rear Compartment Lamp and Instrument Panel CompartmEnt Lamp/Switch
Lighting Systems Components
Figure
3:
Convertible
Interior Lights Circuit Description
Coupe
Body Control Module, Rear Compartment Lamp and Instrument Panel CompartmEnt Lamp/Switch
Body Control Module, Rear Compartment Lamp and Instrument Panel CompartmEnt Lamp/Switch
Body Control Module, Rear Compartment Lamp and Instrument Panel CompartmEnt Lamp/Switch
Body Control Module, Rear Compartment Lamp and Instrument Panel CompartmEnt Lamp/Switch
Ground Distribution Schematics
Ground Distribution Schematics
Body Control System Schematics
Lighting Systems Components