GM Service Manual Online
For 1990-2009 cars only
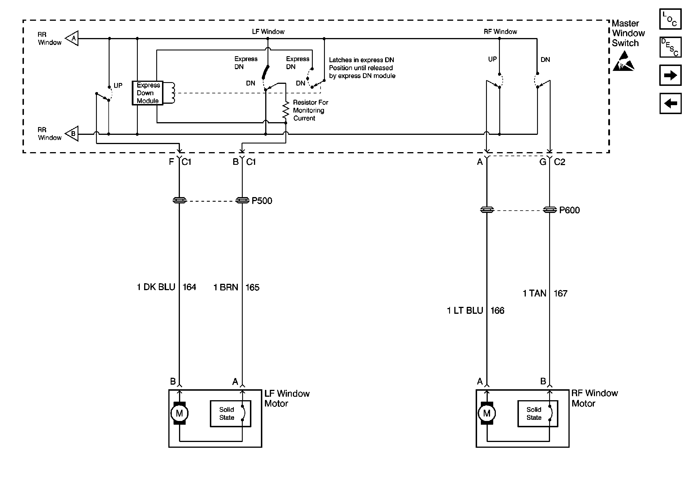
Figure 1:

Pwer Windows (Sedan)


Object Number: 468947  Size: FS
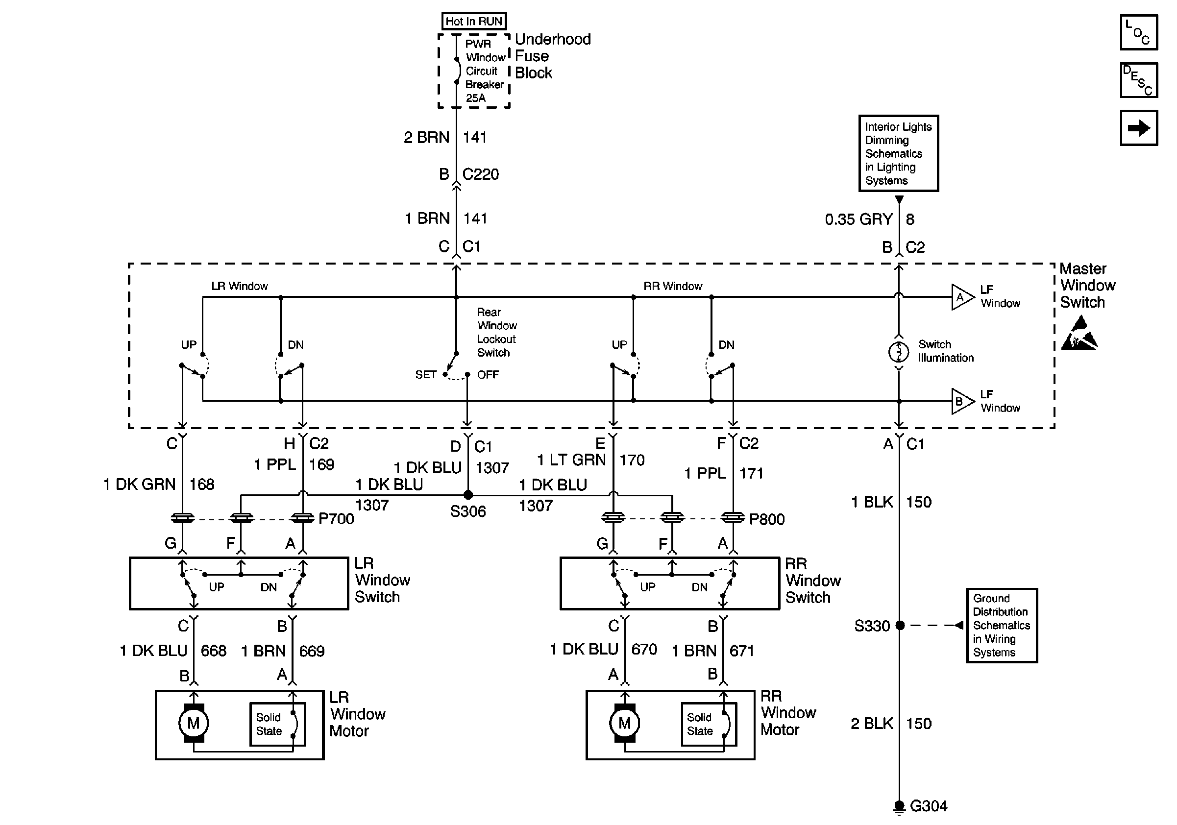
Figure 2:

Power Windows, Front (Sedan)


Object Number: 468978  Size: FS
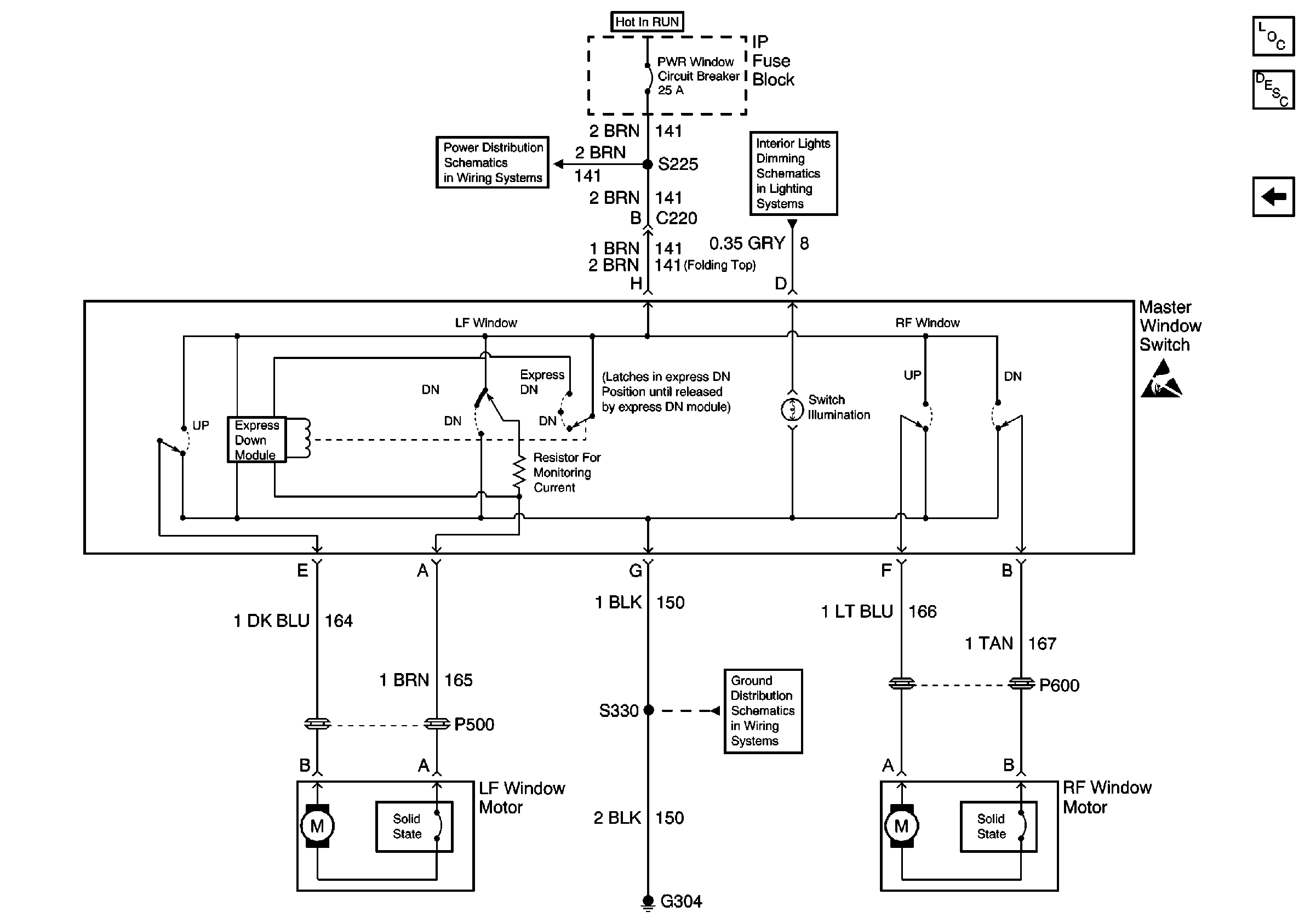
Figure 3:

Power Windows Master Window Switch (Coupe)


Object Number: 468130  Size: FS