GM Service Manual Online
For 1990-2009 cars only
Makes
🢒
Pontiac
🢒
2000
🢒
Sunfire
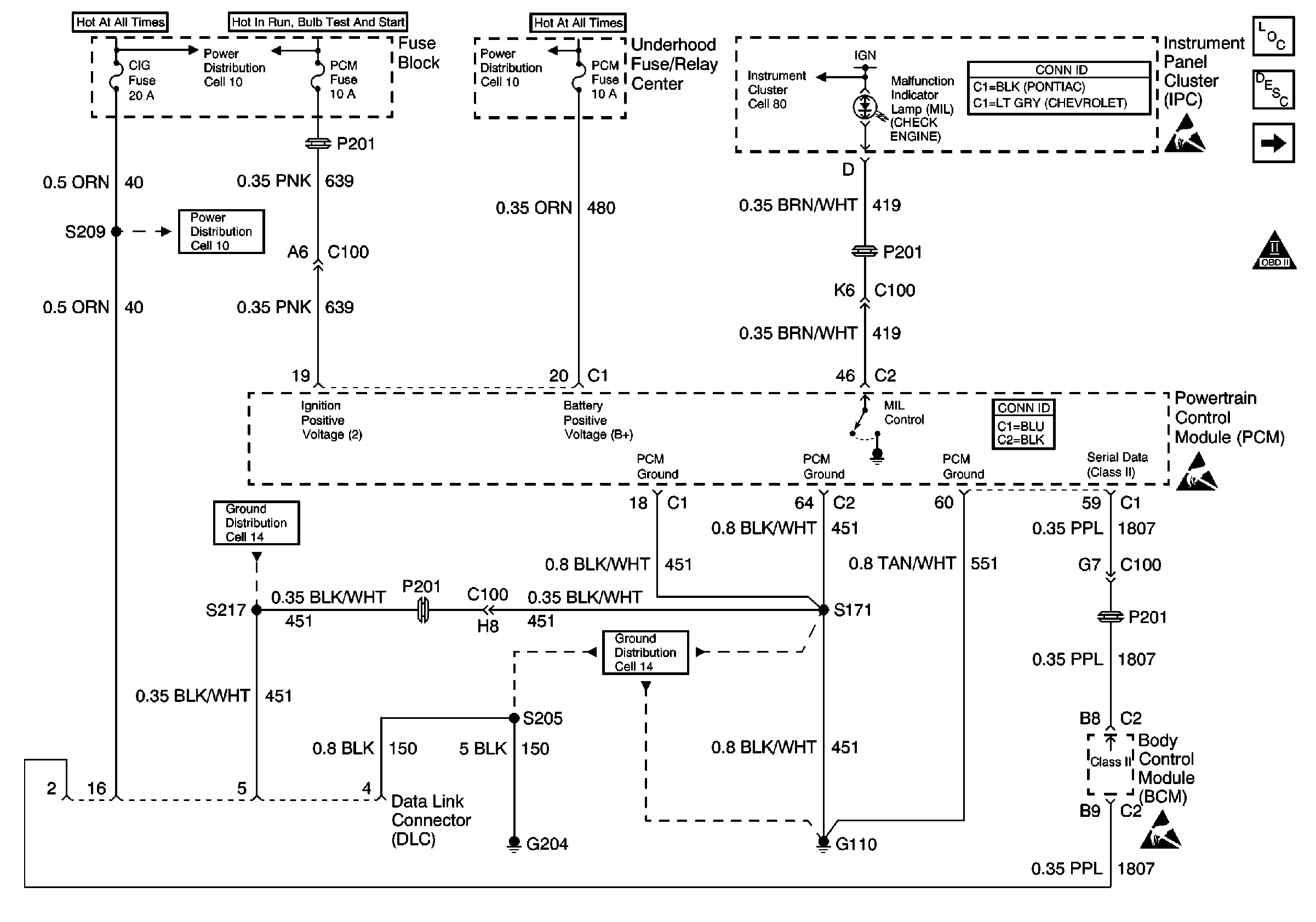
🢒 Power, Ground, DLC and BCM
Power, Ground, DLC and BCM
Power, Ground, DLC and BCM
Engine Controls Components
Powertrain Control Module Description
Power, Ground, KS, CMP, CKP and Coils
OBD II Symbol Description Notice
LT HDLP, CIG, HORN, CLUSTER, EXT LAMP, and FOG LP Fuses
PCM, BLO, and A/C Fuses
Instrument Cluster: Analog Schematics
LT HDLP, CIG, HORN, CLUSTER, EXT LAMP, and FOG LP Fuses
G204 (1 of 2)
G110
Handling ESD Sensitive Parts Notice
Handling ESD Sensitive Parts Notice
Handling ESD Sensitive Parts Notice