GM Service Manual Online
For 1990-2009 cars only
Figure 1:

B+ Bussing


Object Number: 659987  Size: FS
Master Electrical Component List
Underhood Fuse Block BATT 1 Fuse and IP Fuse Block MIRROR, RT HDLP, FLS/PASS, RDO/INTLP, RFA BATT, and AMPL Fuses
G110
Figure 2:

BATT 1 Fuse and IP Fuse Block MIRROR, RT HDLP, FLS/PASS, RDO/INTLP, RFA BATT, and AMPL Fuses


Object Number: 659938  Size: FS
Master Electrical Component List
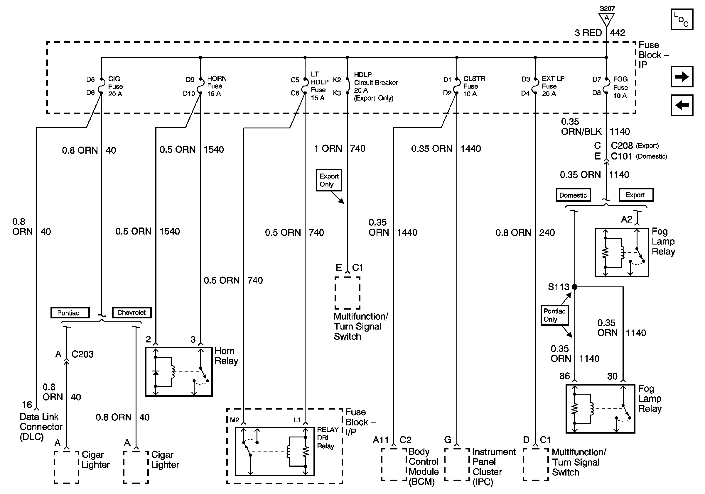
IP Fuse Block CIG, HORN, LT HDLP, CLSTR, EXT, LP, FOG Fuses, and HDLP Circuit Breaker
B+ Bussing
IP Fuse Block CIG, HORN, LT HDLP, CLSTR, EXT, LP, FOG Fuses, and HDLP Circuit Breaker
Figure 3:

IP Fuse Block CIG, HORN, LT HDLP, CLSTR, EXT LP, FOG Fuses and HDLP Circuit Breaker


Object Number: 659982  Size: FS
Master Electrical Component List
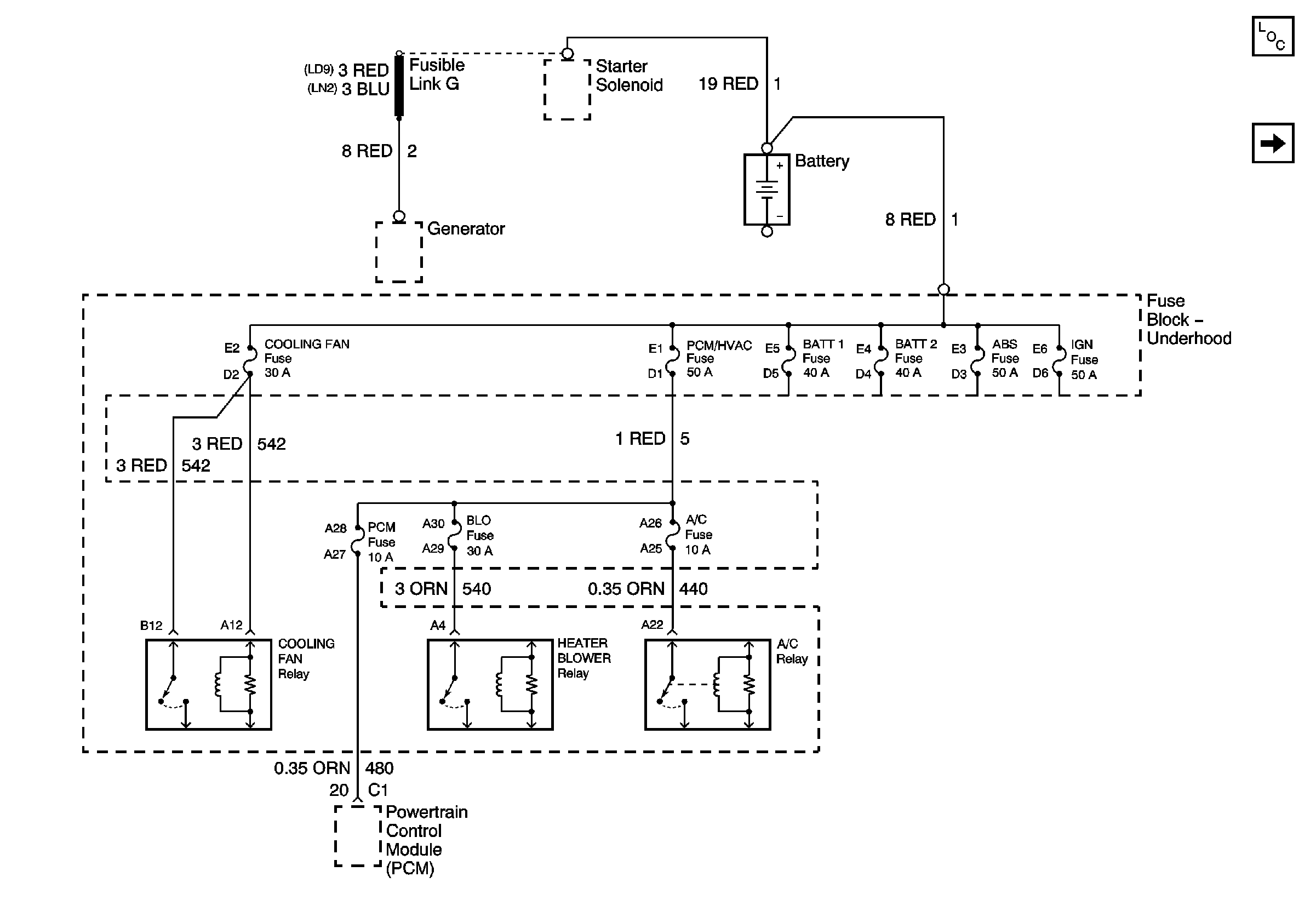
Underhood Fuse Block BATT 2 Fuse, IP Fuse Block RR DEFOG, PWR ACC and STOP/HZD Fuses
Underhood Fuse Block BATT 1 Fuse and IP Fuse Block MIRROR, RT HDLP, FLS/PASS, RDO/INTLP, RFA BATT, and AMPL Fuses
Figure 4:

Underhood Fuse Block BATT 2 Fuse, IP Fuse Block, RR DFOG, PWR ACC, and STOP/HAZ Fuses


Object Number: 659974  Size: FS
Master Electrical Component List
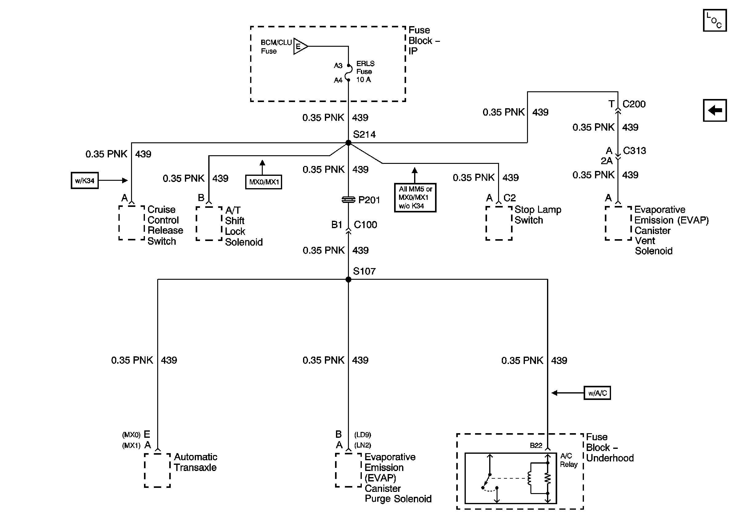
Underhood Fuse Block IGN, and ABS Fuses, IP Fuse Block ABS, F/P - INJ, AIR BG and CRUISE Fuses
IP Fuse Block CIG, HORN, LT HDLP, CLSTR, EXT, LP, FOG Fuses, and HDLP Circuit Breaker
Figure 5:

Underhood Fuse Block IGN and ABS Fuses, IP Fuse Block , ABS, F/P - INJ, AIR BG and CRUISE Fuses


Object Number: 659967  Size: FS
Master Electrical Component List
Underhood Fuse Block CRNK Fuse
Underhood Fuse Block BATT 2 Fuse, IP Fuse Block RR DEFOG, PWR ACC and STOP/HZD Fuses
IP Fuse Block TURN - B/U, IGN MDL, PCM, BCM /CLU Fuses
Underhood Fuse Block CRNK Fuse
Underhood Fuse Block CRNK Fuse
SIR Handling Caution
Figure 6:

Underhood Fuse Block, CRNK Fuse


Object Number: 848524  Size: FS
Master Electrical Component List
IP Fuse Block BCM, WIPER, HVAC, O2 HTR Fuses and PWR WDO Circuit Breaker
Underhood Fuse Block IGN, and ABS Fuses, IP Fuse Block ABS, F/P - INJ, AIR BG and CRUISE Fuses
Underhood Fuse Block IGN, and ABS Fuses, IP Fuse Block ABS, F/P - INJ, AIR BG and CRUISE Fuses
Underhood Fuse Block IGN, and ABS Fuses, IP Fuse Block ABS, F/P - INJ, AIR BG and CRUISE Fuses
Figure 7:

IP Fuse Block BCM, WIPER, HVAC, O2 HTR Fuses and PWR WDO Circuit Breaker


Object Number: 659963  Size: FS
Master Electrical Component List
IP Fuse Block TURN - B/U, IGN MDL, PCM, BCM /CLU Fuses
Underhood Fuse Block CRNK Fuse
Underhood Fuse Block IGN, and ABS Fuses, IP Fuse Block ABS, F/P - INJ, AIR BG and CRUISE Fuses
Underhood Fuse Block IGN, and ABS Fuses, IP Fuse Block ABS, F/P - INJ, AIR BG and CRUISE Fuses
Figure 8:

IP Fuse Block TURN - B/U, IGN MDL, PCM, and BCM/CLU Fuses


Object Number: 659947  Size: FS
Master Electrical Component List
IP Fuse Block ERLS Fuse
IP Fuse Block BCM, WIPER, HVAC, O2 HTR Fuses and PWR WDO Circuit Breaker
IP Fuse Block ERLS Fuse
Underhood Fuse Block IGN, and ABS Fuses, IP Fuse Block ABS, F/P - INJ, AIR BG and CRUISE Fuses
Figure 9:

IP Fuse Block ERLS Fuse


Object Number: 659934  Size: FS
Master Electrical Component List
IP Fuse Block TURN - B/U, IGN MDL, PCM, BCM /CLU Fuses
IP Fuse Block TURN - B/U, IGN MDL, PCM, BCM /CLU Fuses