GM Service Manual Online
For 1990-2009 cars only
Makes
🢒
Pontiac
🢒
2001
🢒
Sunfire
🢒
Body and Accessories
🢒
Lighting Systems
🢒 Fog Lights Schematics
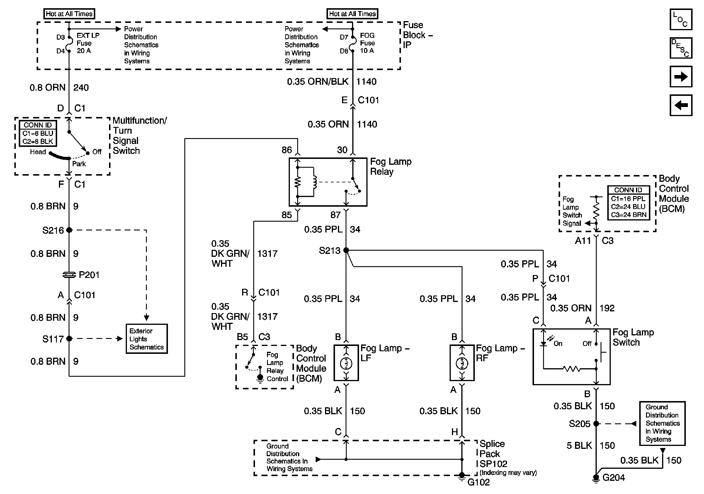
Figure
1:
Domestic -- Pontiac
Master Electrical Component List
G204 1 of 2
IP Fuse Block CIG, HORN, LT HDLP, CLSTR, EXT, LP, FOG Fuses, and HDLP Circuit Breaker
G102 - 1 of 2
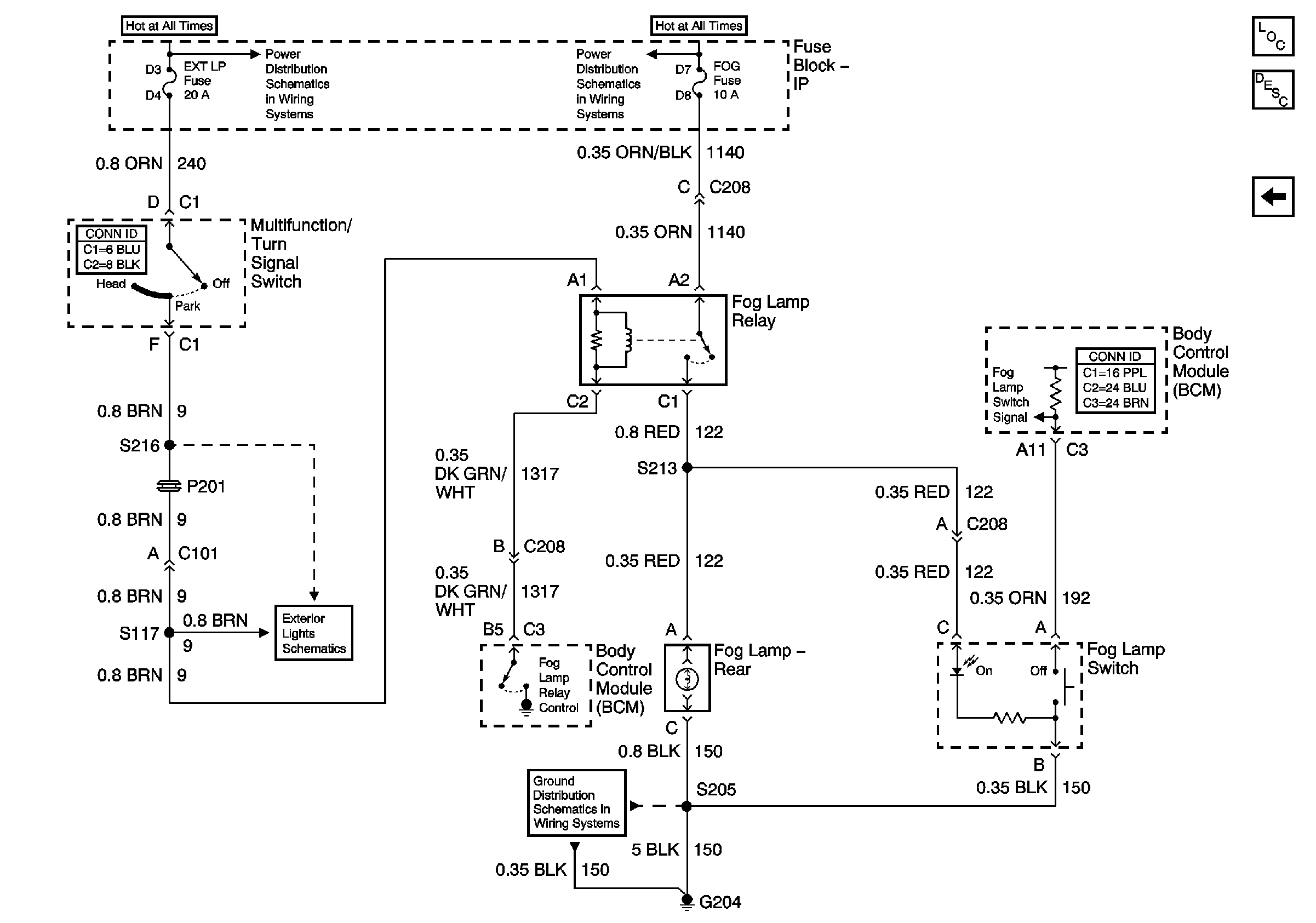
Figure
2:
Domestic -- Chevrolet
Master Electrical Component List
Export
Domestic - Pontiac
G204 1 of 2
IP Fuse Block CIG, HORN, LT HDLP, CLSTR, EXT, LP, FOG Fuses, and HDLP Circuit Breaker
G102 - 1 of 2
Park Lamp Controls and Front Lamps - Chevrolet
Park Lamp Controls and Front Lamps - Chevrolet
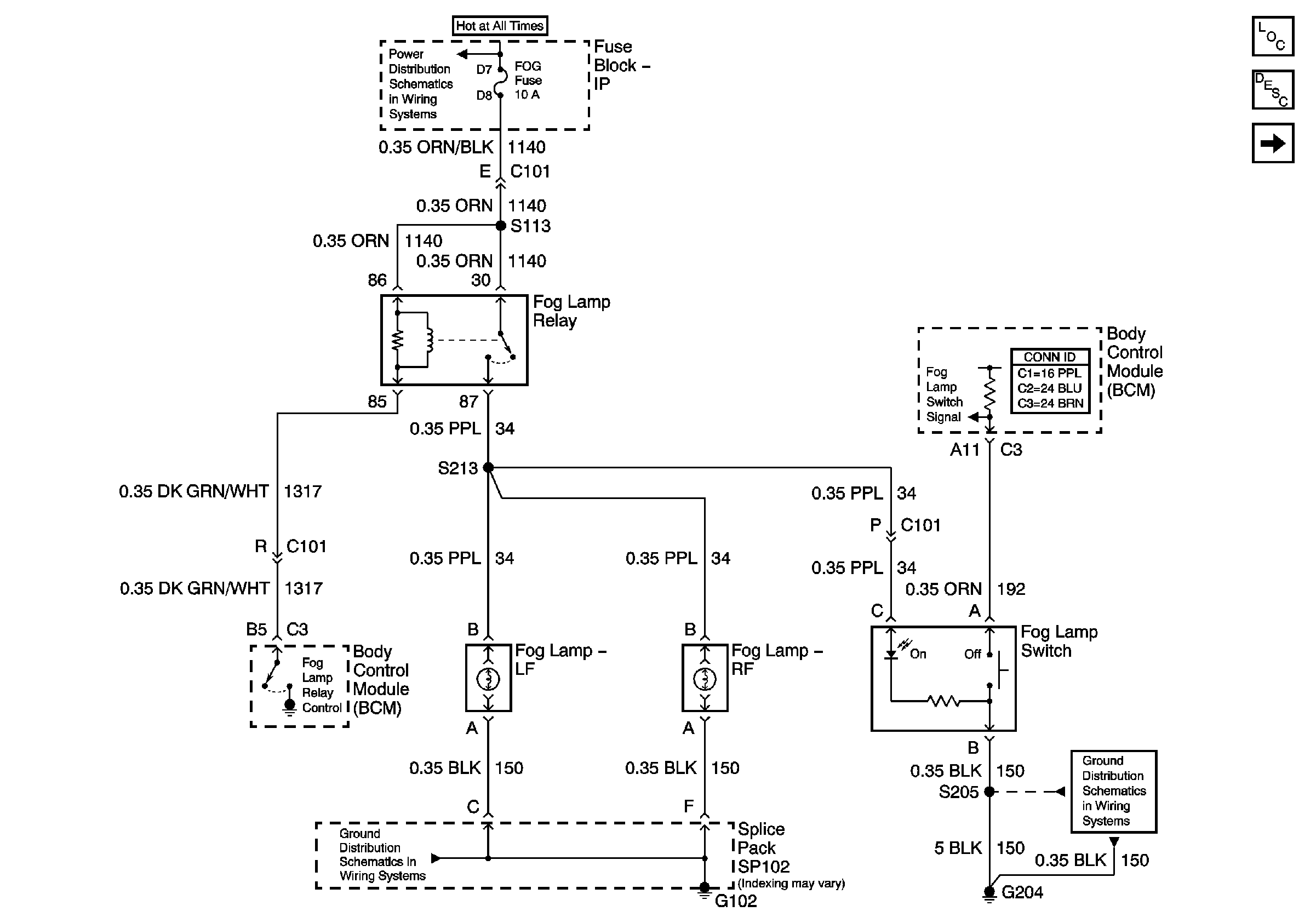
Figure
3:
Export
Master Electrical Component List
Domestic - Chevrolet
G204 2 of 2
IP Fuse Block CIG, HORN, LT HDLP, CLSTR, EXT, LP, FOG Fuses, and HDLP Circuit Breaker
G102 - 1 of 2
Park Lamp Controls and Front Lamps - Chevrolet
Park Lamp Controls and Front Lamps - Chevrolet