GM Service Manual Online
For 1990-2009 cars only
Makes
🢒
Pontiac
🢒
2001
🢒
Sunfire
🢒
Body and Accessories
🢒
Roof
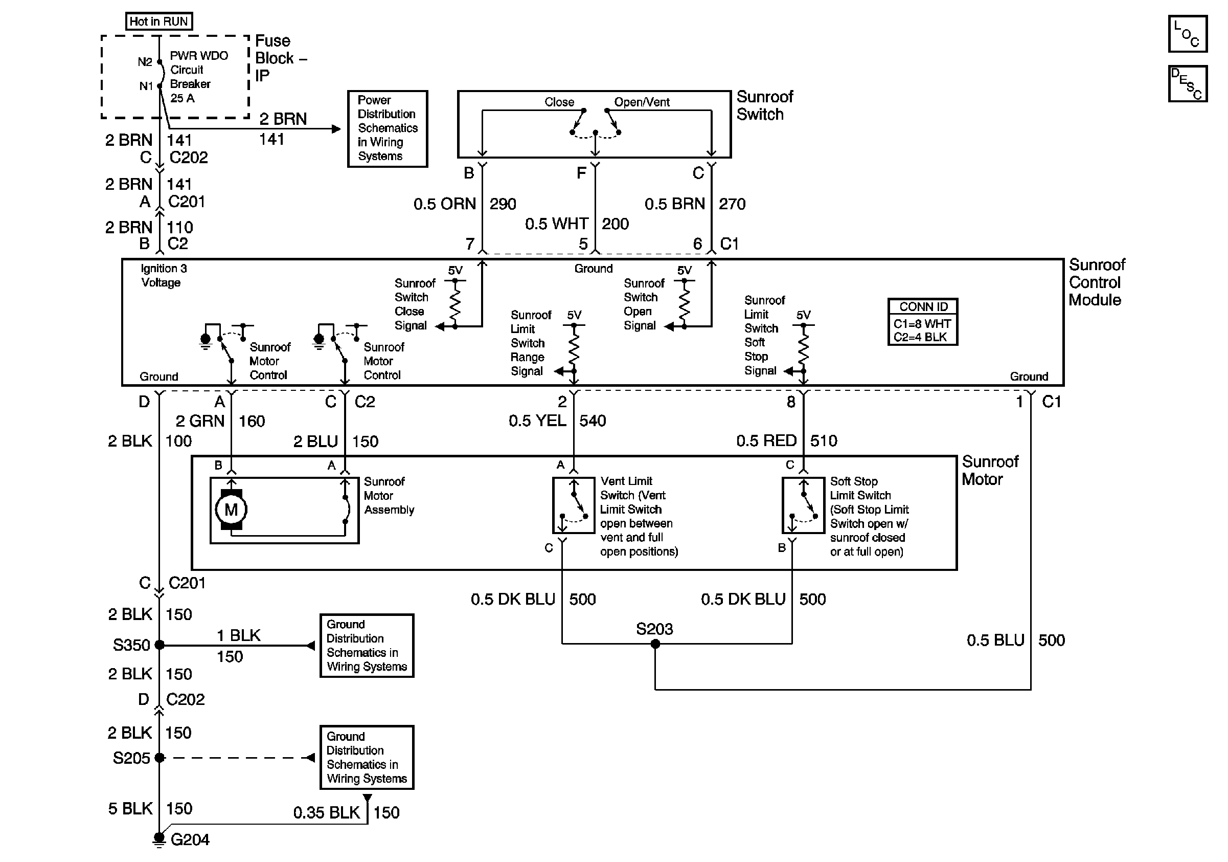
🢒 Sunroof Schematics
Master Electrical Component List
IP Fuse Block BCM, WIPER, HVAC, O2 HTR Fuses and PWR WDO Circuit Breaker
IP Fuse Block BCM, WIPER, HVAC, O2 HTR Fuses and PWR WDO Circuit Breaker