GM Service Manual Online
For 1990-2009 cars only
Makes
🢒
Pontiac
🢒
2001
🢒
Sunfire
🢒
Body and Accessories
🢒
Wiring Systems
🢒 Headlights/Daytime Running Lights (DRL) Schematics
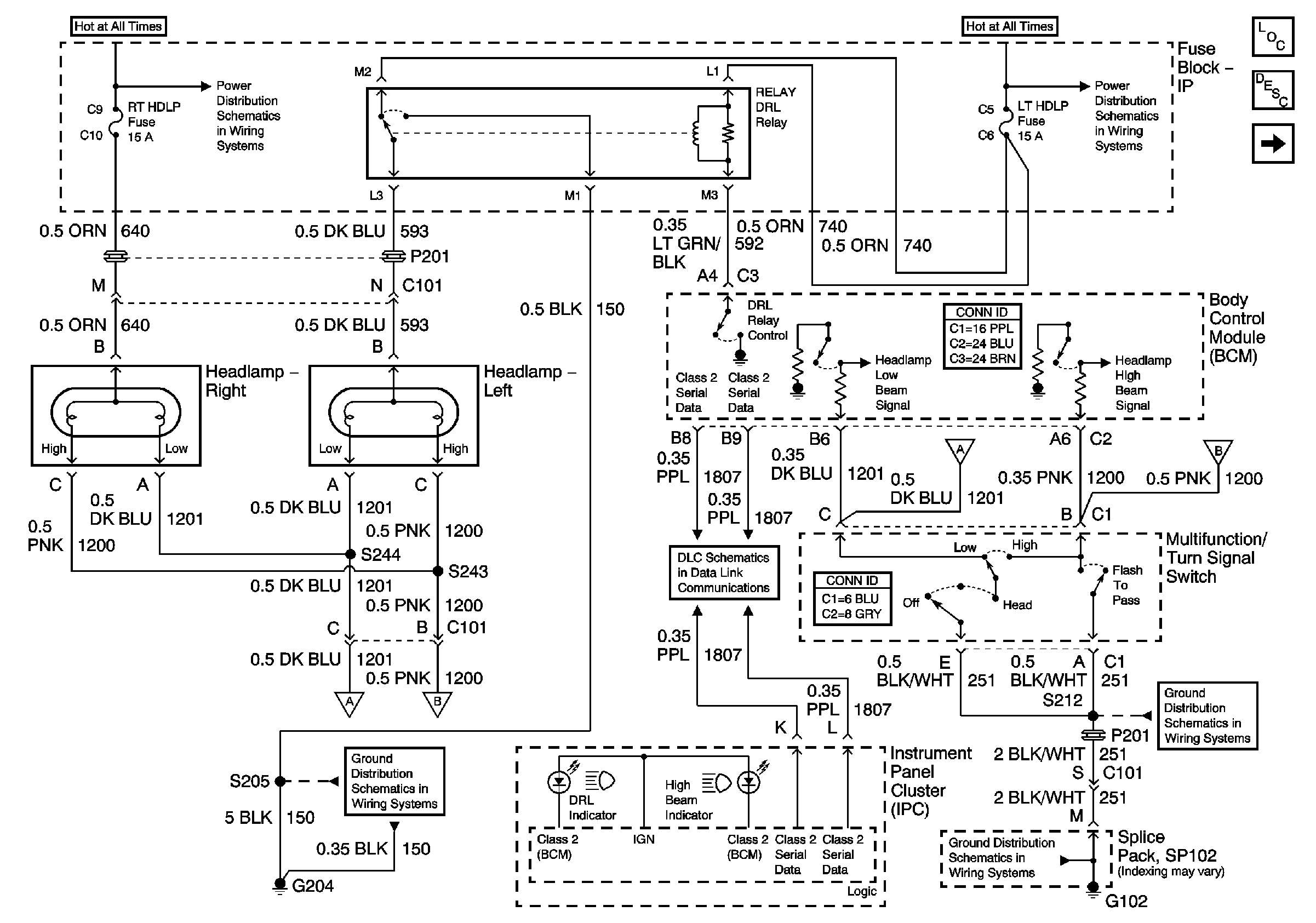
Figure
1:
Domestic and Indicators
Master Electrical Component List
Underhood Fuse Block BATT 1 Fuse and IP Fuse Block MIRROR, RT HDLP, FLS/PASS, RDO/INTLP, RFA BATT, and AMPL Fuses
Export
G102 - 1 of 2
G102 - 1 of 2
G204 1 of 2
Underhood Fuse Block BATT 1 Fuse and IP Fuse Block MIRROR, RT HDLP, FLS/PASS, RDO/INTLP, RFA BATT, and AMPL Fuses
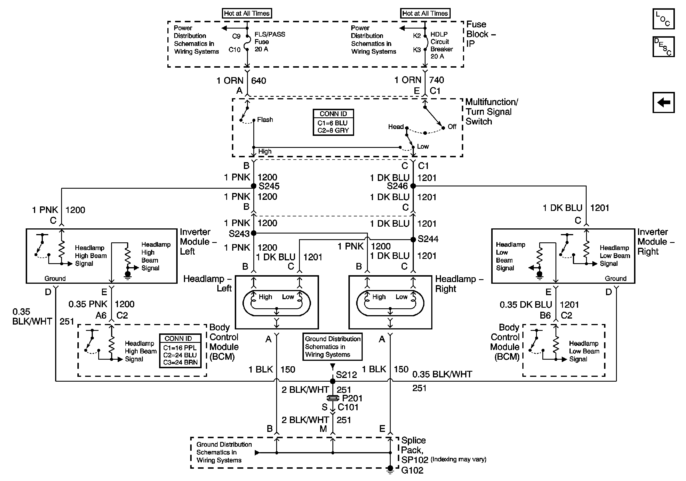
Figure
2:
Export
Master Electrical Component List
Exterior Lighting Systems Description and Operation
Domestic and Indicators
G102 - 1 of 2
Underhood Fuse Block BATT 1 Fuse and IP Fuse Block MIRROR, RT HDLP, FLS/PASS, RDO/INTLP, RFA BATT, and AMPL Fuses
IP Fuse Block CIG, HORN, LT HDLP, CLSTR, EXT, LP, FOG Fuses, and HDLP Circuit Breaker