GM Service Manual Online
For 1990-2009 cars only
Figure 1:

Left Side of the Instrument Panel


Object Number: 600093  Size: SF
(1)Traction Control Switch Connector
(2)Ignition Switch
(3)Traction Control/Fog/I/P Dimmer Switch Assembly
(4)I/P Dimmer Switch Connector
(5)Fog Lamp Switch Connector
Figure 2:

Left Side of the Instrument Panel (Chevrolet)


Object Number: 600092  Size: LF
(1)Fog Lamp/IP Dimmer Switch Asembly
(2)IP Dimmer Switch Connector
Figure 3:

Headliner


Object Number: 577931  Size: LF
(1)Courtesy Reading Lamp - Right
(2)Courtesy Reading Lamp Switch - Right
(3)C202
(4)Courtesy Reading Lamp Switch -- Left
(5)Coutesy Reading Lamp -- Left
(6)Dome Lamp Assembly
Figure 4:

Rearview Mirror Lamps


Object Number: 577933  Size: LF
(1)Rearview Mirror Reading Lamps
Figure 5:

Steering Column Components


Object Number: 600090  Size: LF
(1)Wiper Switch Connector
(2)Passlockā„¢ Sensor Connector
(3)Wiper/Washer Switch
(4)Headlamp/Cruise Control Switch
(5)Headlamp and Turn Signal Switch Connectors
(6)Cruise Control Switch Connector
Figure 6:

Rear Package Shelf


Object Number: 545622  Size: LF
(1)Speaker -- LR
(2)Rear Compartment Lamp Switch
(3)Speaker -- RR
(4)Center High Mounted Stop Lamps (CHMSL)
Figure 7:

Rear Package Shelf


Object Number: 600091  Size: LF
(1)Rear Compartment Lamp
(2)Rear Compartment Lamp/Switch Connector
Figure 8:

LF Fender


Object Number: 600089  Size: LF
(1)Headlamp -- Left
(2)Fog Lamp Relay
Figure 9:

In Front of the Engine Compartment


Object Number: 600088  Size: LF
(1)Headlamp Bulb Connector
(2)Headlamp Assembly
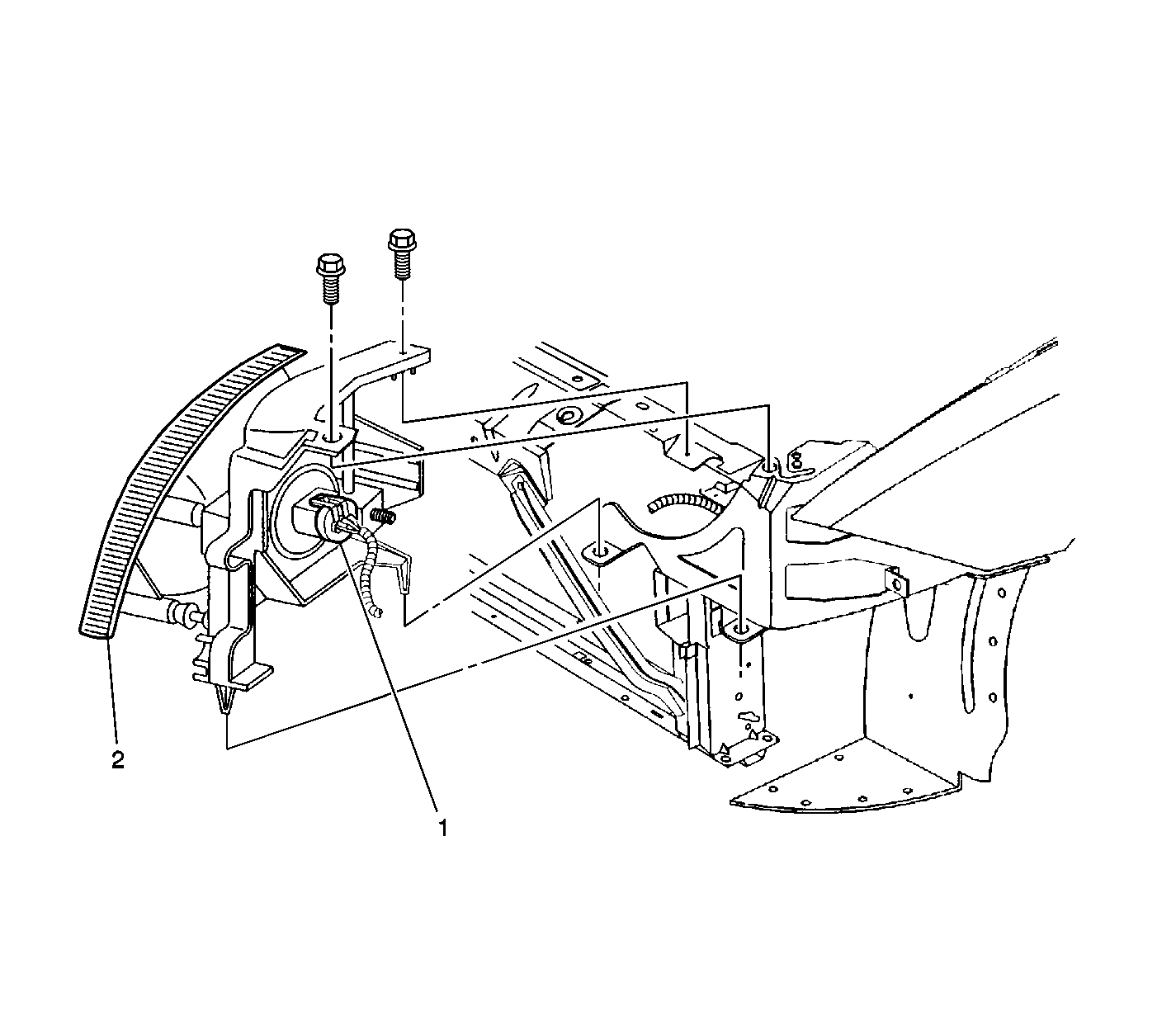
Figure 10:

Under Center Console


Object Number: 600094  Size: LF
(1)Shift Indicator Lamp