GM Service Manual Online
For 1990-2009 cars only
Makes
🢒
Pontiac
🢒
2001
🢒
Sunfire
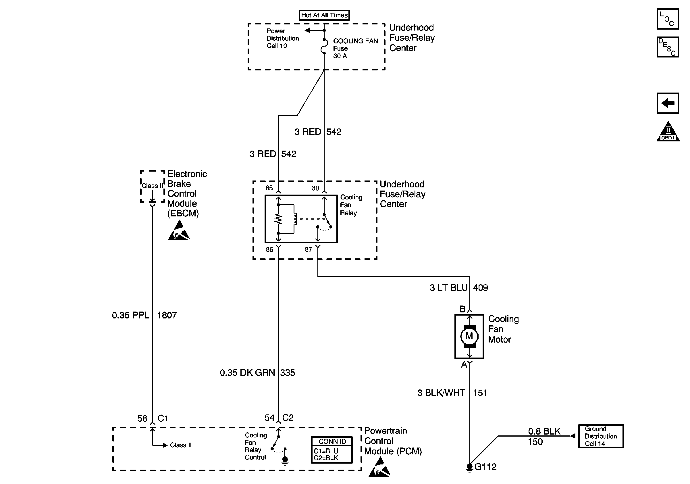
🢒 Power, Ground, EBCM, and Cooling Fan Motor
Power, Ground, EBCM, and Cooling Fan Motor
Power, Ground, EBCM, and Cooling Fan Motor
Engine Controls Components
Powertrain Control Module Description
Automatic Transaxle
OBD II Symbol Description Notice
Handling ESD Sensitive Parts Notice
Handling ESD Sensitive Parts Notice
G112 and G106
Cooling Fan, BATT1, BATT2, IGN, PCM/HVAC and ABS Fuses