GM Service Manual Online
For 1990-2009 cars only
Makes
🢒
Pontiac
🢒
2004
🢒
Sunfire
🢒
Engine
🢒
Engine Electrical
🢒 Starting and Charging Schematics
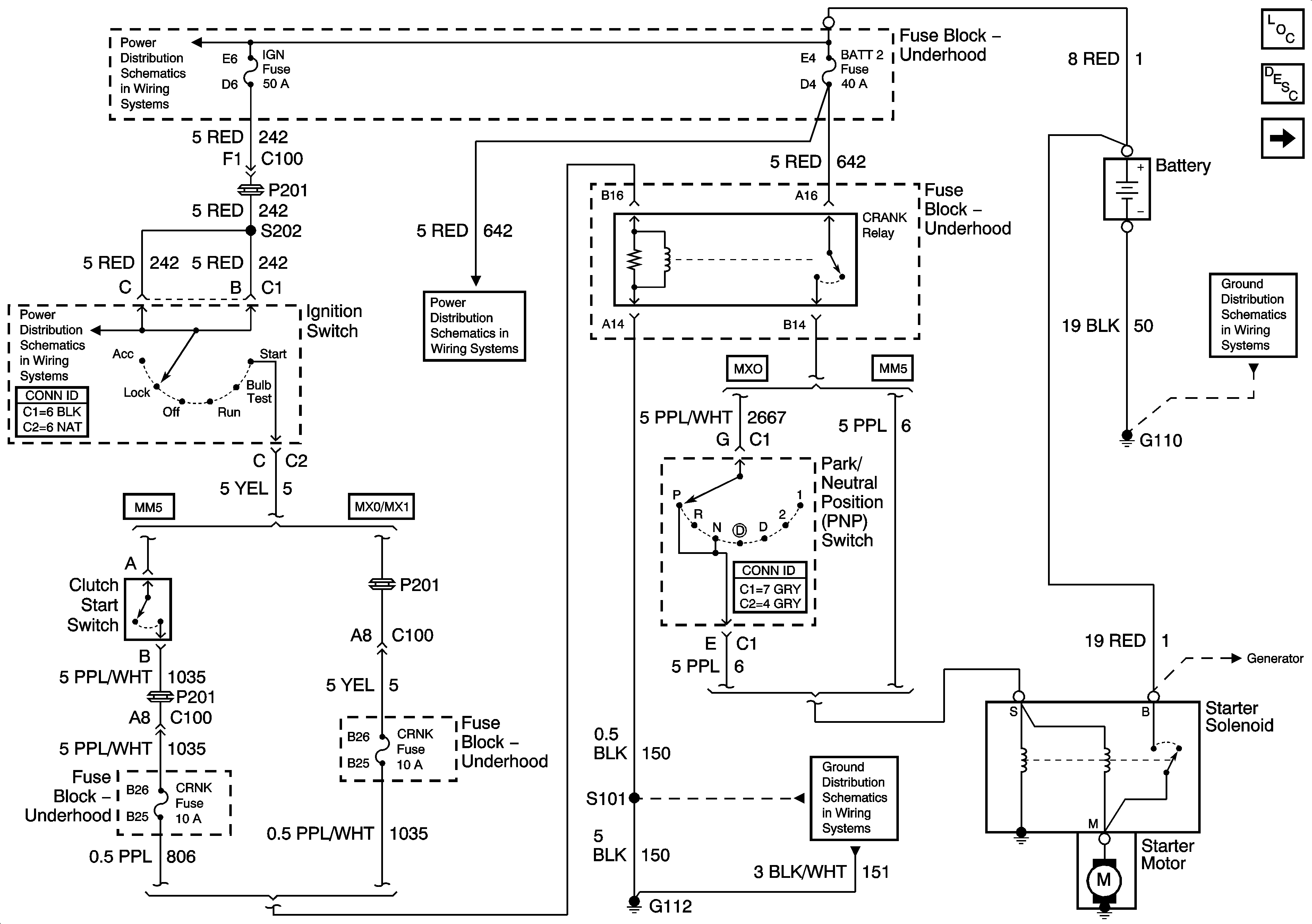
Figure
1:
Starting Systems
Master Electrical Component List
Starting System Description and Operation
Charging System
Fuse Block - Underhood B+ Bus Bar
G110
Fuse Block - Underhood B+ Bus Bar
G112
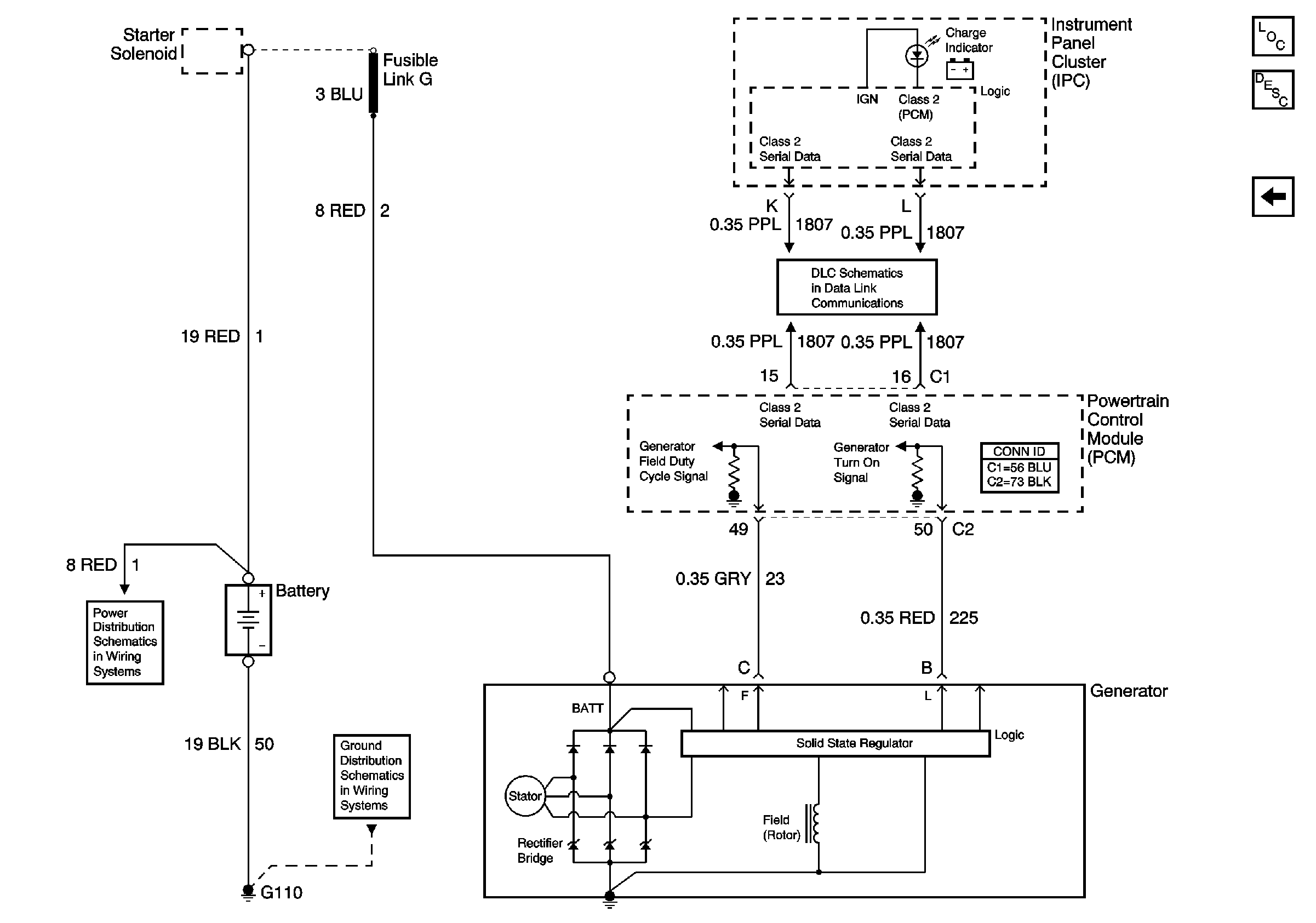
Figure
2:
Charging Systems
Master Electrical Component List
Charging System Description and Operation
Starting Systems
Fuse Block-Underhood B+ Buss Bar
G110
Data Link Communication (DLC)