GM Service Manual Online
For 1990-2009 cars only
Figure 1:

FUSE BLOCK - UNDERHOOD B+ BAR


Object Number: 885683  Size: FS
Master Electrical Component List
Fuse Block Underhood, Batt 1 Fuse, Fuse Block I/P, MIR/DLC, RT HDLP, FLS/PASS, RDO/INTLP, RFA BATT, AMPL Fuses
Figure 2:

FUSE BLOCK - UNDERHOOD BATT 1 FUSE, FUSE BLOCK - I/P MIR/DLC, RT HDLP, FLS/PASS, RDO/INTLP, RFA/BATT, AMPL FUSES


Object Number: 885675  Size: FS
Master Electrical Component List
Fuse Block-I/P CIG, HORN, LT HDLP, CLSTR, EXT LP, FOG Fuses, and HDLP Circuit Breaker
Fuse Block - Underhood B+ Bus Bar
Fuse Block I/P, CIG, HORN, LT HDLP, CLUSTER, EXT LP, FOG Fuses and HDLP Circuit Breaker
Figure 3:

FUSE BLOCK - I/P CIG, HORN, LT HDLP, CLUSTR, EXT LP, FOG FUSES and HDLP CIRCUIT BREAKER


Object Number: 885684  Size: FS
Master Electrical Component List
Fuse Block Underhood, BATT 2, Fuse Block I/P, RR DEFOG, PWR ACCC, APO, STOP/HZD, Fuses
Fuse Block Underhood, Batt 1 Fuse, Fuse Block I/P, MIR/DLC, RT HDLP, FLS/PASS, RDO/INTLP, RFA BATT, AMPL Fuses
Fuse Block Underhood, Batt 1 Fuse, Fuse Block I/P, MIR/DLC, RT HDLP, FLS/PASS, RDO/INTLP, RFA BATT, AMPL Fuses
Figure 4:

FUSE BLOCK - UNDERHOOD BATT 2, FUSE BLOCK - I/P RR DEFOG, PWR ACC, APO, STOP/HZD, FUSES


Object Number: 885685  Size: FS
Master Electrical Component List
Fuse Block Underhood, IGN, ABS, Fuse Block I/P, ABS, F/P INJ, AIR BG, CRUISE Fuses
Fuse Block I/P, CIG, HORN, LT HDLP, CLUSTER, EXT LP, FOG Fuses and HDLP Circuit Breaker
Figure 5:

FUSE BLOCK - UNDERHOOD IGN, ABS, FUSE BLOCK - I/P ABS, F/P-INJ, AIR BG, CRUISE FUSES


Object Number: 885686  Size: FS
Master Electrical Component List
Fuse Block - I/P, F/P INJ Fuses
Fuse Block Underhood, BATT 2, Fuse Block I/P, RR DEFOG, PWR ACCC, APO, STOP/HZD, Fuses
Fuse Block - I/P, WIPER, BCM, HVAC, 02 HTR, Fuses and PWR WIDO Circuit Breaker
Fuse Block - Underhood CRNK Fuses
Fuse Block - I/P, WIPER, BCM, HVAC, 02 HTR, Fuses and PWR WIDO Circuit Breaker
Fuse Block I/P, TURN B/U, IGN MDL, PCM, BCM/CLU Fuses
Fuse Block - I/P, F/P INJ Fuses
SIR Caution for Zoning
Figure 6:

FUSE BLOCK I/P F/P-INJ FUSE


Object Number: 885687  Size: FS
Master Electrical Component List
Fuse Block - Underhood CRNK Fuses
Fuse Block Underhood, IGN, ABS, Fuse Block I/P, ABS, F/P INJ, AIR BG, CRUISE Fuses
Fuse Block Underhood, IGN, ABS, Fuse Block I/P, ABS, F/P INJ, AIR BG, CRUISE Fuses
Figure 7:

FUSE BLOCK - UNDERHOOD CRNK FUSE


Object Number: 885688  Size: FS
Master Electrical Component List
Fuse Block - I/P, WIPER, BCM, HVAC, 02 HTR, Fuses and PWR WIDO Circuit Breaker
Fuse Block - I/P, F/P INJ Fuses
Fuse Block Underhood, IGN, ABS, Fuse Block I/P, ABS, F/P INJ, AIR BG, CRUISE Fuses
Figure 8:

FUSE BLOCK - I/P WIPER, BCM, HVAC, 02 HTR FUSES AND PWR WDO CIRCUIT BREAKER


Object Number: 885689  Size: FS
Master Electrical Component List
Fuse Block I/P, TURN B/U, IGN MDL, PCM, BCM/CLU Fuses
Fuse Block - Underhood CRNK Fuses
Fuse Block Underhood, IGN, ABS, Fuse Block I/P, ABS, F/P INJ, AIR BG, CRUISE Fuses
Fuse Block Underhood, IGN, ABS, Fuse Block I/P, ABS, F/P INJ, AIR BG, CRUISE Fuses
Figure 9:

Fuse Block I/P, TURN B/U, IGN MDL, PCM, BCM/CLU Fuses


Object Number: 885691  Size: FS
Master Electrical Component List
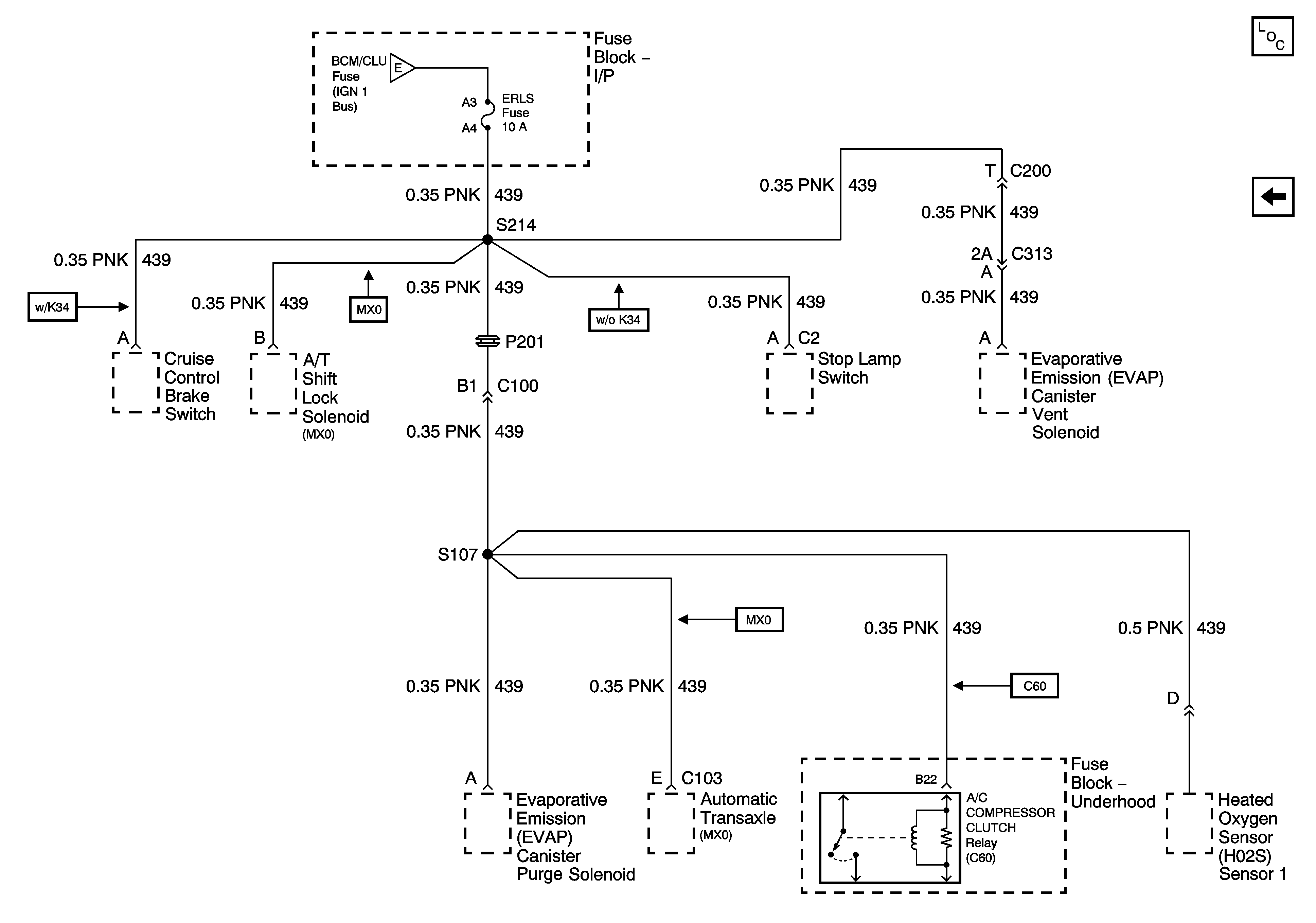
Fuse Block I/P, ERLS Fuses
Fuse Block - I/P, WIPER, BCM, HVAC, 02 HTR, Fuses and PWR WIDO Circuit Breaker
Fuse Block Underhood, IGN, ABS, Fuse Block I/P, ABS, F/P INJ, AIR BG, CRUISE Fuses
Fuse Block I/P, ERLS Fuses
Figure 10:

FUSE BLOCK - I/P ERLS FUSES


Object Number: 885692  Size: FS
Master Electrical Component List
Fuse Block I/P, TURN B/U, IGN MDL, PCM, BCM/CLU Fuses
Fuse Block I/P, TURN B/U, IGN MDL, PCM, BCM/CLU Fuses