GM Service Manual Online
For 1990-2009 cars only
Makes
🢒
Pontiac
🢒
2004
🢒
Sunfire
🢒 Indicators and Switches
Indicators and Switches
Indicators and Switches
Master Electrical Component List
ABS Description and Operation
Wheel Speed Sensors
Module Power and Ground
Fuse Block Underhood, BATT 2, Fuse Block I/P, RR DEFOG, PWR ACCC, APO, STOP/HZD, Fuses
Fuse Block Underhood, BATT 2, Fuse Block I/P, RR DEFOG, PWR ACCC, APO, STOP/HZD, Fuses
Lamp Control, Rear Turn Lamps and Indicators
Release Signals
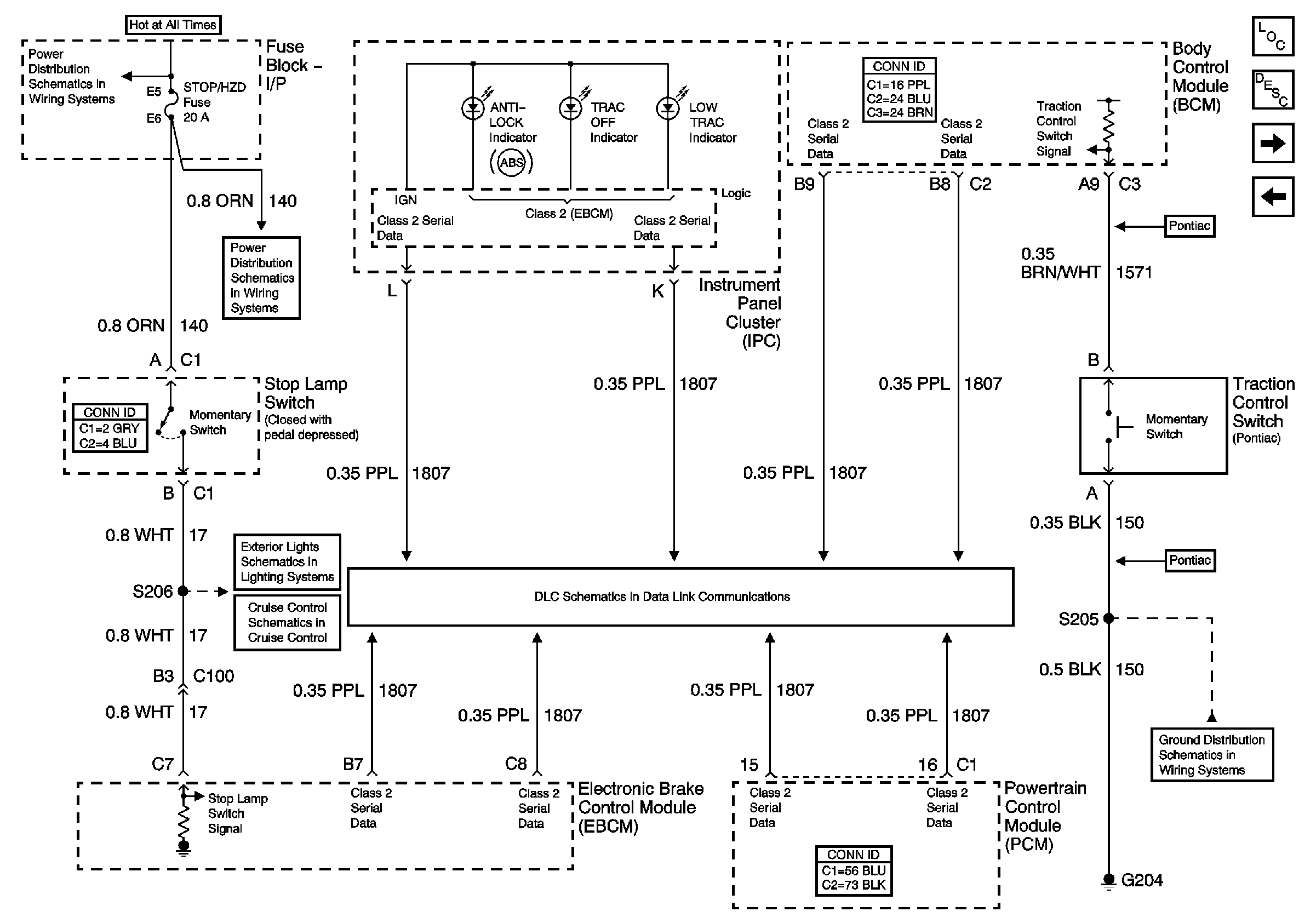
Data Link Communication (DLC)
G204 (PAGE 2 OF 2)