GM Service Manual Online
For 1990-2009 cars only
Makes
🢒
Pontiac
🢒
2004
🢒
Sunfire
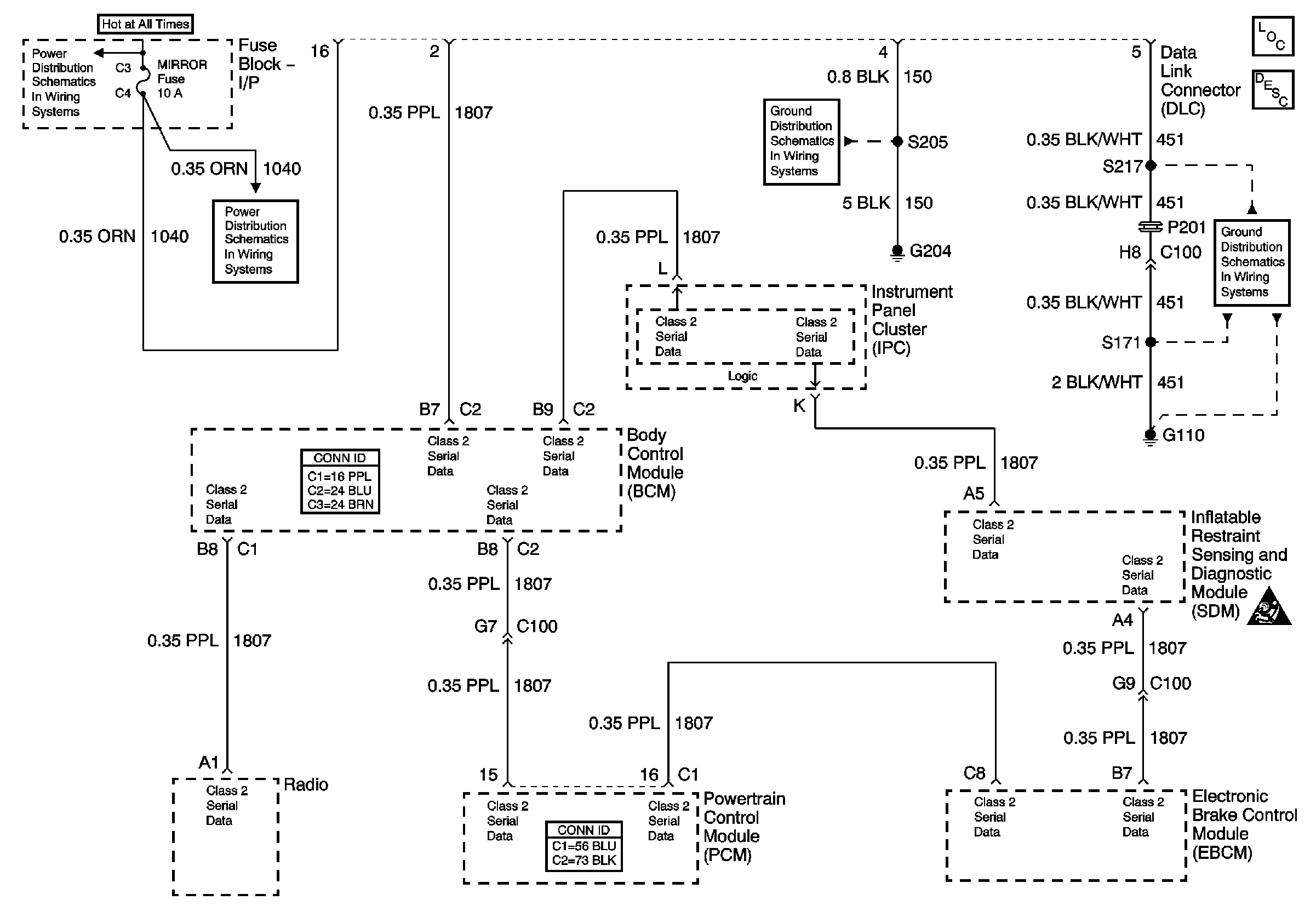
🢒 Data Link Connector (DLC)
Data Link Connector (DLC)