GM Service Manual Online
For 1990-2009 cars only

Removal Procedure

  1. Remove the fuel injector sight shield. Refer to Fuel Injector Sight Shield Replacement .

  2. Object Number: 1370533  Size: SH
  3. Release the clamp (1) from the brake booster vacuum hose connection.
  4. Disconnect the brake booster vacuum hose (2) from the intake manifold.

  5. Object Number: 1087865  Size: SH
  6. Disconnect the left side spark plug wires (1) from the retainers (2) and from the spark plugs. Refer to Spark Plug Wire Replacement .
  7. Remove the ignition control module bracket from the engine with the ignition control module and spark plug wires still attached. Position out of the way. Refer to Ignition Control Module Bracket Replacement .
  8. Remove the air cleaner intake duct. Refer to Air Cleaner Inlet Duct Replacement .

  9. Object Number: 1087631  Size: SH
  10. Remove the heater outlet pipe nut (4) from the upper intake manifold.
  11. Remove the heater outlet pipe nuts (2) and bolt (3) from the throttle body.
  12. Position the heater outlet pipe out of the way without disconnecting the heater hoses.
  13. Remove the exhaust gas recirculation (EGR) pipe. Refer to Exhaust Gas Recirculation Pipe Replacement .
  14. Remove the positive crankcase ventilation (PCV) foul air hose. Refer to Positive Crankcase Ventilation Hose/Pipe/Tube Replacement .

  15. Object Number: 1317267  Size: SH
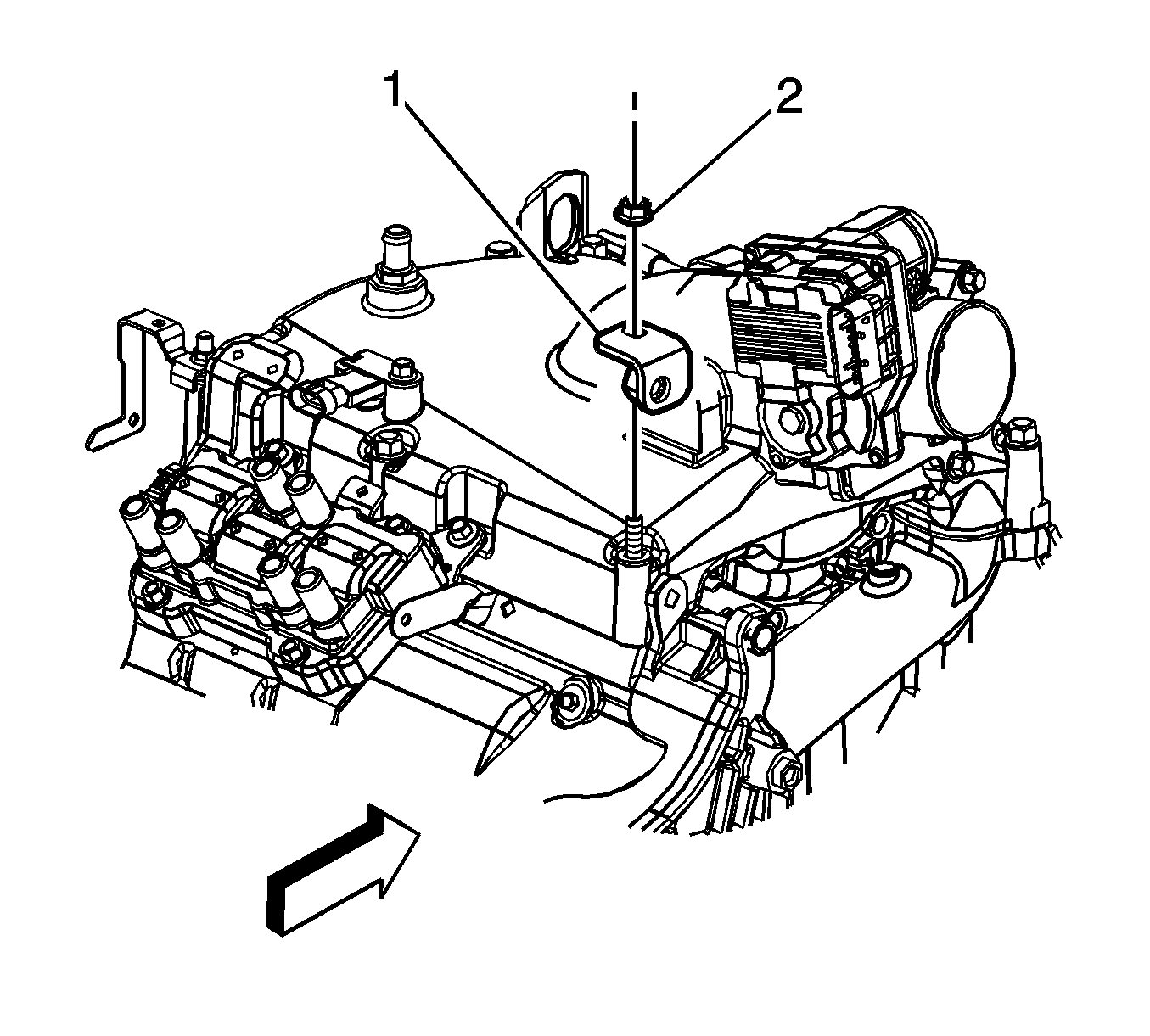
  16. Loosen but do not completely remove the generator attachment bolt most near the intake manifold.

  17. Object Number: 1371139  Size: SH
  18. Remove the generator brace nut (2).
  19. Remove the generator brace (1).

  20. Object Number: 1399188  Size: SH
  21. Remove the upper intake manifold bolts (4, 5).
  22. Remove the spark plug wire retainer (3).
  23. Remove the upper intake manifold (2).
  24. Remove the upper intake manifold gaskets (1).
  25. If replacing the upper intake manifold complete the following steps:
  26. 19.1. Remove the manifold absolute pressure (MAP) sensor. Refer to Manifold Absolute Pressure Sensor Replacement .
    19.2. Remove the EGR valve. Refer to Exhaust Gas Recirculation Valve Replacement .
    19.3. Remove the evaporative emissions (EVAP) purge solenoid valve. Refer to Evaporative Emission Canister Purge Solenoid Valve Replacement .
    19.4. Remove the throttle body. Refer to Throttle Body Assembly Replacement .
    19.5. Remove the fuel injector sight shield studs. Refer to Fuel Injector Sight Shield Replacement .

Installation Procedure


    Object Number: 1399188  Size: SH
  1. Install the upper intake manifold gaskets (1) to the lower intake manifold and install the fir tree retainers to retain the upper intake manifold gasket position.
  2. Install the upper intake manifold (2).
  3. Install the spark plug wire retainer (3).
  4. Notice: Refer to Fastener Notice in the Preface section.

  5. Apply threadlock GM P/N 12345382 (Canadian P/N 10953489) to the bolt threads. Install the upper intake manifold bolts (4, 5).
  6. Tighten
    Tighten the bolts to 25 N·m (18 lb ft).

  7. If the upper manifold was replaced, complete the following steps:
  8. 5.1. Install the fuel injector sight shield studs. Refer to Fuel Injector Sight Shield Replacement .
    5.2. Install the throttle body. Refer to Throttle Body Assembly Replacement .
    5.3. Install the EVAP purge solenoid valve. Refer to Evaporative Emission Canister Purge Solenoid Valve Replacement .
    5.4. Install the EGR valve. Refer to Exhaust Gas Recirculation Valve Replacement .
    5.5. Install MAP sensor. Refer to Manifold Absolute Pressure Sensor Replacement .

    Object Number: 1371139  Size: SH
  9. Install the generator brace (1).
  10. Install the generator brace nut (2).
  11. Tighten
    Tighten the nut to 25 N·m (18 lb ft).


    Object Number: 1317267  Size: SH
  12. Fully insert the generator attachment bolt most near the intake manifold.
  13. Tighten
    Tighten the bolt to 25 N·m (18 lb ft).

  14. Install the PCV foul air hose. Refer to Positive Crankcase Ventilation Hose/Pipe/Tube Replacement .
  15. Install the EGR pipe. Refer to Exhaust Gas Recirculation Pipe Replacement .

  16. Object Number: 1087631  Size: SH
  17. Position the heater outlet pipe to the throttle body and the upper intake manifold.
  18. Install the heater outlet pipe nuts (2) to the throttle body.
  19. Tighten
    Tighten the nut to 10 N·m (89 lb in).

  20. Install the heater outlet pipe bolt (3) to the throttle body.
  21. Tighten
    Tighten the bolt to 10 N·m (89 lb in).

  22. Install the heater outlet pipe nut (4) to the upper intake manifold.
  23. Tighten
    Tighten the nut to 25 N·m (18 lb ft).

  24. Install the air cleaner intake duct. Refer to Air Cleaner Inlet Duct Replacement .
  25. Install the ignition control module bracket . Refer to Ignition Control Module Bracket Replacement .

  26. Object Number: 1087865  Size: SH
  27. Connect the left side spark plug wires (1) to the spark plugs and to the spark plug wire retainers. Refer to Spark Plug Wire Replacement .

  28. Object Number: 1370533  Size: SH
  29. Connect the brake booster vacuum hose (2) to the intake manifold.
  30. Install the clamp (1) to the brake booster vacuum hose connection.
  31. Install the fuel injector sight shield. Refer to Fuel Injector Sight Shield Replacement .