GM Service Manual Online
For 1990-2009 cars only
Makes
🢒
Pontiac
🢒
2006
🢒
Torrent
🢒
Engine
🢒
Engine Mechanical - 3.4L
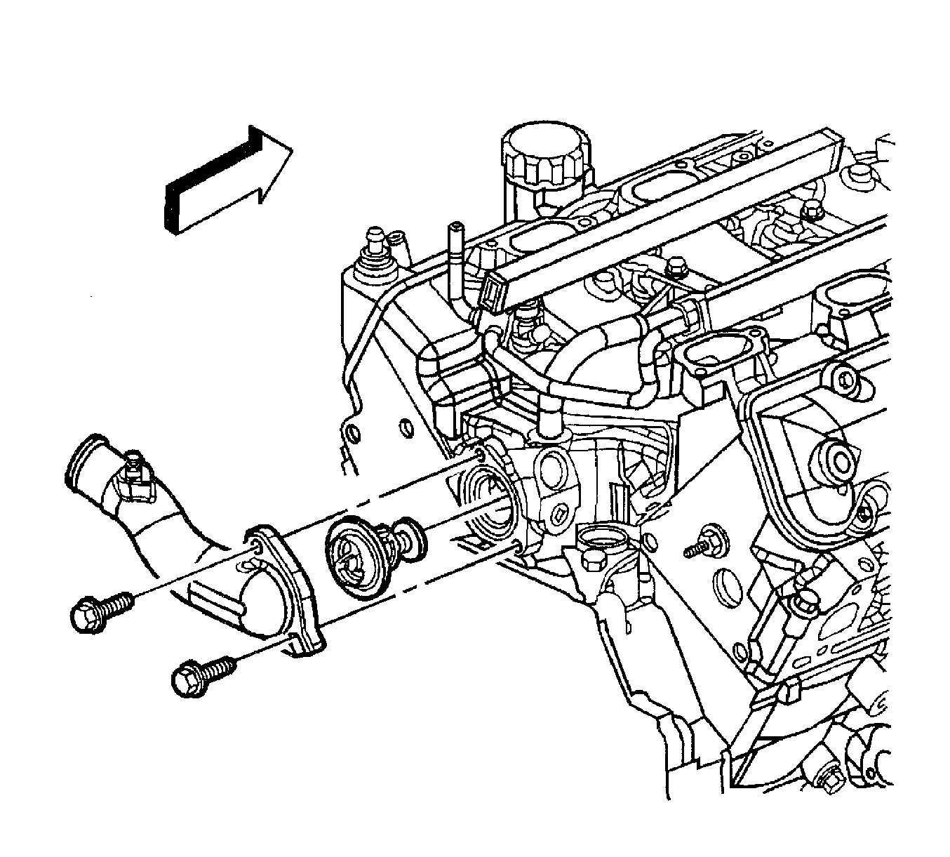
🢒 Water Outlet and Engine Coolant Thermostat Removal
Remove the water outlet bolts.
Remove the water outlet.
Remove the thermostat.