GM Service Manual Online
For 1990-2009 cars only
Makes
🢒
Pontiac
🢒
2006
🢒
Torrent
🢒
Engine
🢒
Engine Cooling
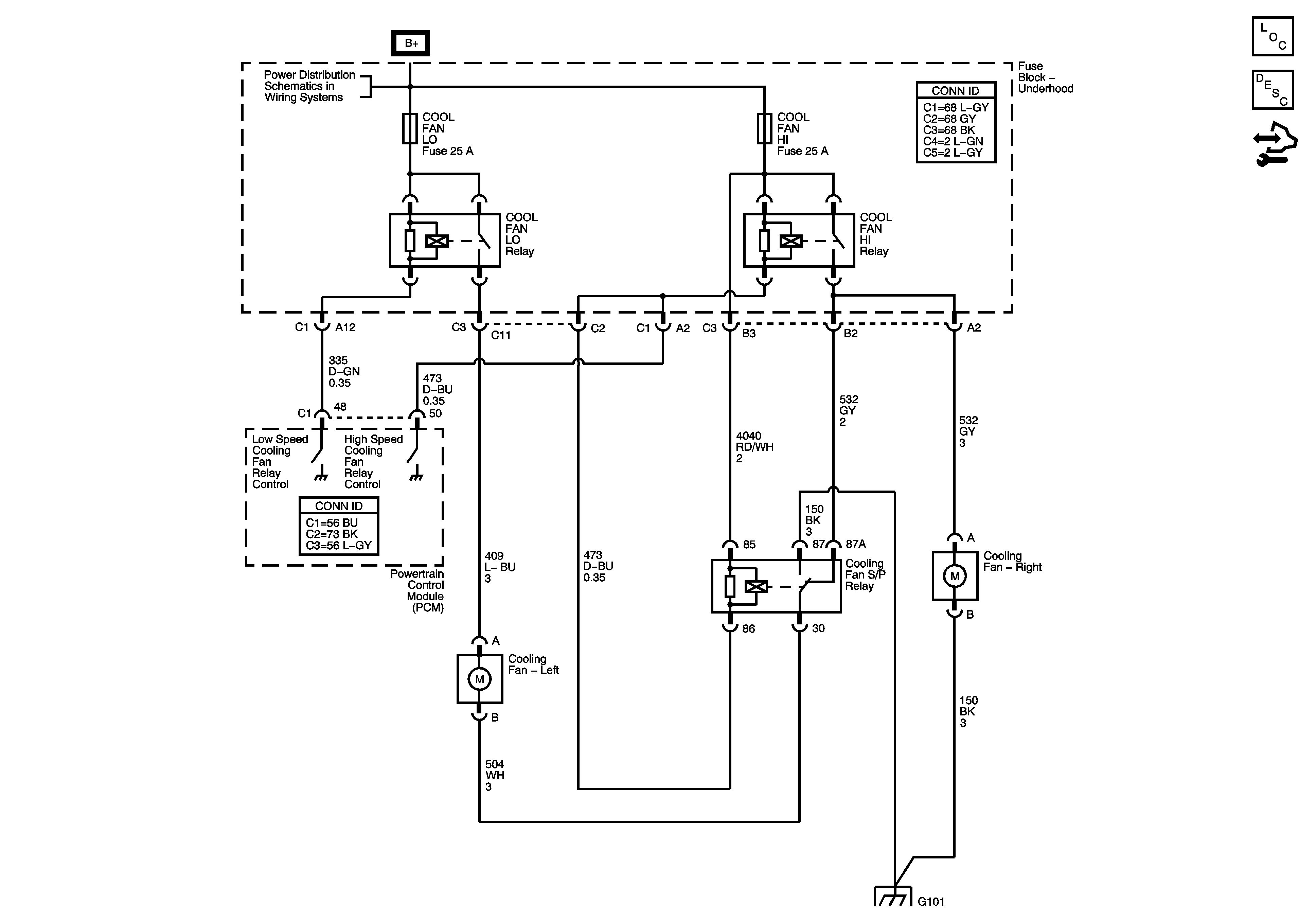
🢒 Engine Cooling Schematics
Master Electrical Component List
Cooling System Description and Operation
Control Module References
B+ Bus and EPS Fuse
G101