GM Service Manual Online
For 1990-2009 cars only
Makes
🢒
Pontiac
🢒
2006
🢒
Torrent
🢒
Engine
🢒
Engine Electrical
🢒 Starting and Charging Schematics
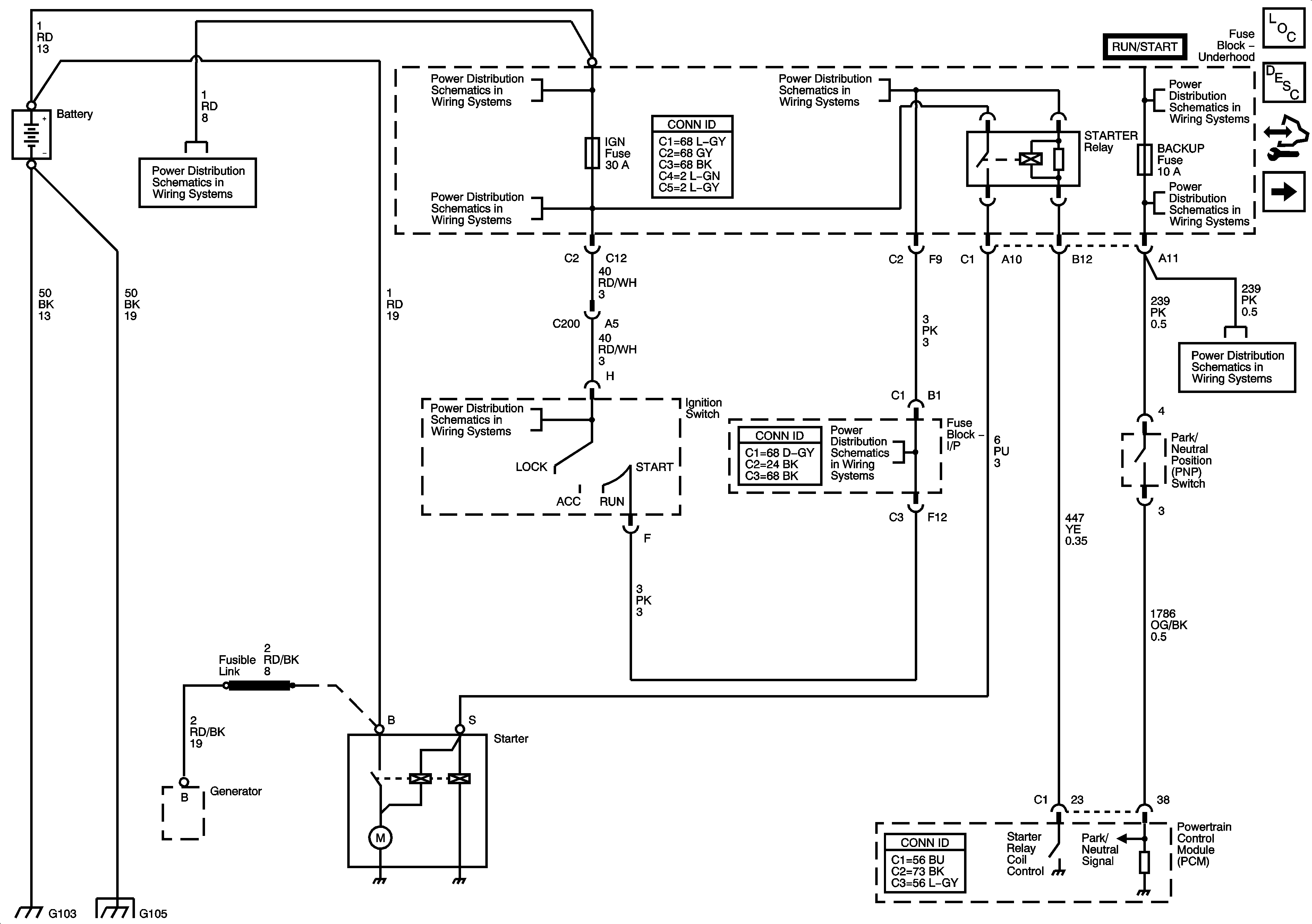
Figure
1:
Starting
Master Electrical Component List
Starting System Description and Operation
Control Module References
Charging, Indicators
B+ Bus and EPS Fuse
B+ Bus and EPS Fuse
IGN FUSE, Ignition Switch and Ignition Circuits
IGN FUSE, Ignition Switch and Ignition Circuits
IGN FUSE, Ignition Switch and Ignition Circuits
BACKUP, PWR TRAIN, ENG IGN and 10A ABS Fuse
BACKUP, PWR TRAIN, ENG IGN and 10A ABS Fuse
IGN FUSE, Ignition Switch and Ignition Circuits
IGN FUSE, Ignition Switch and Ignition Circuits
G103, G105, G107 and G207
Figure
2:
Charging and Indicators
Master Electrical Component List
Charging System Description and Operation
Control Module References
Starting
B+ Bus and EPS Fuse
Data Link Communication (DLC) Schematic