GM Service Manual Online
For 1990-2009 cars only

Removal Procedure

Caution: In order to reduce the risk of fire and personal injury that may result from a fuel leak, always install the fuel injector O-rings in the proper position. If the upper and lower O-rings are different colors (black and brown), be sure to install the black O-ring in the upper position and the brown O-ring in the lower position on the fuel injector. The O-rings are the same size but are made of different materials.

Important: When servicing the fuel rail assembly, precautions must be taken to prevent dirt and other contaminants from entering the fuel passages. It is recommended that the fittings be capped, and the holes be plugged during servicing.

  1. Relieve the fuel system pressure. Refer to Fuel Pressure Relief .
  2. Remove the upper intake manifold. Refer to Upper Intake Manifold Replacement .

  3. Object Number: 1371131  Size: SH
  4. Disconnect the engine fuel feed pipe (1) at the fuel rail (4). Refer to Metal Collar Quick Connect Fitting Service .
  5. Disconnect the main fuel injector harness electrical connector.
  6. Disconnect the coolant temperature sensor and camshaft position sensor electrical connectors
  7. Disconnect the electrical connectors from the fuel injectors.

  8. Object Number: 1087852  Size: SH
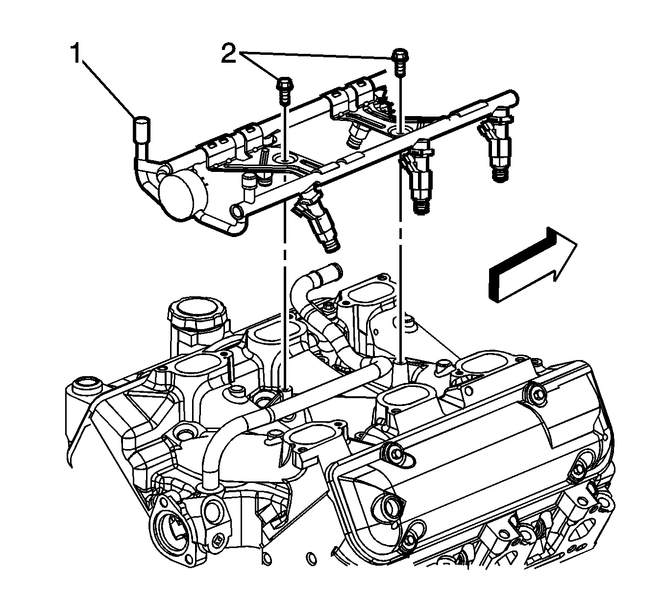
  9. Remove the fuel rail retaining bolts (2).
  10. Remove the fuel rail assembly (1).
  11. Remove the injector O-ring seal from the spray tip end of each injector.
  12. If removing the fuel injectors from the fuel rail is necessary. Refer to Fuel Injector Replacement .

Installation Procedure

Notice: 

   • Use care when servicing the fuel system components, especially the fuel injector electrical connectors, the fuel injector tips, and the injector O-rings. Plug the inlet and the outlet ports of the fuel rail in order to prevent contamination.
   • Do not use compressed air to clean the fuel rail assembly as this may damage the fuel rail components.
   • Do not immerse the fuel rail assembly in a solvent bath in order to prevent damage to the fuel rail assembly.

  1. If the fuel injectors were removed from the fuel rail. Refer to Fuel Injector Replacement .

  2. Object Number: 1087852  Size: SH
  3. Lubricate the fuel injector O-rings using GM P/N 12345616, (Canadian P/N 993182).
  4. Install the fuel injector nozzles into the lower intake manifold injector bores.
  5. Press on the fuel rail (1) using the palms of both hands until the fuel injectors are fully seated.
  6. Notice: Refer to Fastener Notice in the Preface section.

  7. Install the fuel rail attaching bolts (2).
  8. Tighten
    Tighten the bolt to 10 N·m (89 lb in).

  9. Install the injector electrical harness to the fuel rail.
  10. Apply lubricant to the fuel injector electrical connectors. GM P/N 12377900, (Canadian P/N 10953529).
  11. Connect the fuel injector electrical connectors.
  12. Connect the coolant temperature sensor and camshaft position sensor electrical connectors
  13. Connect the main fuel injector electrical harness connector.

  14. Object Number: 1371131  Size: SH
  15. Connect the fuel feed pipe (1) at the fuel rail (4). Refer to Metal Collar Quick Connect Fitting Service .
  16. Install the upper intake manifold. Refer to Upper Intake Manifold Replacement .
  17. Connect the negative battery cable.
  18. Inspect for fuel leaks.
  19. 14.1. Turn ON the ignition for 2 seconds.
    14.2. Turn OFF the ignition for 10 seconds.
    14.3. Turn ON the ignition.
    14.4. Inspect for fuel leaks.