GM Service Manual Online
For 1990-2009 cars only
Makes
🢒
Pontiac
🢒
2006
🢒
Torrent
🢒
Vehicle Control Systems
🢒
Vehicle DTC Information
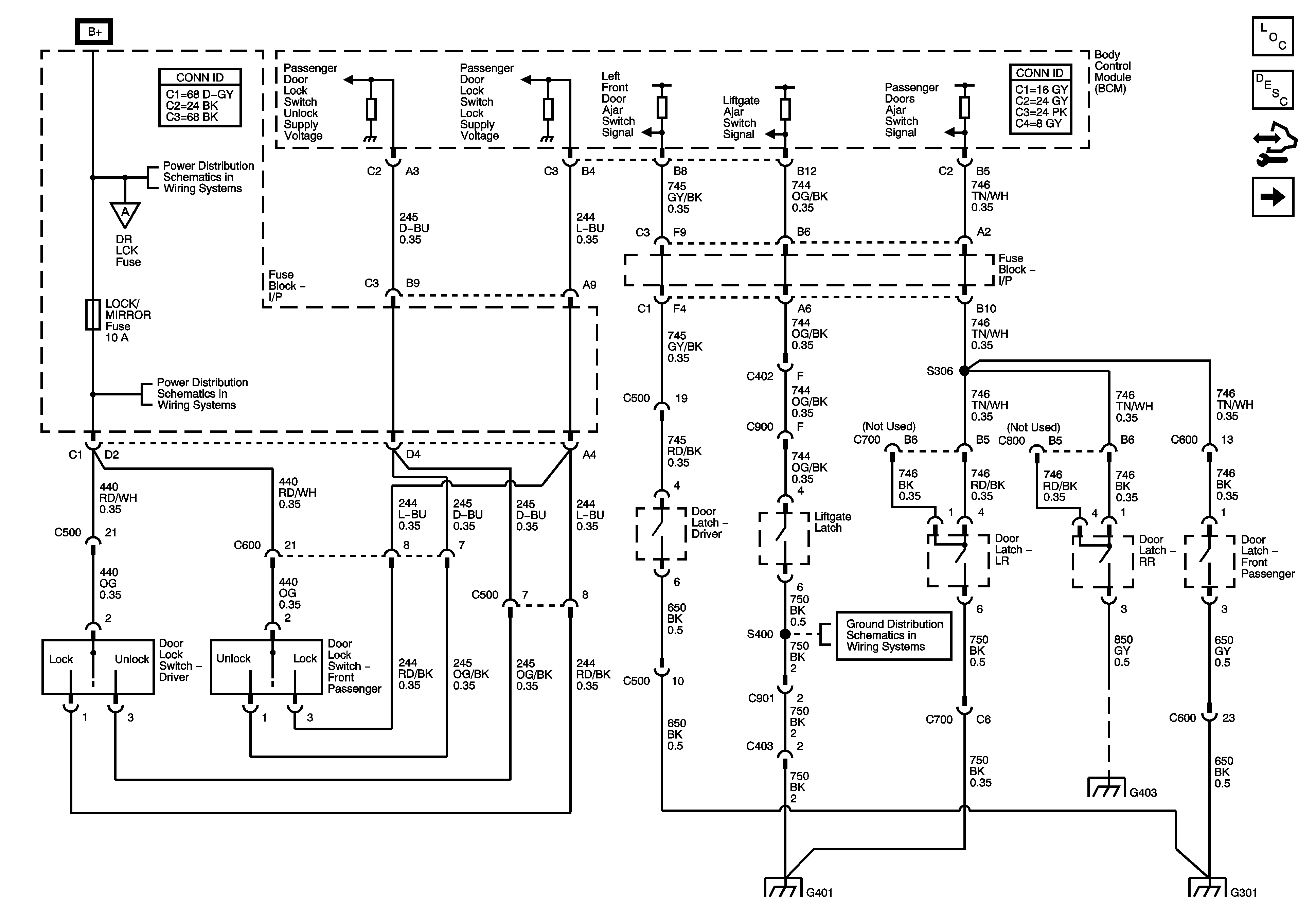
🢒 Door Lock/Indicator Schematics
Figure
1:
Lock Switches, Ajar Signals
Master Electrical Component List
Power Door Locks Description and Operation
Control Module References
Door Latch Controls
Door Latch Controls
RADIO, BCM/CLSTR, INT LTS/ONSTAR, PARK, HZRD and LOCK/MIRROR Fuses
G401 and G403
G401 and G403
G301
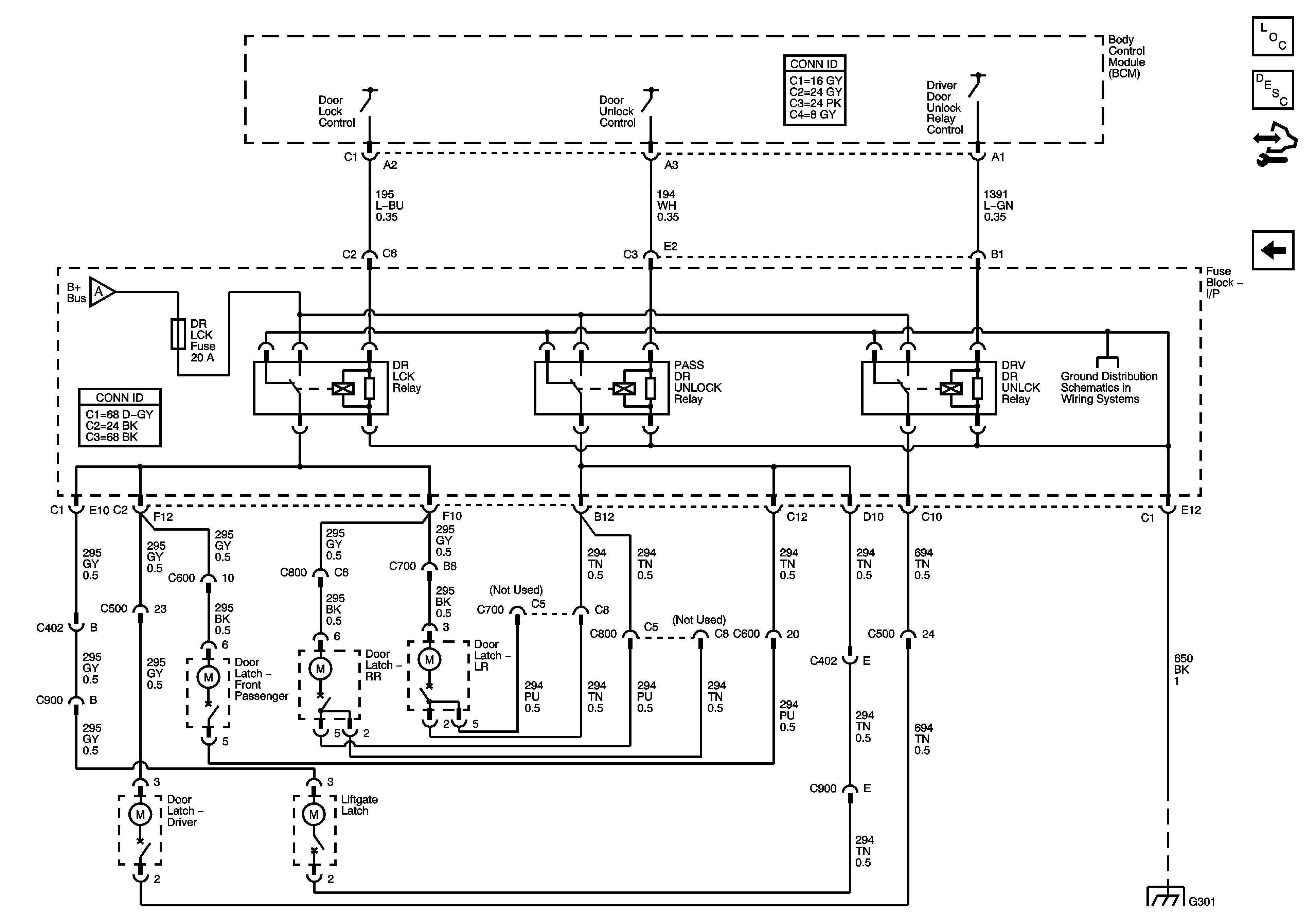
Figure
2:
Door Latch Controls
Master Electrical Component List
Power Door Locks Description and Operation
Control Module References
Lock Switches, Ajar Signals
Lock Switches, Ajar Signals
G301
G301