GM Service Manual Online
For 1990-2009 cars only
Makes
🢒
Pontiac
🢒
2006
🢒
Torrent
🢒
Vehicle Control Systems
🢒
Vehicle DTC Information
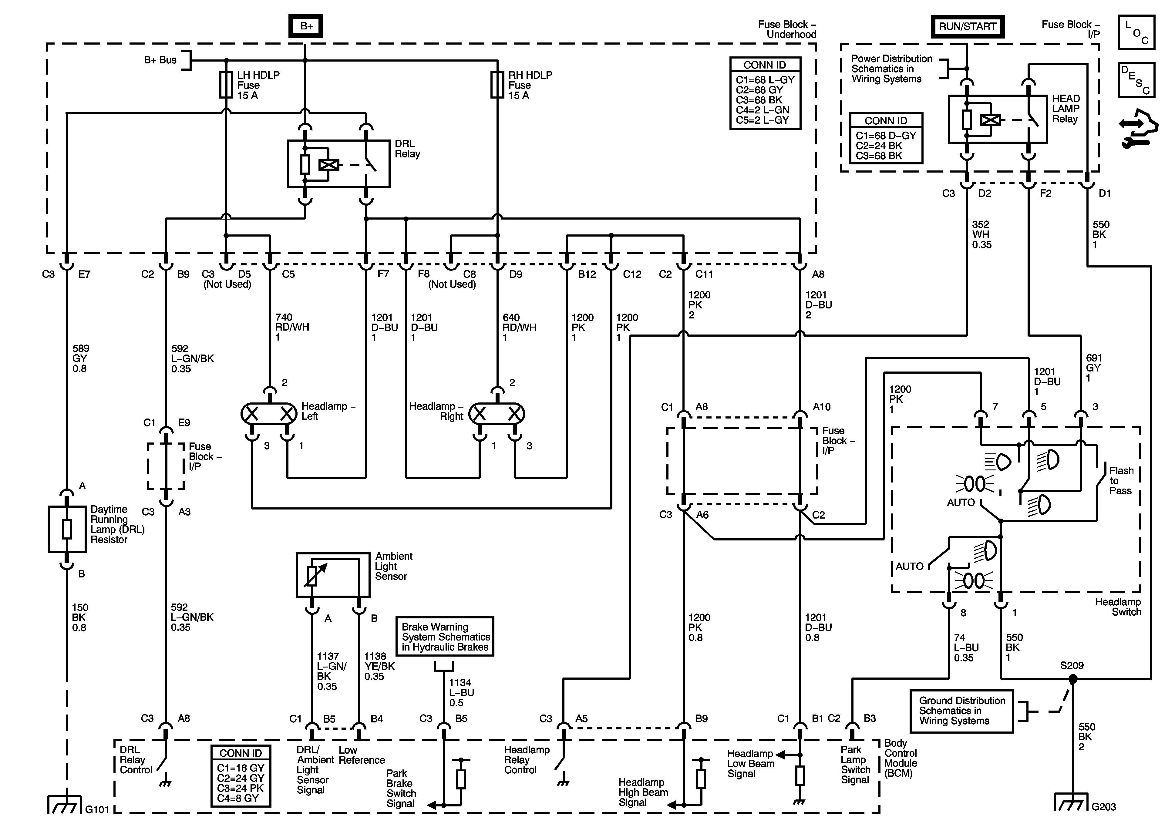
🢒 Headlights/Daytime Running Lights (DRL) Schematics
Master Electrical Component List
Exterior Lighting Systems Description and Operation
Control Module References
B+ Bus and EPS Fuse
IGN FUSE, Ignition Switch and Ignition Circuits
G101
Hydraulic Brakes Schematic
G203 and G205
G203 and G205