GM Service Manual Online
For 1990-2009 cars only
Makes
🢒
Pontiac
🢒
2006
🢒
Torrent
🢒
Vehicle Control Systems
🢒
Vehicle DTC Information
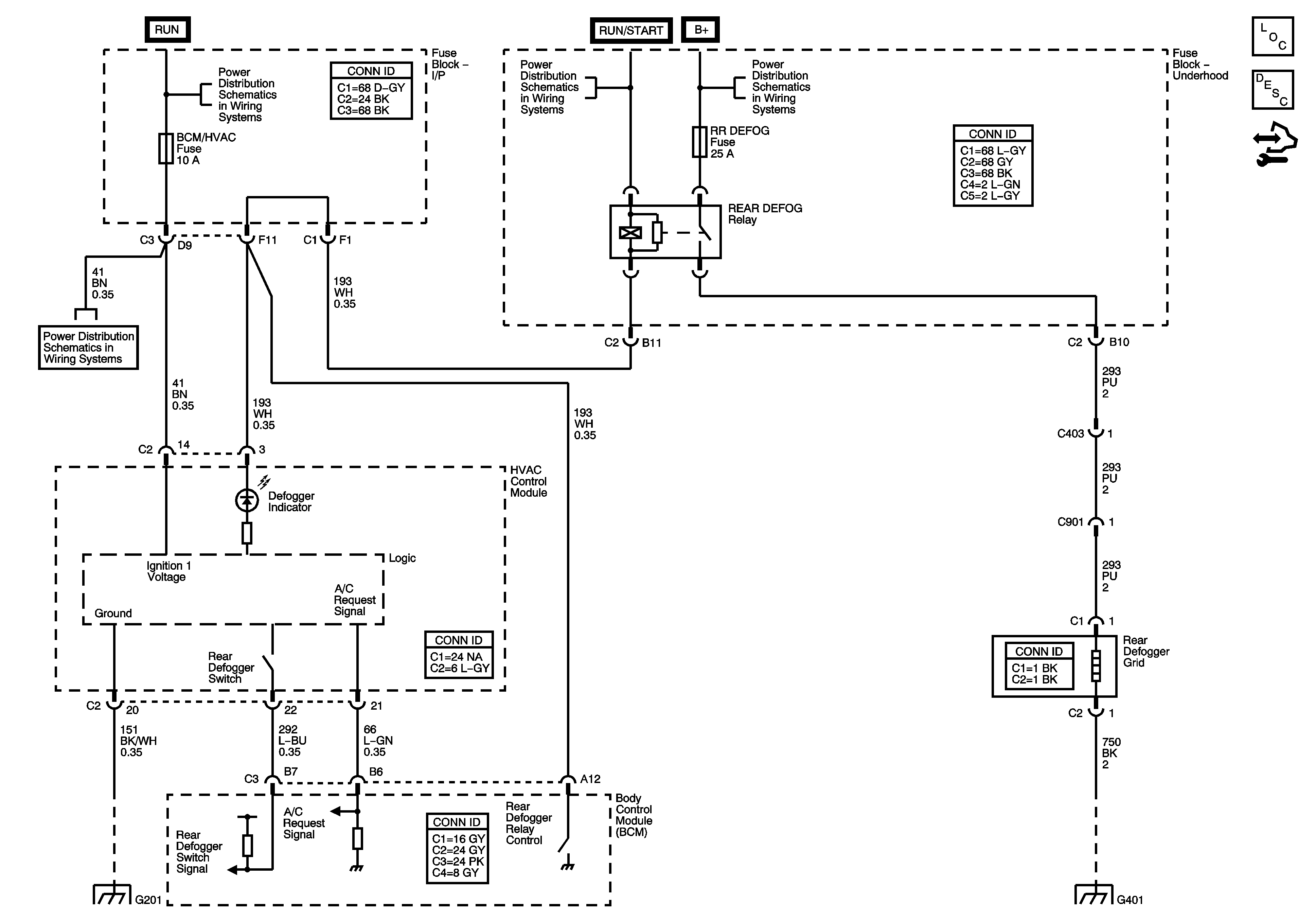
🢒 Defogger Schematics
Master Electrical Component List
Rear Window Defogger Description and Operation
Control Module References
IGN FUSE, Ignition Switch and Ignition Circuits
IGN FUSE, Ignition Switch and Ignition Circuits
B+ Bus and EPS Fuse
TURN, PRNDL/PWR TRN, BCM/ISRVM, BCM/HVAC and HTD SEATS Fuses
G201
G401 and G403