GM Service Manual Online
For 1990-2009 cars only
Makes
🢒
Pontiac
🢒
2006
🢒
Torrent
🢒
Vehicle Control Systems
🢒
Vehicle DTC Information
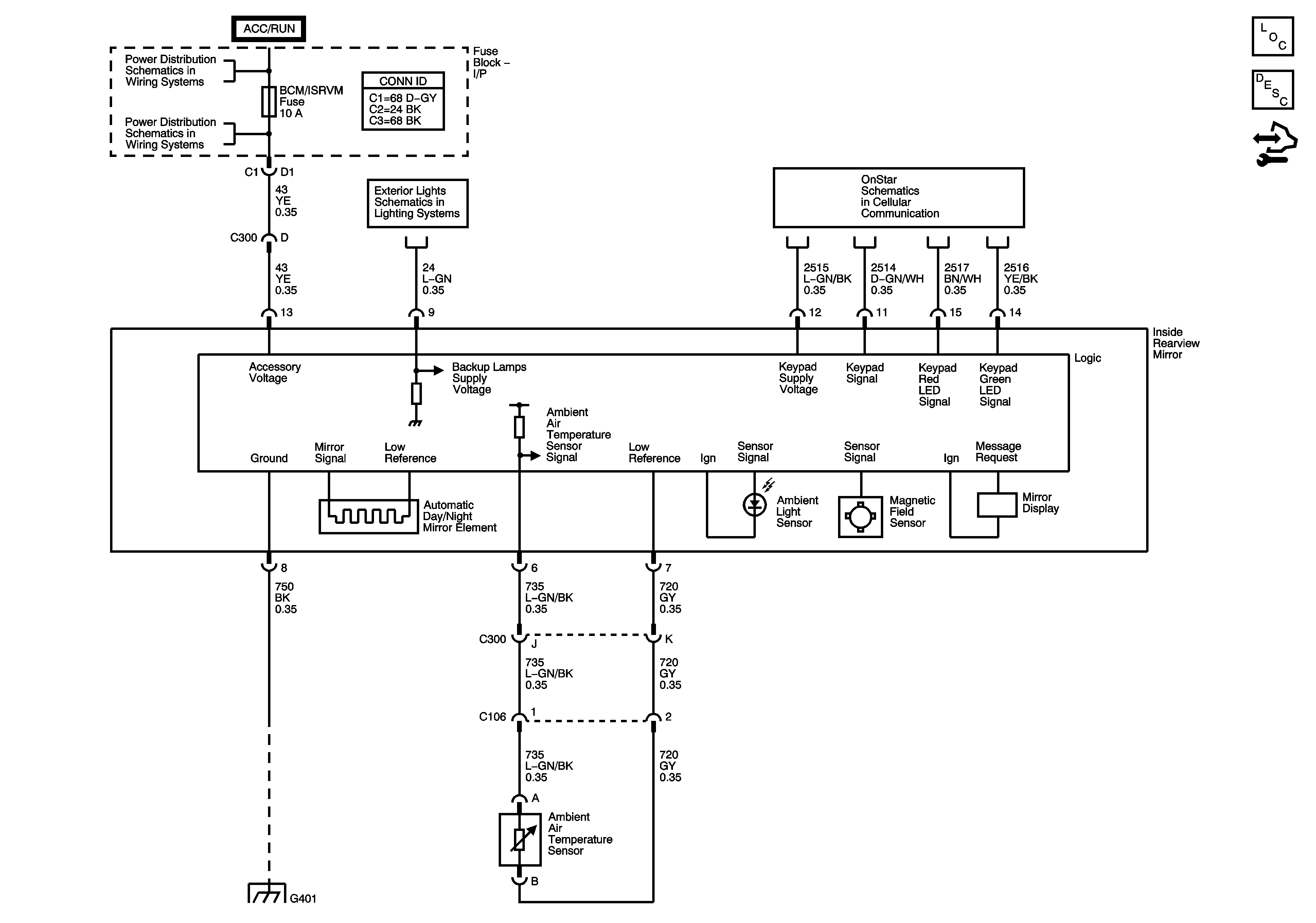
🢒 Inside Rearview Mirror Schematics
Master Electrical Component List
Automatic Day-Night Mirror Description and Operation
Control Module References
IGN FUSE, Ignition Switch and Ignition Circuits
TURN, PRNDL/PWR TRN, BCM/ISRVM, BCM/HVAC and HTD SEATS Fuses
Backup Lamps
Onstar Schematic
G401 and G403