GM Service Manual Online
For 1990-2009 cars only
Makes
🢒
Pontiac
🢒
2006
🢒
Torrent
🢒
Body
🢒
Doors
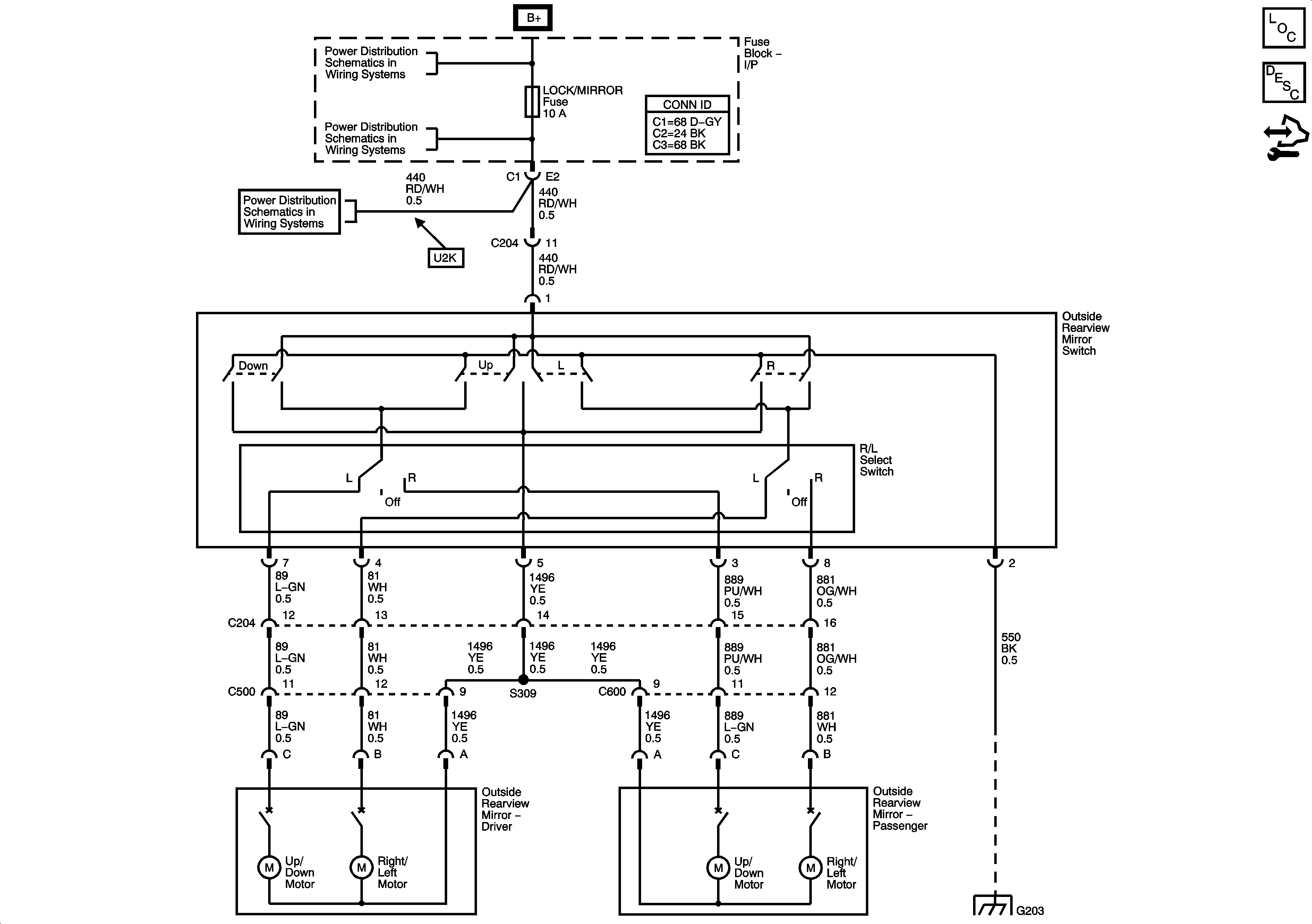
🢒 Outside Rearview Mirror Schematics
Master Electrical Component List
Outside Mirror Description and Operation
Control Module References
POWER SEATS CB, LH HDLP, RH HDLP, HTD SEATS, BRAKE, PREMAUD AND BATT FEED FUSES
RADIO, BCM/CLSTR, INT LTS/ONSTAR, PARK, HZRD and LOCK/MIRROR Fuses
RADIO, BCM/CLSTR, INT LTS/ONSTAR, PARK, HZRD and LOCK/MIRROR Fuses
G203 and G205