GM Service Manual Online
For 1990-2009 cars only
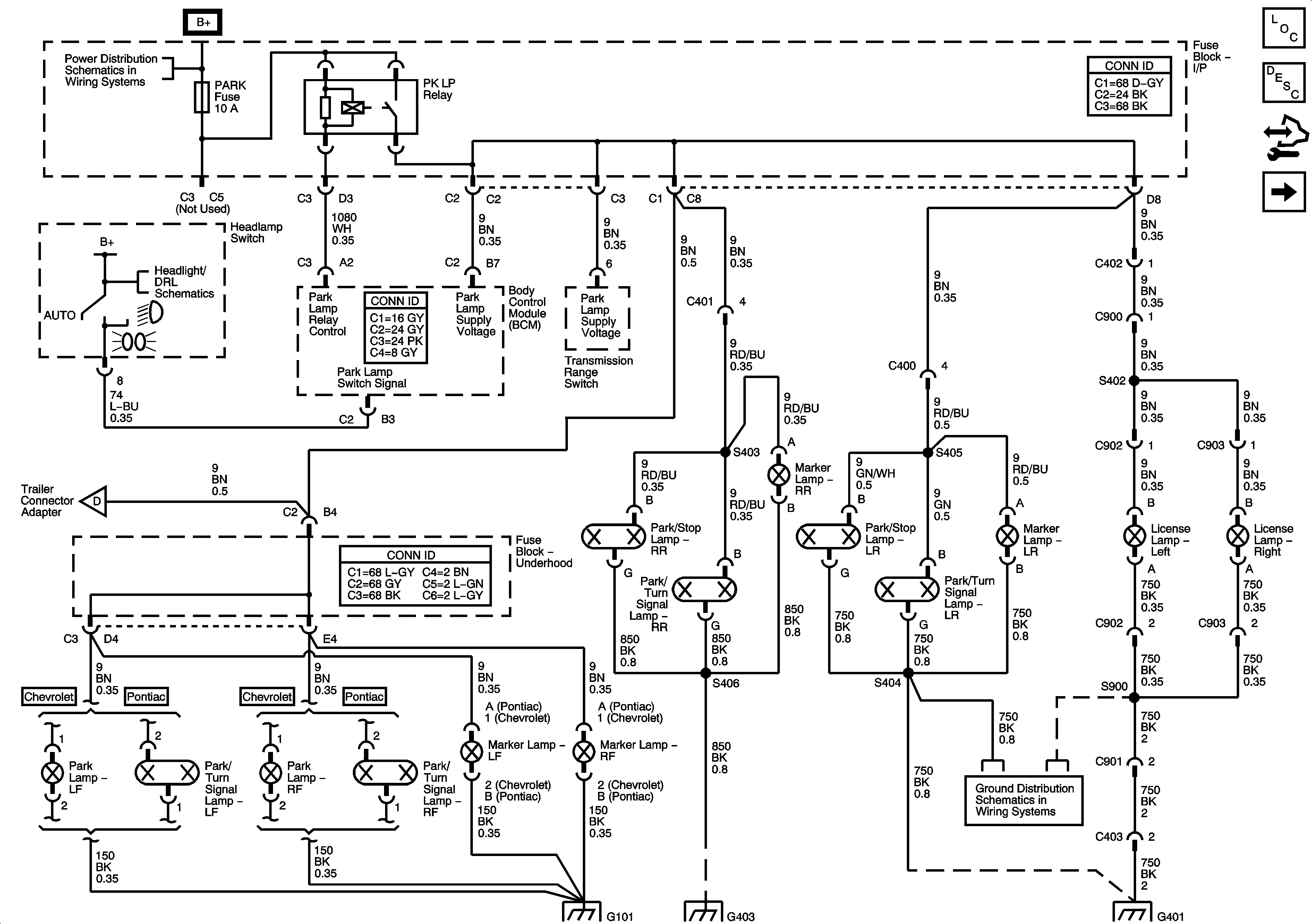
Figure 1:

Park Lamps


Object Number: 1623696  Size: FS
Master Electrical Component List
Exterior Lighting Systems Description and Operation
Control Module References
Hazards, Turn Signal Lamps
POWER SEATS CB, LH HDLP, RH HDLP, HTD SEATS, BRAKE, PREMAUD AND BATT FEED FUSES
Trailer Connector Adapter
G101
G401 and G403
G401 and G403
G401 and G403
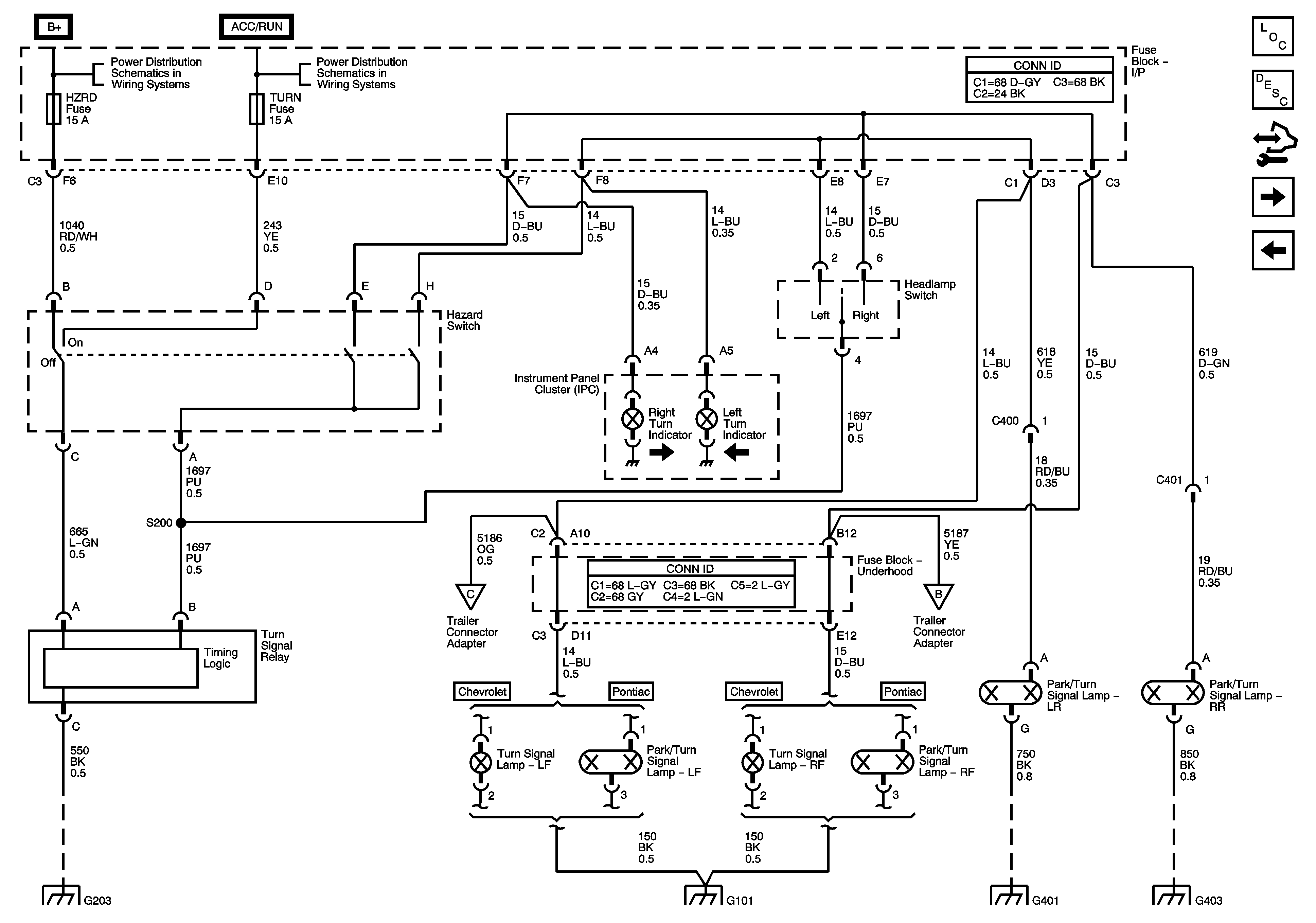
Figure 2:

Hazards, Turn Signal Lamps


Object Number: 1623694  Size: FS
Master Electrical Component List
Exterior Lighting Systems Description and Operation
Control Module References
Stop Lamps
Park Lamps
Trailer Connector Adapter
Trailer Connector Adapter
G203 and G205
G101
G401 and G403
G401 and G403
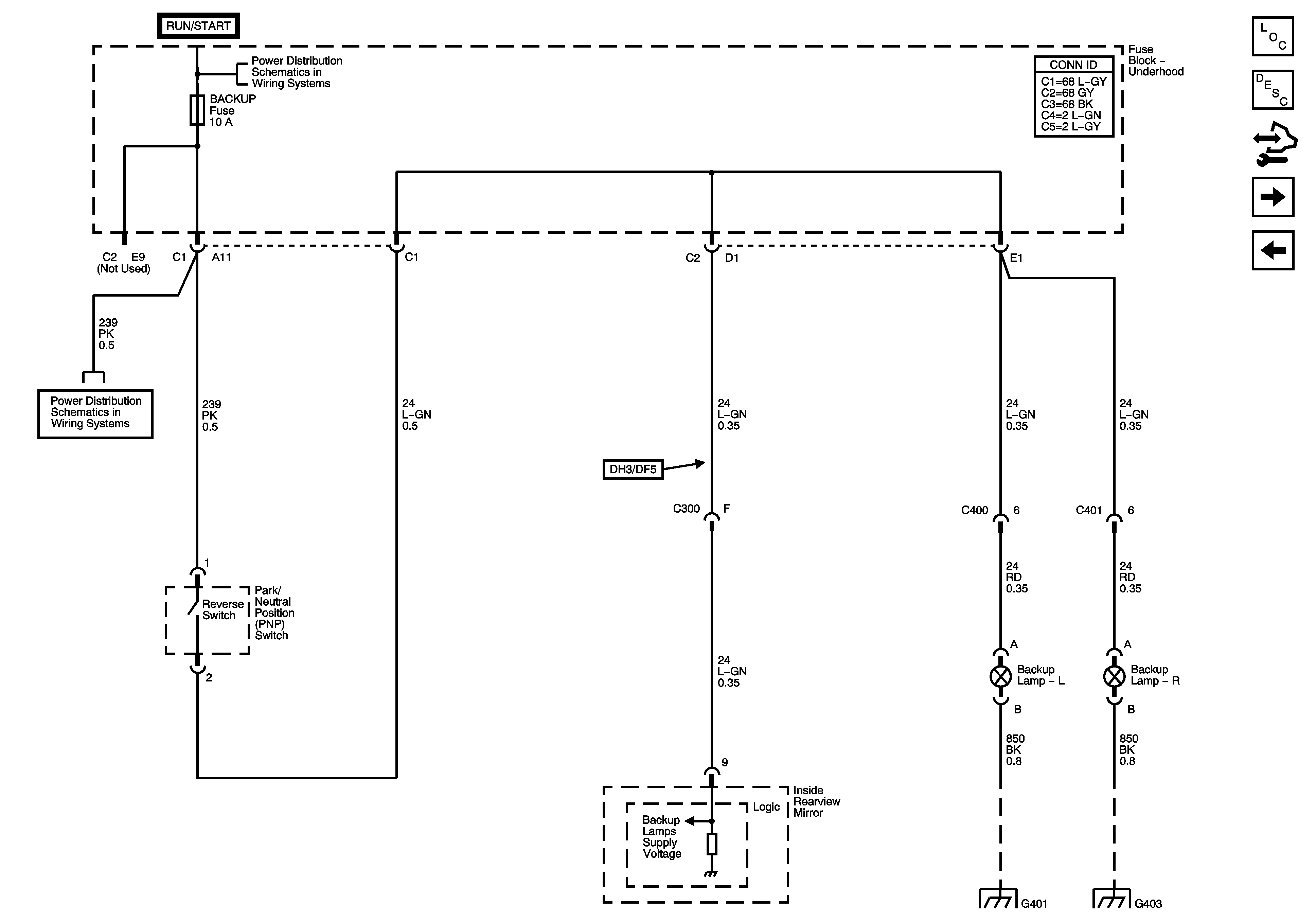
Figure 3:

Stop Lamps


Object Number: 1623698  Size: FS
Master Electrical Component List
Exterior Lighting Systems Description and Operation
Control Module References
Backup Lamps
Hazards, Turn Signal Lamps
B+ Bus and EPS Fuse
Trailer Connector Adapter
G401 and G403
G401 and G403
G401 and G403
Figure 4:

Backup Lamps


Object Number: 1623699  Size: FS
Master Electrical Component List
Exterior Lighting Systems Description and Operation
Control Module References
Trailer Connector Adapter
Stop Lamps
IGN FUSE, Ignition Switch and Ignition Circuits
BACKUP, PWR TRAIN, ENG IGN and 10A ABS Fuse
G401 and G403
G401 and G403
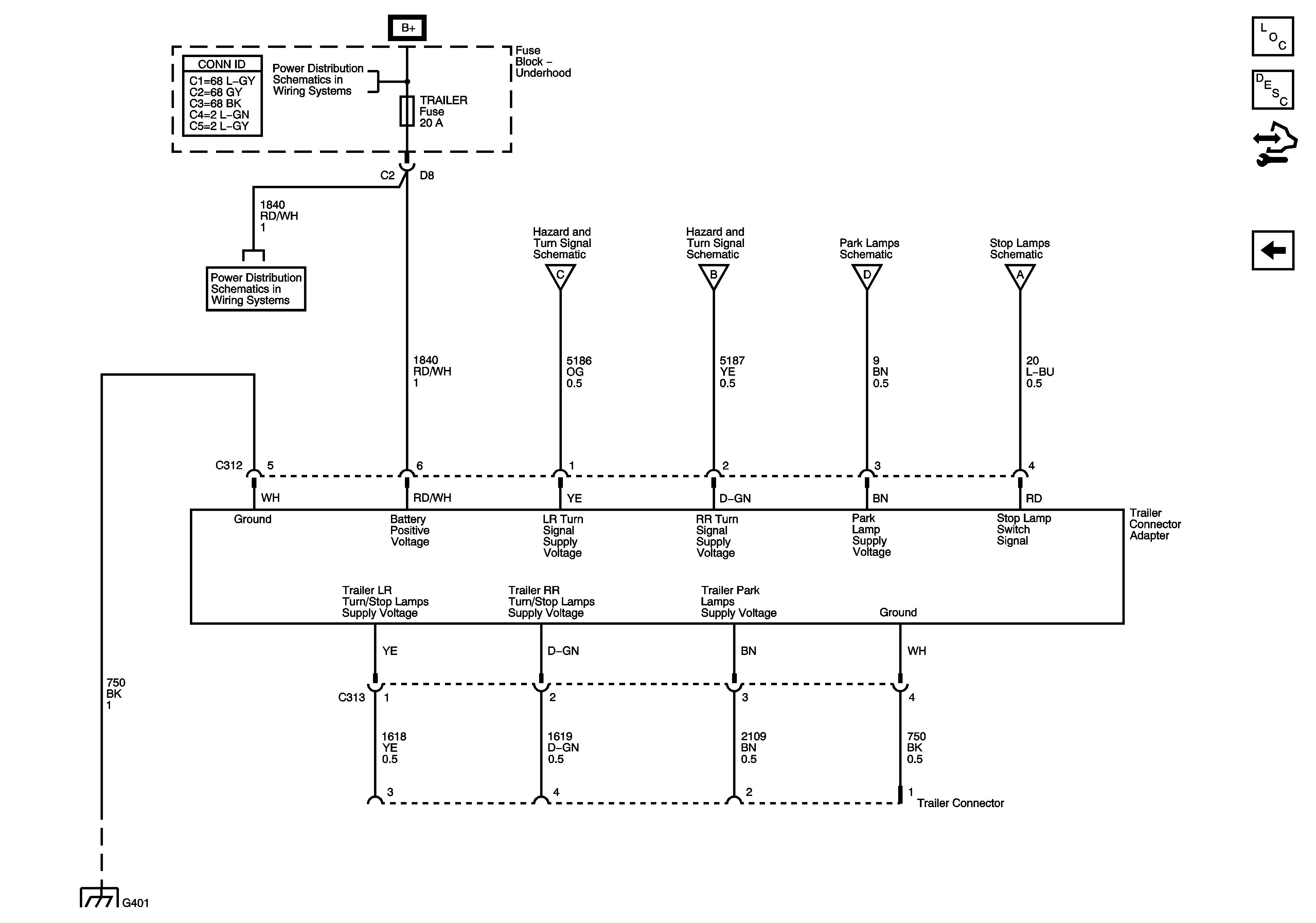
Figure 5:

Trailer Connector Adapter (V92)


Object Number: 1623700  Size: FS
Master Electrical Component List
Exterior Lighting Systems Description and Operation
Control Module References
Backup Lamps
B+ Bus and EPS Fuse
PWR WDW, SUNROOF, 20A ABS, 40A ABS, HVAC BLOWER, AUX OUTLETS, TRAILER, CIGAR AND ECM/TCM Fuses
Hazards, Turn Signal Lamps
Hazards, Turn Signal Lamps
Park Lamps
Stop Lamps
G401 and G403