GM Service Manual Online
For 1990-2009 cars only
Figure 1:

B+ Bus and EPS Fuse


Object Number: 1623682  Size: FS
Master Electrical Component List
Control Module References
PWR WDW, SUNROOF, 20A ABS, 40A ABS, HVAC BLOWER, AUX OUTLETS, TRAILER, CIGAR AND ECM/TCM Fuses
Figure 2:

PWR WDW, SUNROOF, 20A ABS, 40A ABS, HVAC BLOWER, AUX OUTLETS, TRAILER, CIGAR and ECM/TCM Fuses


Object Number: 1623684  Size: FS
Master Electrical Component List
Control Module References
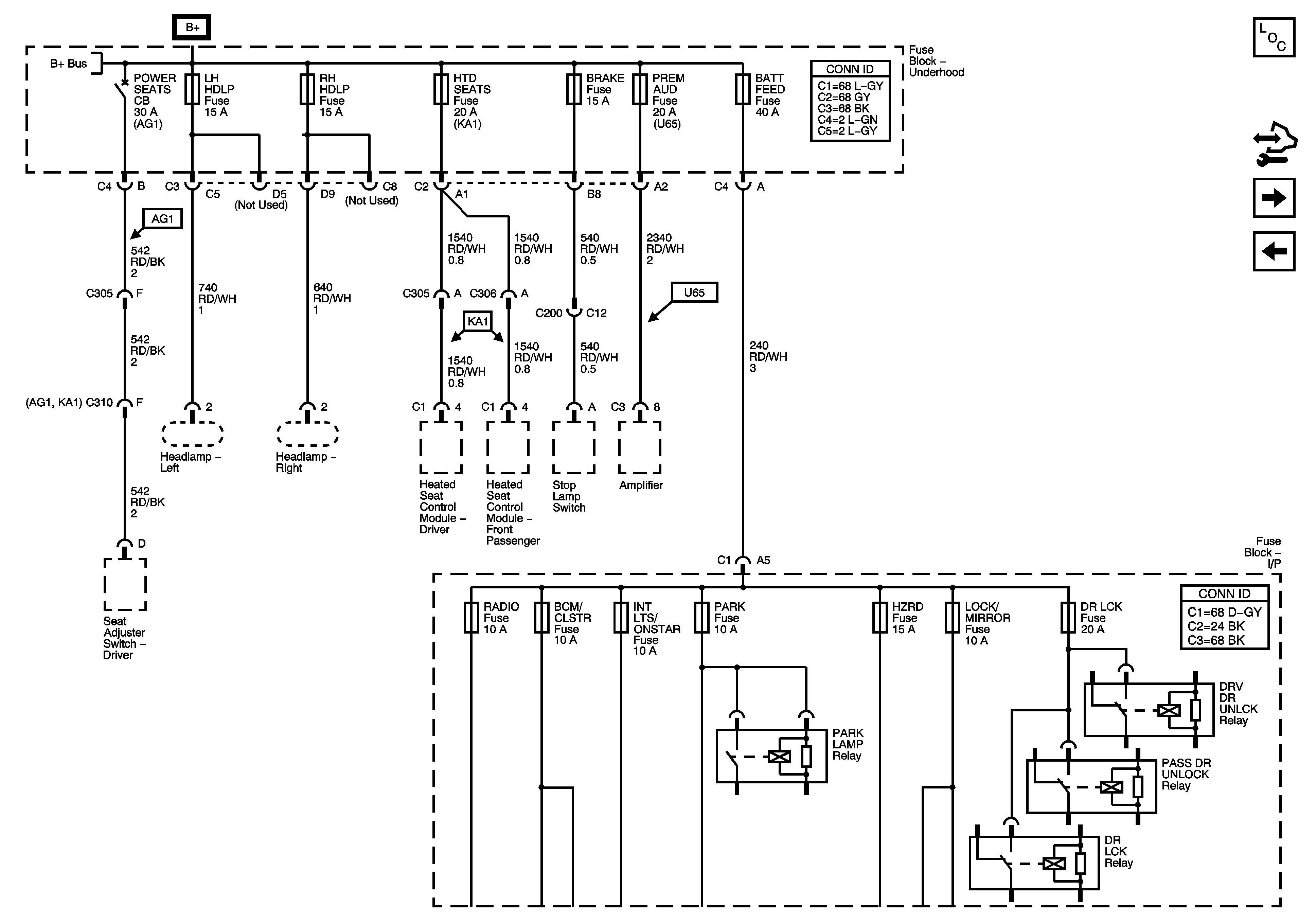
POWER SEATS CB, LH HDLP, RH HDLP, HTD SEATS, BRAKE, PREMAUD AND BATT FEED FUSES
B+ Bus and EPS Fuse
B+ Bus and EPS Fuse
Figure 3:

POWER SEATS CB, LH HDLP, RH HDLP, HTD SEATS, BRAKE, PREM AUD and BATT FEED Fuses


Object Number: 1623691  Size: FS
Master Electrical Component List
Control Module References
RADIO, BCM/CLSTR, INT LTS/ONSTAR, PARK, HZRD and LOCK/MIRROR Fuses
PWR WDW, SUNROOF, 20A ABS, 40A ABS, HVAC BLOWER, AUX OUTLETS, TRAILER, CIGAR AND ECM/TCM Fuses
B+ Bus and EPS Fuse
Figure 4:

RADIO, BCM/CLSTR, INT LTS/ONSTAR, PARK, HZRD and LOCK/MIRROR Fuses


Object Number: 1623693  Size: FS
Master Electrical Component List
Control Module References
IGN FUSE, Ignition Switch and Ignition Circuits
POWER SEATS CB, LH HDLP, RH HDLP, HTD SEATS, BRAKE, PREMAUD AND BATT FEED FUSES
POWER SEATS CB, LH HDLP, RH HDLP, HTD SEATS, BRAKE, PREMAUD AND BATT FEED FUSES
Figure 5:

IGN Fuse, Ignition Switch and Ignition Circuits


Object Number: 1381657  Size: FS
Master Electrical Component List
Control Module References
BACKUP, PWR TRAIN, ENG IGN and 10A ABS Fuse
RADIO, BCM/CLSTR, INT LTS/ONSTAR, PARK, HZRD and LOCK/MIRROR Fuses
B+ Bus and EPS Fuse
Figure 6:

BACKUP, PWR TRAIN, ENG IGN and 10A ABS Fuses


Object Number: 1381661  Size: FS
Master Electrical Component List
Control Module References
TURN, PRNDL/PWR TRN, BCM/ISRVM, BCM/HVAC and HTD SEATS Fuses
IGN FUSE, Ignition Switch and Ignition Circuits
IGN FUSE, Ignition Switch and Ignition Circuits
Figure 7:

TURN, PRNDL/PWR TRN, BCM/ISRVM, BCM/HVAC and HTD SEATS Fuses


Object Number: 1623697  Size: FS
Master Electrical Component List
Control Module References
IGN 1, BCM(IGN), AIR BAG, EPS and CRUISE Fuses
BACKUP, PWR TRAIN, ENG IGN and 10A ABS Fuse
IGN FUSE, Ignition Switch and Ignition Circuits
Figure 8:

IGN1, BCM (IGN), AIR BAG, EPS and CRUISE Fuses


Object Number: 1623702  Size: FS
Master Electrical Component List
Control Module References
ENG MAIN Relay, INJ, EMISS and ETC Fuses
TURN, PRNDL/PWR TRN, BCM/ISRVM, BCM/HVAC and HTD SEATS Fuses
IGN FUSE, Ignition Switch and Ignition Circuits
Power and Grounding Schematic Icons
Power and Grounding Schematic Icons
Figure 9:

ENG AMIN RELAY, INJ, EMISS and ETC Fuses


Object Number: 1381663  Size: FS
Master Electrical Component List
Control Module References
IGN 1, BCM(IGN), AIR BAG, EPS and CRUISE Fuses
B+ Bus and EPS Fuse