GM Service Manual Online
For 1990-2009 cars only
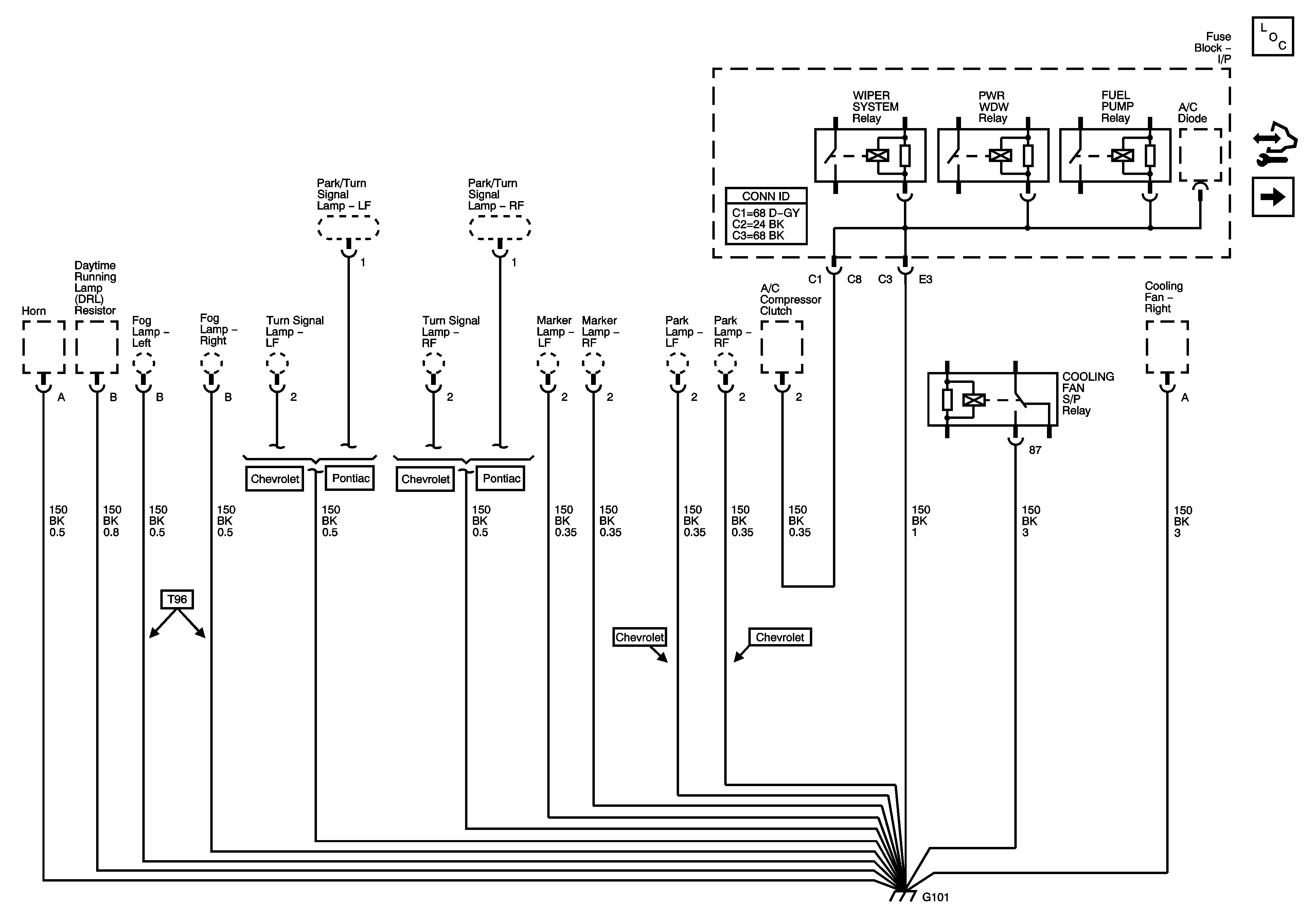
Figure 1:

G101


Object Number: 1623707  Size: FS
Master Electrical Component List
Control Module References
IGN 1, BCM(IGN), AIR BAG, EPS and CRUISE Fuses
Figure 2:

G103, G105, G107, G207


Object Number: 1367713  Size: FS
Master Electrical Component List
Control Module References
G201
G101
Figure 3:

G201


Object Number: 1623709  Size: FS
Master Electrical Component List
Control Module References
G203 and G205
G103, G105, G107 and G207
Power and Grounding Schematic Icons
Power and Grounding Schematic Icons
Figure 4:

G203 and G205


Object Number: 1623714  Size: FS
Master Electrical Component List
Control Module References
G301
G201
Figure 5:

G301


Object Number: 1623717  Size: FS
Master Electrical Component List
Control Module References
G401 and G403
G203 and G205
Figure 6:

G401 and G403


Object Number: 1623718  Size: FS
Master Electrical Component List
Control Module References
G301