GM Service Manual Online
For 1990-2009 cars only
Makes
🢒
Pontiac
🢒
2006
🢒
Torrent
🢒
Steering
🢒
Steering Wheel and Column
🢒 Steering Wheel Schematics
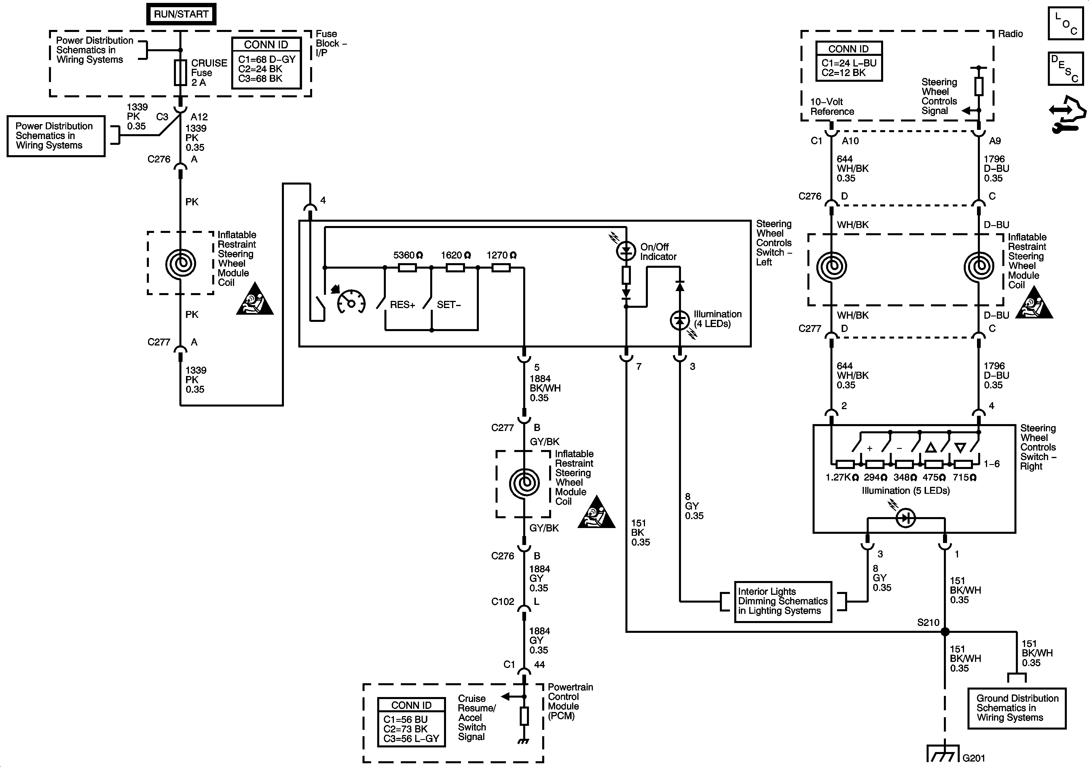
Steering Wheel Schematics Chevrolet
Master Electrical Component List
Steering Wheel Controls Description and Operation
Control Module References
IGN FUSE, Ignition Switch and Ignition Circuits
IGN 1, BCM(IGN), AIR BAG, EPS and CRUISE Fuses
Interior Lights Dimming Schematic
G201
Steering Wheel and Column Schematic Icons
G201
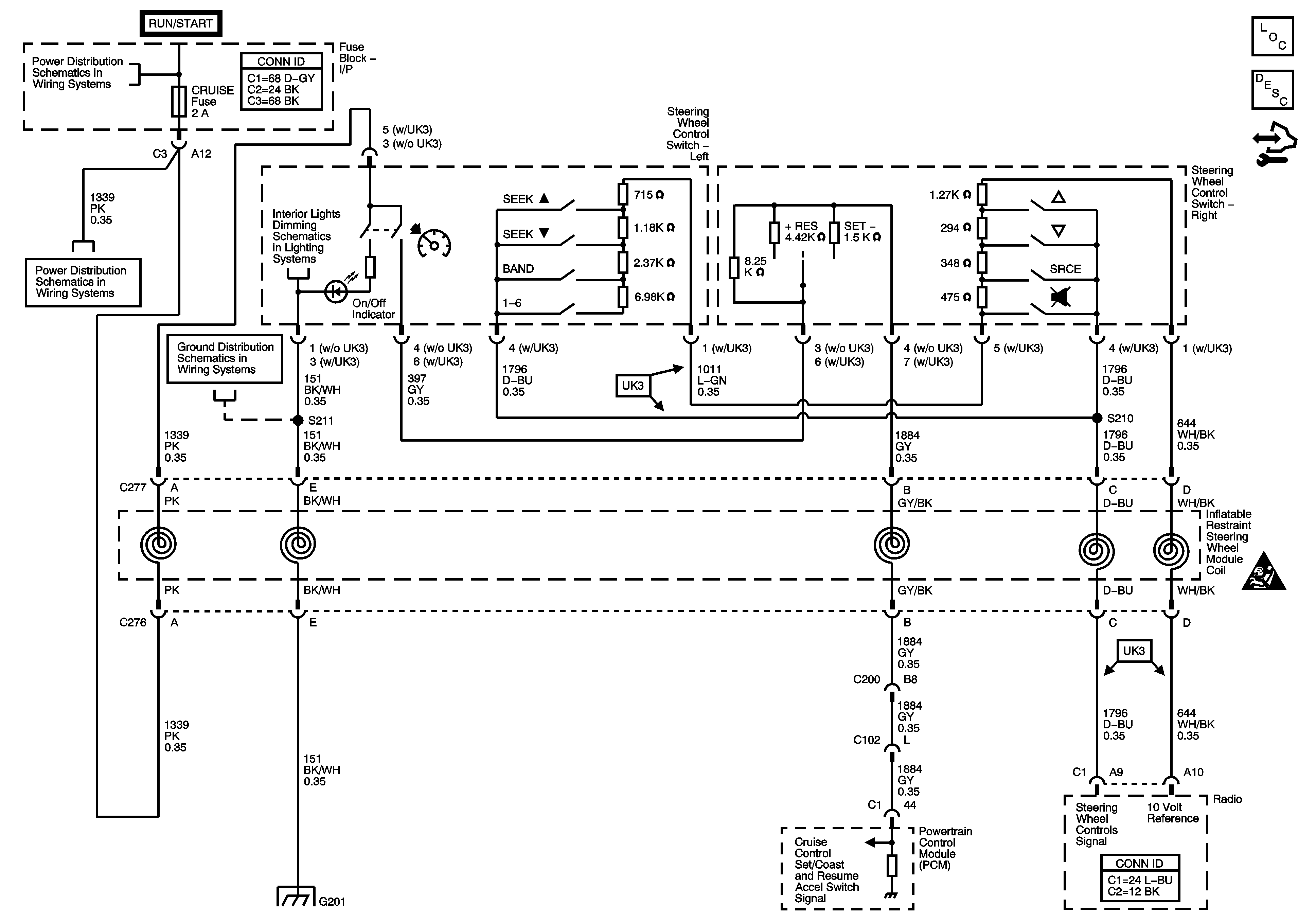
Steering Wheel Schematics Pontiac
Master Electrical Component List
Steering Wheel Controls Description and Operation
Control Module References
IGN FUSE, Ignition Switch and Ignition Circuits
IGN 1, BCM(IGN), AIR BAG, EPS and CRUISE Fuses
Steering Wheel and Column Schematic Icons
Steering Wheel and Column Schematic Icons
Interior Lights Dimming Schematic
G201
G201
Steering Wheel and Column Schematic Icons