GM Service Manual Online
For 1990-2009 cars only
Figure 1:

LF Suspension


Object Number: 1381491  Size: MF
(1)C104 Left Shown, C105 Right Similar
(2)Wheel Speed Sensor (WSS) - LF, RF Similar
Figure 2:

Electronic Power Steering Harness, Underhood Side


Object Number: 1381493  Size: MF
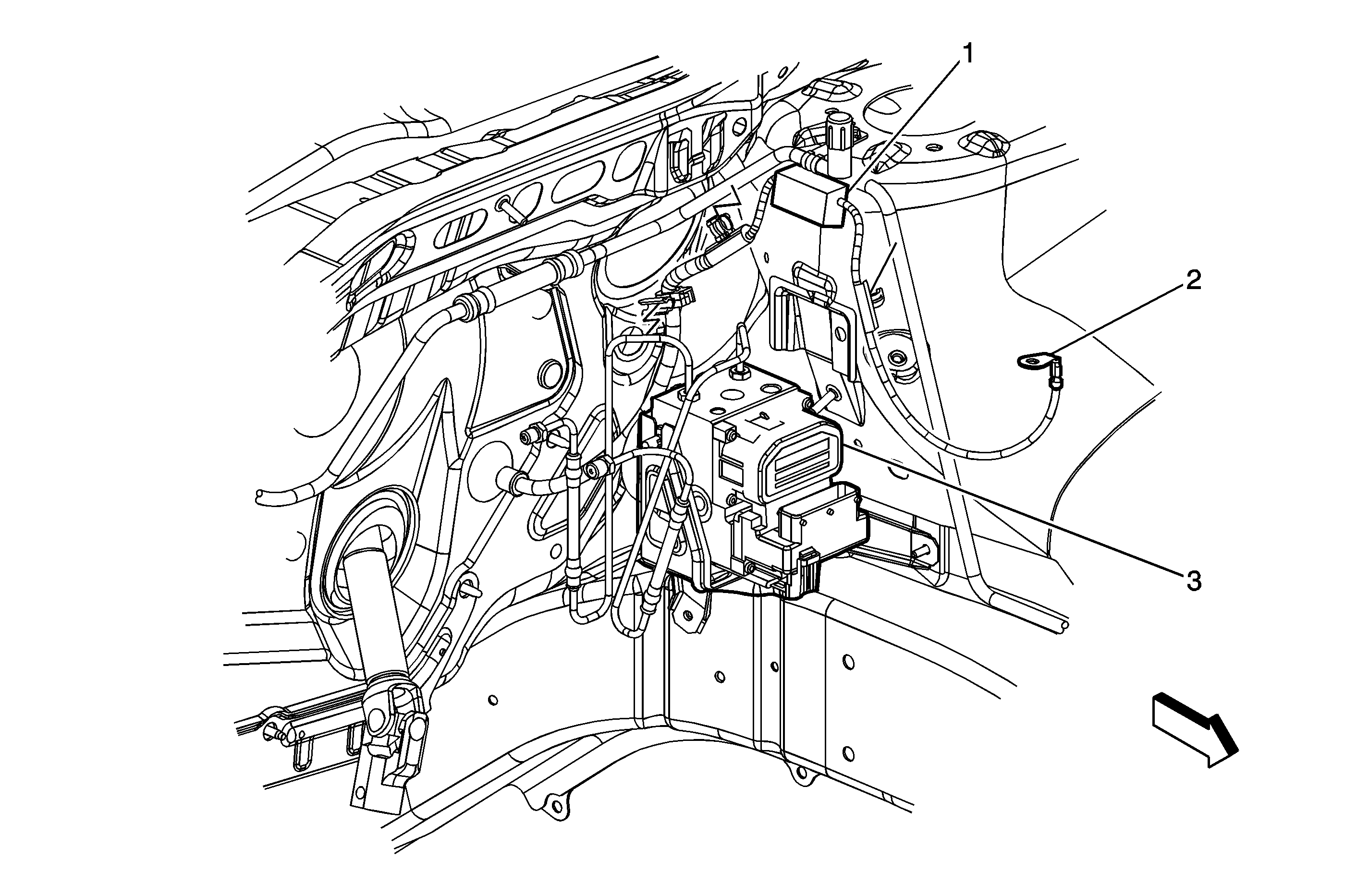
(1)EPS Inline Fuse Holder
(2)PSCM Harness Connection to the Underhood Fuse Block
(3)Electronic Brake Control Module (EBCM)
Figure 3:

Left Side of the I/P


Object Number: 1415722  Size: LF
(1)Ambient Light Sensor
(2)Instrument Panel Cluster (IPC)
(3)Windshield Wiper/Washer Switch
(4)Traction Control (TC) Switch (JM4 w/FWD)
(5)Hazard Switch
(6)Fog Lamp Switch (T96)
(7)Radio
(8)HVAC Control Module
(9)Power Window Switch - Main
(10)Transmission Range Indicator
(11)Horn Switch/Pad - Part of the Inflatable Restraint Steering Wheel Module
(12)Headlamp Switch
(13)Dimmer Switch
(14)Outside Rearview Mirror Switch
(15)Data Link Connector (DLC)
Figure 4:

Under the Rear of the Vehicle


Object Number: 1381481  Size: LF
(1)Fuel Tank Harness
(2) C406
(3)Rear ABS Wheel Speed Sensor (WSS) Harness
(4)C404
(5) Wheel Speed Sensor (WSS) Connector - RR Shown, LR Similar
(6) Wheel Speed Sensor (WSS) - RR Shown, LR Similar