GM Service Manual Online
For 1990-2009 cars only
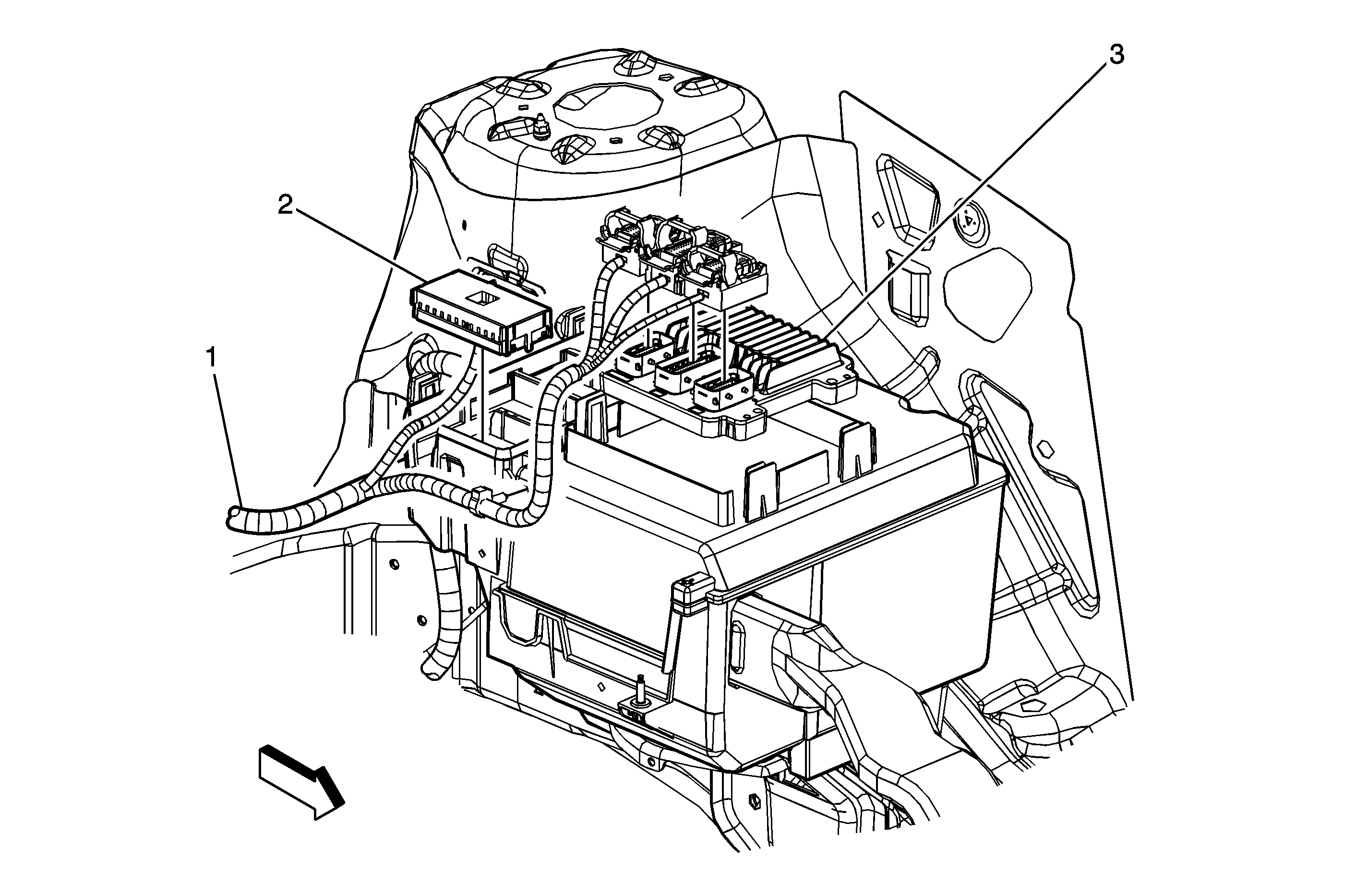
Figure 1:

LF of the Engine Compartment


Object Number: 1454879  Size: MF
(1)Engine Harness
(2)Underhood Fuse Block C1
(3)Powertrain Control Module (PCM)
Figure 2:

Air Cleaner Intake Duct


Object Number: 1693252  Size: MF
(1)Air Cleaner
(2)Mass Air Flow (MAF)/Intake Air Temperature (IAT) Sensor
(3)Throttle Actuator Control (TAC) Module
Figure 3:

Top Rear Side of the Engine


Object Number: 1381483  Size: LF
(1)Exhaust Gas Recirculation (EGR) Valve
(2)Throttle Actuator Control (TAC) Module
(3)Mass Air Flow (MAF)/Intake Air Temperature (IAT) Sensor
(4)Evaporative Emissions (EVAP) Canister Purge Solenoid
(5)Generator
(6)C150
(7)Heated Oxygen Sensor (HO2S) 1
(8)Engine Coolant Temperature (ECT) Sensor
(9)Ignition Control Module (ICM)
(10)Manifold Absolute Pressure (MAP) Sensor
Figure 4:

Fuel Injectors


Object Number: 1486156  Size: MF
(1)Fuel Injector 2
(2)Fuel Injector 1
(3)Fuel Injector 3
(4)Fuel Injector 5
(5)Fuel Injector 4
(6)Fuel Injector 6
Figure 5:

Right Side of the Engine


Object Number: 1465120  Size: MF
(1)Camshaft Postion (CMP) Sensor
(2)Belt
Figure 6:

Lower Left Front of Engine


Object Number: 1265648  Size: MF
(1)Engine Oil Pressure (EOP) Sensor
(2)Starter
(3)Starter Solenoid
(4) Knock Sensor (KS) 2
Figure 7:

Lower Left Front of Engine


Object Number: 1265648  Size: MF
(1)Engine Oil Pressure (EOP) Sensor
(2)Starter
(3)Starter Solenoid
(4) Knock Sensor (KS) 2
Figure 8:

Lower Rear of the Engine


Object Number: 1265659  Size: MF
(1)Crankshaft Position (CKP) Sensor
(2)Knock Sensor (KS) 1
Figure 9:

Front of the Engine


Object Number: 1381486  Size: MF
(1)A/C Compressor Clutch
(2)A/C Refrigerant Pressure Sensor
(3)Knock Sensor (KS) 2
(4)Engine Oil Pressure (EOP) Switch
(5)Starter Motor Leads
Figure 10:

Top of the Transmission, Left Side of the Engine Compartment


Object Number: 1381487  Size: MF
(1)G105
(2)Park/Neutral Position (PNP) Switch
(3)A/T Input Speed Shaft (ISS) Sensor
(4)A/T Output Speed Shaft (OSS) Sensor
(5)C100
Figure 11:

Under the Left Side of the I/P


Object Number: 1469599  Size: SF
(1)Accelerator Pedal Position (APP) Sensor
(2)Accelerator Pedal Bracket
Figure 12:

Under the Rear of the Vehicle


Object Number: 1469604  Size: MF
(1)Evaporative Emissions (EVAP) Canister Vent Solenoid
Figure 13:

Fuel Tank Components


Object Number: 1439792  Size: LF
(1)Fuel Tank Pressure (FTP) Sensor Connector
(2)Fuel Pump and Sender Assembly Connector - Primary
(3)Fuel Pump
(4)Lead - Primary Sender to Secondary Sender Assmbly
(5)Fuel Level Sensor
(6)Fuel Pump and Sender Assembly Connector - Secondary