GM Service Manual Online
For 1990-2009 cars only
Makes
🢒
Pontiac
🢒
2006
🢒
Torrent
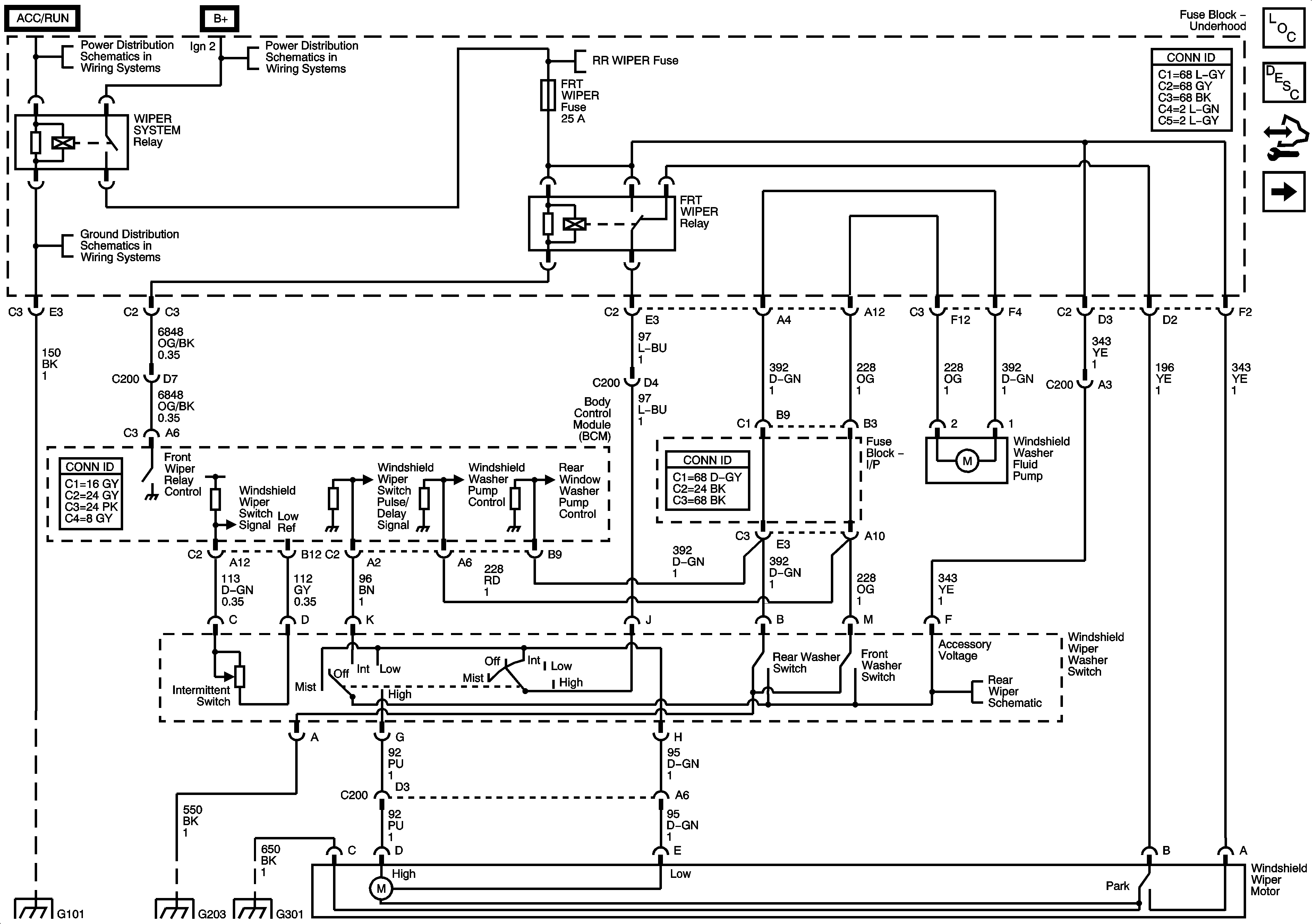
🢒 Front Wiper
Front Wiper
Front Wiper/Washer
Master Electrical Component List
Wiper/Washer System Description and Operation
Control Module References
Rear Wiper
TURN, PRNDL/PWR TRN, BCM/ISRVM, BCM/HVAC and HTD SEATS Fuses
B+ Bus and EPS Fuse
G101
G101
G203 and G205
G301