GM Service Manual Online
For 1990-2009 cars only
Makes
🢒
Pontiac
🢒
2006
🢒
Torrent
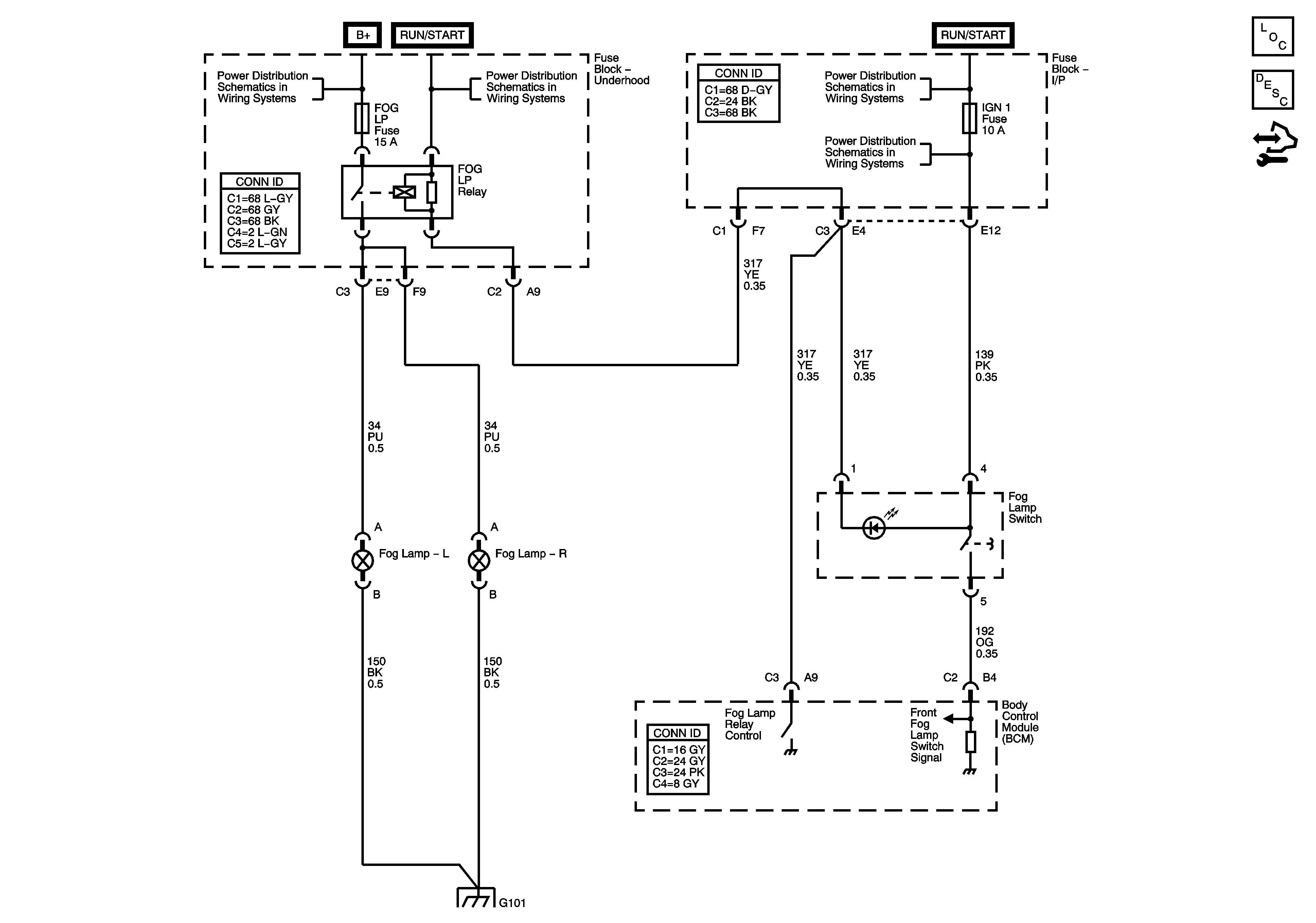
🢒 Fog Lights Schematic
Fog Lights Schematic
Master Electrical Component List
Exterior Lighting Systems Description and Operation
Control Module References
B+ Bus and EPS Fuse
IGN FUSE, Ignition Switch and Ignition Circuits
IGN FUSE, Ignition Switch and Ignition Circuits
IGN 1, BCM(IGN), AIR BAG, EPS and CRUISE Fuses
G101