GM Service Manual Online
For 1990-2009 cars only
Figure 1:

Module Power, Ground, and MIL


Object Number: 1767040  Size: FS
Master Electrical Component List
Engine Control Module Description
Control Module References
5-Volt Reference
B+ BUS - 1 of 2
Indicators
IGN 1 Relay BUS - MAF, PCM IGN, AIRBAG DISPLY and TRANS Fuses
G103, G105, G111
Figure 2:

5-Volt Reference


Object Number: 1767183  Size: FS
Master Electrical Component List
Engine Control Module Description
Control Module References
Low Reference
Module Power, Ground, and MIL
Figure 3:

Low Reference


Object Number: 1767185  Size: FS
Master Electrical Component List
Engine Control Module Description
Control Module References
MAF, MAP, ECT
5-Volt Reference
Figure 4:

MAF, MAP, ECT


Object Number: 1767188  Size: FS
Master Electrical Component List
Engine Control Module Description
Control Module References
Oxygen Sensors
Low Reference
B+ BUS - 1 of 2
PWR/TRN Relay BUS - EMISO1, EMISO2, ETC/ECM, EVEN COILS/INJ and ODD COILS/INJ FusesINJ
G103, G105, G111
Figure 5:

Oxygen Sensors


Object Number: 1767189  Size: FS
Master Electrical Component List
Engine Control Module Description
Control Module References
TAC, Accelerator Pedal Sensor
MAF, MAP, ECT
PWR/TRN Relay BUS - EMISO1, EMISO2, ETC/ECM, EVEN COILS/INJ and ODD COILS/INJ FusesINJ
PWR/TRN Relay BUS - EMISO1, EMISO2, ETC/ECM, EVEN COILS/INJ and ODD COILS/INJ FusesINJ
Figure 6:

TAC, Accelerator Pedal Sensor


Object Number: 1767190  Size: FS
Master Electrical Component List
Throttle Actuator Control (TAC) System Description
Control Module References
Ignition Control Module
Oxygen Sensors
Figure 7:

Ignition Control Module


Object Number: 1767192  Size: FS
Master Electrical Component List
Electronic Ignition (EI) System Description
Control Module References
Knock, Camshaft, and Crankshaft Sensors
TAC, Accelerator Pedal Sensor
B+ BUS - 1 of 2
PWR/TRN Relay BUS - EMISO1, EMISO2, ETC/ECM, EVEN COILS/INJ and ODD COILS/INJ FusesINJ
PWR/TRN Relay BUS - EMISO1, EMISO2, ETC/ECM, EVEN COILS/INJ and ODD COILS/INJ FusesINJ
G103, G105, G111
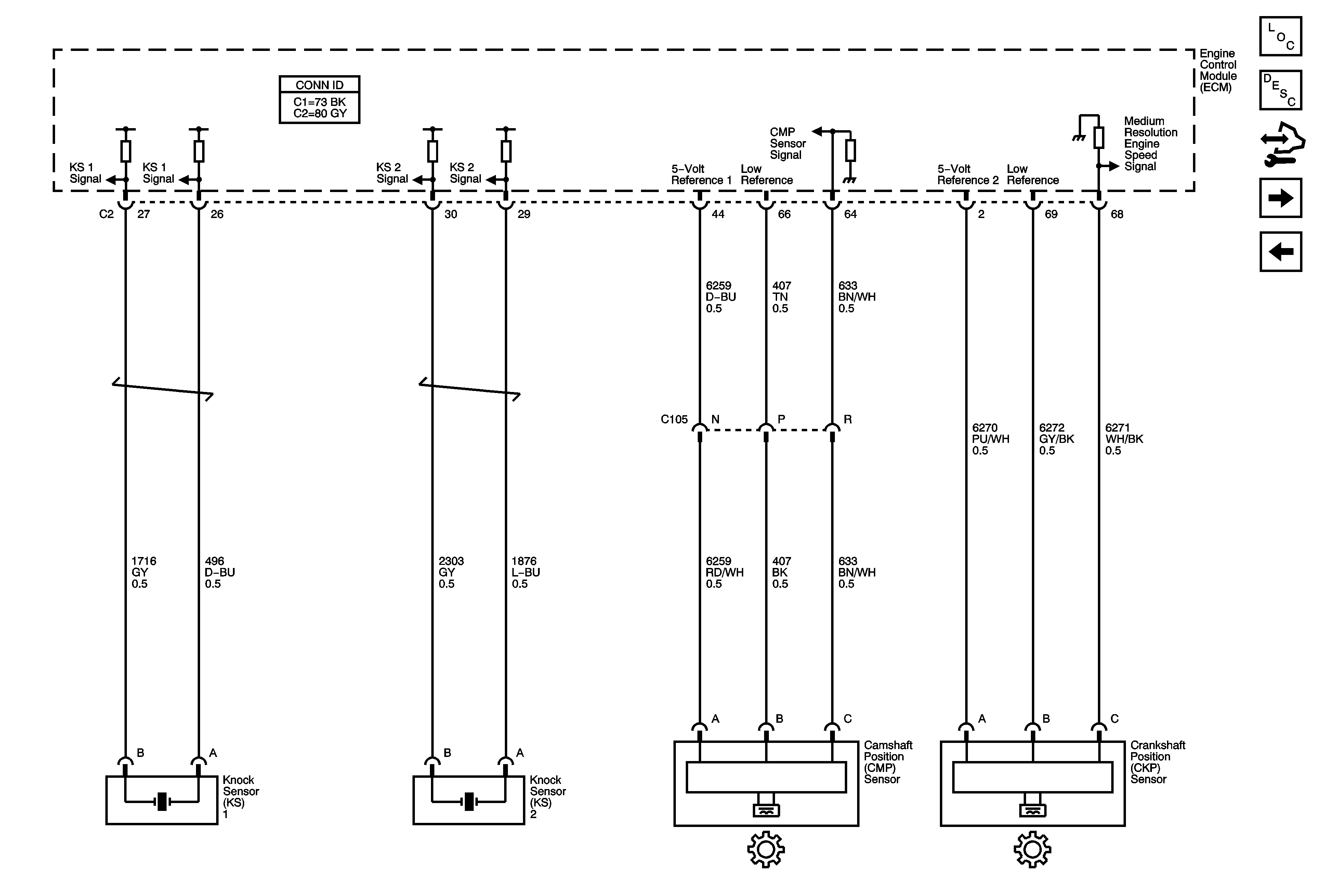
Figure 8:

Knock, Camshaft, and Crankshaft Sensors


Object Number: 1767195  Size: FS
Master Electrical Component List
Engine Control Module Description
Control Module References
Fuel Injectors and Fuel Pump
Ignition Control Module
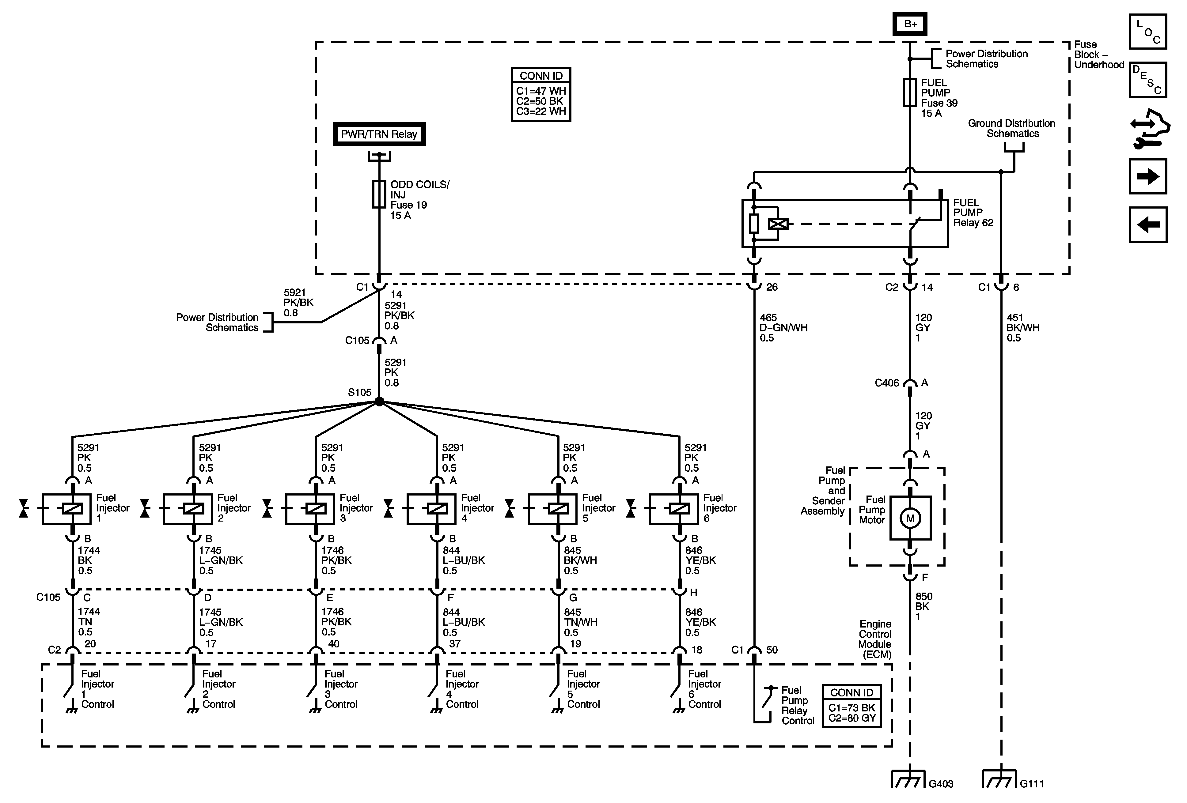
Figure 9:

Fuel Injectors and Fuel Pump


Object Number: 1767198  Size: FS
Master Electrical Component List
Fuel System Description
Control Module References
EGR and EVAP Controls
Knock, Camshaft, and Crankshaft Sensors
B+ BUS - 1 of 2
G101
B+ BUS - 1 of 2
PWR/TRN Relay BUS - EMISO1, EMISO2, ETC/ECM, EVEN COILS/INJ and ODD COILS/INJ FusesINJ
G403
G101
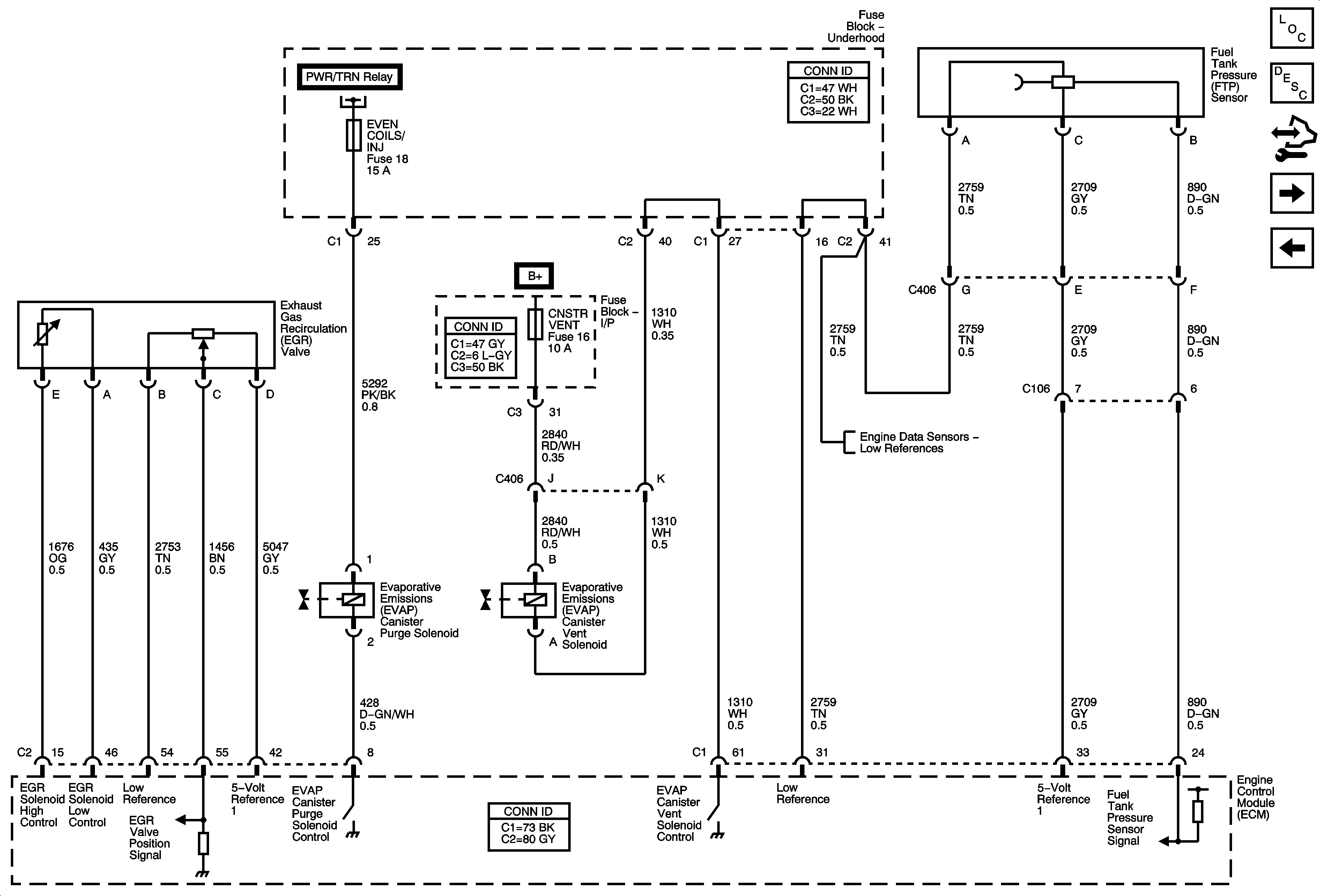
Figure 10:

EGR and EVAP Controls


Object Number: 1767200  Size: FS
Master Electrical Component List
Evaporative Emission Control System Description
Control Module References
Controlled/Monitored Subsystem References
Fuel Injectors and Fuel Pump
BATT 1, CNSTR VENT, CLSTR, HVAC BLWR, INFOTMNT, INT LAMP, ONSTAR, REAR DEFOG and RVC Fuses
PWR/TRN Relay BUS - EMISO1, EMISO2, ETC/ECM, EVEN COILS/INJ and ODD COILS/INJ FusesINJ
Low Reference
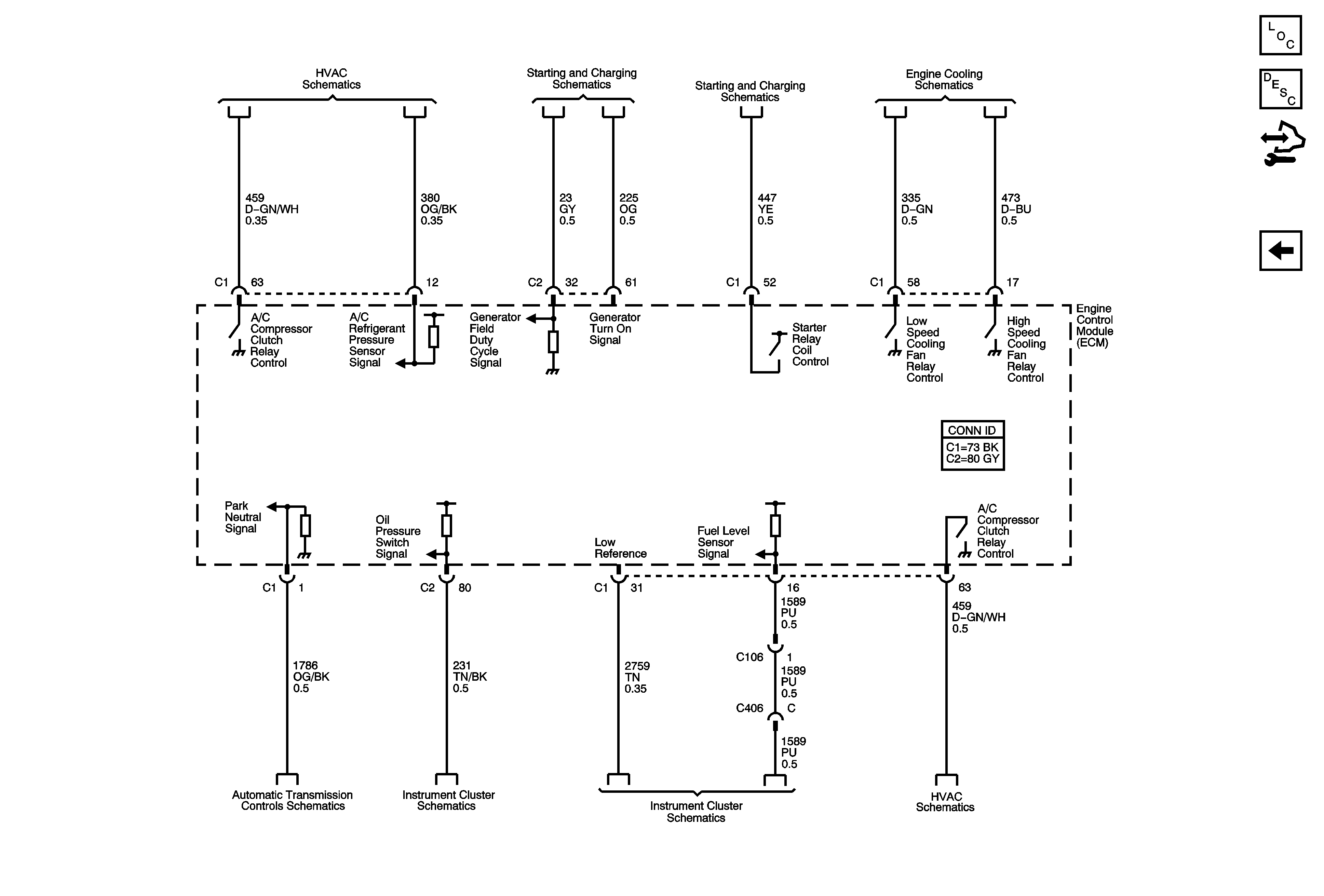
Figure 11:

Controlled/Monitored Subsystem References


Object Number: 1767201  Size: FS
Master Electrical Component List
Engine Control Module Description
Control Module References
EGR and EVAP Controls
A/C Compressor Controls
Charging
Starting
Engine Cooling Schematics
ISS, OSS, and TFT Sensor
Indicators
Gages